阿摩線上測驗
登入
首頁
>
技檢◆氣壓-乙級
> 114年 - 08000 氣壓 乙級 工作項目 05:裝配、運轉與調整 51-99(2025/12/03 更新)#134173
114年 - 08000 氣壓 乙級 工作項目 05:裝配、運轉與調整 51-99(2025/12/03 更新)#134173
科目:
技檢◆氣壓-乙級 |
年份:
114年 |
選擇題數:
49 |
申論題數:
0
試卷資訊
所屬科目:
技檢◆氣壓-乙級
選擇題 (49)
51. 一般常用之 5/2 閥在氣壓元件是屬________之用。 (A)壓力控制 (B)流量控制 (C)方向控制(D)輔助控制
52. 吸附式空氣乾燥機,一般以矽膠、活性氧化鋁為吸附劑,又稱為再生式乾燥機,其吸收水分原理是______過程。 (A)物理 (B)化學 (C)機械 (D)電解
53. 當氣壓超過設定壓力時,其超壓部份頂開閥門排出後即刻回復到設定值,此為 (A)調壓閥 (B)安全閥 (C)減壓閥 (D)順序閥 。
54. 調壓閥的壓力特性,在工業規格中規定,二次側壓力因一次側壓力變動的範圍應小於_________Kgf/cm
2
。 (A)0.1 (B)0.15 (C)0.3 (D)0.35
55. 過濾器的水份分離率應大於 _______以上。(A)0.5 (B)0.6 (C)0.7 (D)0.8
56. 三用電錶的直流電流檔,何者內阻最低? (A)250mA (B)25mA (C)2.5mA (D)0.1mA 。
57. 測量絕緣電阻可採用 (A)柯勞許電橋 (B)愷爾文電橋 (C)高阻計 (D)電流計 。
58. 三用電表測定完畢時,應把選擇開關放在何種檔? (A)直流電流量最高檔(B)交直流電壓最高檔 (C)歐姆電阻倍數最高檔 (D)歐姆電阻倍數最低檔 。
59. 一般氣壓控制系統所用的過濾器,其濾網的網孔大小為 (A)2~8μm (B)20~40μm (C)200~300μm (D)300~400μm 。
60. 潤滑油的選用主要是受何因素所左右? (A)密封材質 (B)閥體材質 (C)線圈材質 (D)氣壓缸筒材質 。
61. 壓縮空氣貯氣槽大小與下列何者無關? (A)壓力 (B)輸出量 (C)溫度 (D)壓縮機之單位時間切換次數 。
62. 需要低速、大扭力的場合要用 (A)活塞式 (B)徑流式 (C)齒輪式 (D)輪葉式 氣壓馬達。
63. 氣壓調理組的檢查週期為 (A)每天 (B)每週 (C)每月 (D)視使用情況而定 。
64. 飽合空氣在 25℃進入吸收式乾燥器時,出口的露點為 (A)14℃ (B)20℃ (C)25℃ (D)30℃ 。
65. 下列何種型式壓縮機對磨損影響較小? (A)往復式 (B)迴轉式 (C)魯氏 (D)螺旋式 。
66. 一般氣壓管線材質的選擇與 (A)耐蝕性 (B)管壁厚度 (C)管徑 (D)空氣品質 無關。
67. 空壓機第一次瞬間起動時,應注意 (A)正常轉動方向 (B)起動電流、電壓(C)起動速度 (D)壓力變化 。
68. 市售標準電磁閥線圈絕緣種類為 (A)K 種 (B)B 種 (C)M 種 (D)P 種 。
69. 兩只 AC110V,功率為 60W 的燈泡,如下圖方式接線,請問實際上每一只燈泡的消耗功率為多少?
(A)120W (B)60W (C)30W (D)15W 。
70. 兩只 DC24V,功率為 12W 的電磁閥,其最低作動電流值為 20mA,使用DC24V/1A 的電源供應器,如下圖接線方式,會產生何種狀況
(A)A、B同時切換 (B)A 先切斷,等約 0.5sec 後 B 切換 (C)A、B 皆不切換 (D)B 切換而 A 不切換 。
71. 電氣延時器的延時導通接點的編號為 (A)6 和 7 (B)4 和 7 (C)6 和 8 (D)4 和5 。
72. 垂直下吊 48Kgf 重物的單活塞桿氣壓缸,活塞側面積 10cm
2
、活塞桿側面積 6cm
2
,欲調整多大背壓才能與物重平衡? (A)4.8 (B)8 (C)3 (D)12Kgf/cm
2
。
73. 推動搖桿機構的氣壓缸應該選用_______形式的才恰當。(A)LA (B)LB (C)FA (D)TA
74. 如下圖所示,8-5-6 為何種接點?
(A)計時器瞬時接點 (B)計時器延時接點(C)計時器電源接點 (D)繼電器瞬時接點 。
75. 欲將 A、B 兩個隨機出現的信號,在同時段的部分取出,該採用 (A)梭動閥 (B)止逆閥 (C)節流閥 (D)雙壓閥 。
76. 欲調低空氣流量,節流閥的調整旋鈕要 (A)順時鐘旋轉 (B)逆時鐘旋轉 (C)調壓旋鈕壓下 (D)調壓旋鈕拔高 。
77. 考量有利於空油壓轉換器排除混入的氣泡,安裝時應注意 (A)安裝在比管路低的位置 (B)安裝在比機台稍高的位置 (C)橫置安裝 (D)直立安裝 。
78. 下圖欲保護方向閥不受外界粉塵污染,應在哪個位置安裝過濾裝置:
(A)A (B)A和B (C)A和C (D)B和C 。
79. 如下圖,欲調控氣壓缸縮回拉力,應在哪個位置加裝什麼裝置?
(A)A加裝減壓閥 (B)B加裝附止回減壓閥 (C)D加裝附止回減壓閥 (D)C加裝減壓閥 。
80. 如下圖,欲調控如下圖迴路的氣壓缸縮回速度,排氣限流的速度控制閥應該裝在哪個位置效果最佳?
(A)A (B)B (C)D (D)C 。
81. 如下圖,欲抗衡氣壓缸的向下負荷的抗衡回路,下列敘述何者正確?
(A)在C處加裝減壓閥 (B)在A處加裝減壓閥 (C)在A處加裝洩壓閥 (D)在C處加裝洩壓閥 。
82. 如下圖,是個氣壓夾具的控制回路,要加裝一只「止回閥」改善氣壓源壓力降導致夾持力降低的問題,應該裝在哪一處位置?
(A)A (B)B (C)C(D)D 。
83. 壓力開關如下圖接線方式,可得到哪種電氣輸出信號效果?
(A)延時輸出、瞬時復歸 (B)瞬時輸出、延時復歸 (C)瞬時輸出、瞬時復歸 (D)延時輸出、延時復歸 。
84. 氣壓缸中途安裝輥輪式位置檢出器,只需要退後時送出訊號,該選用 (A)延時閥 (B)單向作動輥輪閥 (C)雙向作動輥輪閥 (D)雙向搖頭機械閥 。
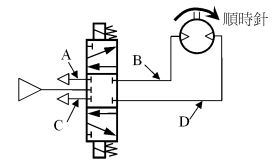
85. 如下圖,要如何縮短氣壓馬達順時針啟動,達到額定轉速的耗時太長問題?
(A)A加節流閥 (B)B加快速排氣閥 (C)D加快速排氣閥 (D)C加速度控制閥 。
複選題
86. 調理組(三點組合)係由 (A)過濾器 (B)調壓閥 (C)儲氣筒 (D)潤滑器 所組成的。
複選題
87. 儲氣筒具有哪些功能? (A)蓄能 (B)升壓 (C)降溫 (D)凝結空氣中水分 。
複選題
88. 下列哪些符號不屬於壓力控制閥? (A)
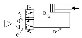
(B)
(C)
(D)
。
複選題
89. 下列何者對氣壓串級法之迴路設計敘述為錯誤? (A)係利用記憶閥的信號接轉作用,達到換級的依據 (B)係利用梭動閥的信號接轉作用,達到換級的依據升壓 (C)依動作順序不同,一般不可將同一支驅動器之正向與逆向運動分在一級 (D)依動作順序不同,一般可將同一支驅動器之正向與逆向運動分在一級 。
複選題
90. 下列何者對循環步進法之迴路設計敘述為正確? (A)所決定的信號管線(壓力線)應等於分級級數 (B)所決定的步進組件等於信號管線減一 (C)所決定的信號管線(壓力線)應等於分級加一 (D)所決定的步進組件等於信號管線 。
複選題
91. 基本上,壓縮空氣的乾燥之原理與方式有哪些 (A)壓縮式 (B)冷凍式 (C)吸附式 (D)吸收式 。
複選題
92. 氣壓控制迴路中在有效行程內調整氣壓缸上的極限開關位置,可能使氣壓缸的作動行程 (A)增長 (B)縮短 (C)不變 (D)不位移 。
複選題
93. 符合 DIN1343 之正常狀態的空氣係指 (A)溫度為 0℃ (B)絕對壓力1.013bar (C)完全乾燥 (D)正常環境之空氣 。
複選題
94. 符合 ISO 6358 之標準狀態的空氣係指 (A)溫度為 20℃ (B)絕對壓力 1.0bar(C)標準環境 (D)溼度 RH65% 之空氣。
複選題
95. 下列何者對電磁閥之敘述為正確? (A)雙線圈電磁閥安裝時受垂直水平的方向限制 (B)直動式不可用於真空 (C)內引導式需有最低之啟動壓力 (D)外引導式可用於真空 。
複選題
96. 壓縮空氣經冷卻後,空氣中所含的水分凝結成水,此種冷凝水 (A)對機件有潤滑功用 (B)對機件有不良影響 (C)對氣壓缸運動性能有影響 (D)不需自空氣中分離排除 。
複選題
97. 下列何者敘述為錯誤? (A)切斷閥應裝置在空氣壓縮機與儲氣筒之間 (B)潤滑油號數越高黏度越低 (C)空氣的黏滯性隨溫度增高而變黏 (D)給油器的滴油數應依耗氣量調整 。
複選題
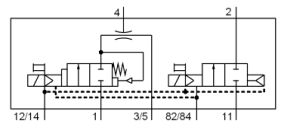
98. 如下圖所示之符號,下列何者敘述為正確?
(A)二電磁閥均有強制手動裝置 (B)內部嚮導驅動 (C)二電磁閥均有機械彈簧回位 (D)左邊電磁閥具備壓差功能 。
複選題
99. 氣壓工程中對於節能環保的課題,計算成本與下列哪些參數有關? (A)氣候 (B)運轉壓力高低 (C)元件的品質 (D)空氣消耗量 。
申論題 (0)
相關試卷
114年 - 08000 氣壓 乙級 工作項目 06:維修 51-78(2025/12/03 更新)#134175
114年 · #134175
114年 - 08000 氣壓 乙級 工作項目 06:維修 1-50(2025/12/03 更新)#134174
114年 · #134174
114年 - 08000 氣壓 乙級 工作項目 05:裝配、運轉與調整 1-50(2025/12/03 更新)#134172
114年 · #134172
114年 - 08000 氣壓 乙級 工作項目 04:設計 201-259(2025/12/03 更新)#134171
114年 · #134171
114年 - 08000 氣壓 乙級 工作項目 04:設計 151-200(2025/12/03 更新)#134170
114年 · #134170
114年 - 08000 氣壓 乙級 工作項目 04:設計 101-150(2025/12/03 更新)#134169
114年 · #134169
114年 - 08000 氣壓 乙級 工作項目 04:設計 51-100(2025/12/03 更新)#134168
114年 · #134168
114年 - 08000 氣壓 乙級 工作項目 04:設計 1-50(2025/12/03 更新)#134167
114年 · #134167
114年 - 08000 氣壓 乙級 工作項目 03:儀表及工具使用 101-162(2025/12/03 更新)#134166
114年 · #134166
114年 - 08000 氣壓 乙級 工作項目 03:儀表及工具使用 51-100(2025/12/03 更新)#134165
114年 · #134165