阿摩線上測驗
登入
首頁
>
技檢◆氣壓-乙級
> 114年 - 08000 氣壓 乙級 工作項目 04:設計 151-200(2025/12/03 更新)#134170
114年 - 08000 氣壓 乙級 工作項目 04:設計 151-200(2025/12/03 更新)#134170
科目:
技檢◆氣壓-乙級 |
年份:
114年 |
選擇題數:
50 |
申論題數:
0
試卷資訊
所屬科目:
技檢◆氣壓-乙級
選擇題 (50)
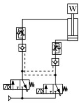
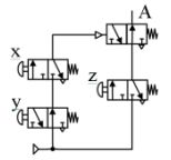
151. 下圖氣壓迴路,為一部小型沖壓床迴路,假設線框住部分,在操作 st1、st2 時,可以得到
(A)延長 st1、st2 操作訊號之長度 (B)提升 st1、st2 操作之容易性 (C)限制 st1、st2 操作之時間差 (D)方便 st1、st2 可單手操作之可能性 的功能。
152. 下圖氣壓迴路圖,下列敘述何者為真?
(A)在 CS 選擇閥沒切下、壓按一下 st1 時,氣壓缸伸出一段時間後,才退回後限停止 (B)在 CS 選擇閥已切下、壓按一下 st1 時,氣壓缸伸出、後退往復動作,直到壓按一下 off閥,才退回後限停止 (C)在 CS 選擇閥已切下、壓按一下 st1 時,氣壓缸伸出、後退往復動作一次即停止 (D)在 CS 選擇閥沒切下、壓按一下 st1時,氣壓缸伸出、後退往復動作,一段時間後氣壓缸退回後限停止 。
153. 下圖氣壓迴路,在壓按一下 st1 時,下列敘述何者為真?
(A)氣壓缸伸出、後退往復動作,在壓按一下 off 閥後,氣壓缸退回後限停止 (B)氣壓缸伸出、後退往復動作一段時間後,自動退回後限停止 (C)氣壓缸伸出、後退往復動作,在達到預定次數後,氣壓缸可於任意位置停止 (D)氣壓缸伸出、後退往復動作,在達到預定次數後,氣壓缸伸出至前限位置停止 。
154. 下圖氣壓迴路,下列敘述何者正確?
(A)在 CS 選擇閥沒切下、壓按一下st1 時,氣壓缸伸出一段時間後,才退回後限停止 (B)在 CS 選擇閥沒切下、壓按一下 st1 時,氣壓缸伸出、後退往復動作,一段時間後氣壓缸退回後限停止 (C)在 CS 選擇閥已切下、壓按一下 st1 時,氣壓缸伸出、後退往復動作一次即停止 (D)在 CS 選擇閥已切下、壓按一下 st1 時,氣壓缸伸出、後退往復動作,直到延時閥計時已到,退回後限停止 。
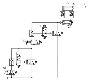
155. 下圖氣壓迴路,在壓按一下 st1 時,下列敘述何者正確?
(A)氣壓缸伸出一段時間後,才退回後限停止 (B)等待一段時間後,氣壓缸才伸出,碰觸a1 前限退回後限停止 (C)氣壓缸伸出、後退往復動作,一段時間後氣壓缸退回後限停止 (D)氣壓缸伸出、後退往復動作,一段時間後氣壓缸伸出,碰觸 a1 前限停止 。
156. 下圖氣壓迴路,在壓按一下 st1 時,下列敘述何者正確?
(A)CS 選擇閥已切下,氣壓缸伸出、後退往復動作一段時間後,才退回後限停止 (B)CS選擇閥已切下,壓缸伸出、後退往復動作,在達到預定次數後,氣壓缸退回後限停止 (C)CS 選擇閥未切下,氣壓缸伸出、後退往復動作,在達到預定次數後,氣壓缸可於任意位置停止 (D)CS 選擇閥未切下,氣壓缸伸出、後退往復動作,在達到預定次數後,氣壓缸伸出至前限位置停止 。
157. 下圖氣壓迴路,在壓按一下 st1 時,下列敘述何者正確?
(A)氣壓缸伸出、後退往復動作一段時間後,才退回後限停止 (B)氣壓缸伸出、後退往復動作,在達到預定次數後,氣壓缸伸出至前限位置停止 (C)氣壓缸伸出、後退往復動作,在達到預定次數後,氣壓缸可於任意位置停止 (D)氣壓缸伸出、後退往復動作,在達到預定次數後,氣壓缸退回後限位置停止 。
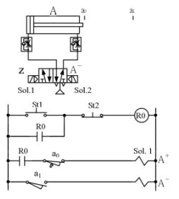
158. 下圖電氣-氣壓迴路,在操作 st1、st2 時,下列敘述何者正確?
(A)兩者都按下氣壓缸才伸出,兩者都放開氣壓缸才縮回 (B)其中一個按下氣壓缸就伸出,兩者都放開氣壓缸才縮回 (C)兩者都按下氣壓缸才伸出,其中一個放開氣壓缸就縮回 (D)其中一個按下氣壓缸就伸出,其中一個放開氣壓缸就縮回的功能 。
159. 下圖電氣-氣壓迴路,在操作 st1、st2 時,下列敘述何者正確?
(A)延長st1、st2 操作訊號之長度 (B)提升 st1、st2 操作之容易性 (C)限制 st1、st2操作之時間差 (D)方便 st1、st2 可單手操作之可能性的功能 。
160. 下圖電氣-氣壓迴路,在壓按一下 st1 時,下列敘述何者正確?
(A)氣壓缸伸出、後退往復動作一段時間後,自動退回後限停止 (B)氣壓缸伸出、後退往復動作,在壓按一下 st2 閥後,氣壓缸退回後限停止 (C)氣壓缸伸出、後退往復動作,在達到預定次數後,氣壓缸可退回後限停止 (D)氣壓缸伸出、後退往復動作,在達到預定次數後,氣壓缸伸出至前限位置停止 。
161. 下圖電氣-氣壓迴路,在壓按一下 st1 時,下列敘述何者正確?
(A)氣壓缸伸出、後退往復動作,在達到預定次數後,氣壓缸伸出至前限位置停止(B)氣壓缸伸出、後退往復動作一段時間後,自動退回後限停止 (C)氣壓缸伸出、後退往復動作,在達到預定次數後,氣壓缸可退回後限停止 (D)氣壓缸伸出、後退往復動作,在壓按一下 st2 閥後,氣壓缸退回後限停止 。
162. 下圖電氣-氣壓迴路,在操作 st1、st2 時,下列敘述何者正確?
(A)限制st1、st2 操作之時間差 (B)提升 st1、st2 操作之容易性 (C)延長 st1、st2 操作訊號之長度 (D)方便 st1、st2 可單手操作之可能性的功能 。
163. 下圖電氣-氣壓迴路,在壓按一下 st1 時,下列敘述何者正確?
(A)氣壓缸伸出一段時間後,才退回後限停止 (B)等待一段時間後,氣壓缸才伸出,碰觸 a1 前限退回後限停止 (C)氣壓缸伸出、後退往復動作,一段時間後氣壓缸退回後限停止 (D)氣壓缸伸出、後退往復動作,一段時間後氣壓缸任意位置停止 。
164. 下圖電氣-氣壓迴路,在壓按一下 st1 時,下列敘述何者正確?
(A)氣壓缸伸出一段時間後,才退回後限停止 (B)氣壓缸伸出、後退往復動作,一段時間後氣壓缸退回後限停止 (C)等待一段時間後,氣壓缸才伸出,碰觸 a1前限退回後限停止 (D)氣壓缸伸出、後退往復動作,一段時間後氣壓缸任意位置停止 。
165. 下圖電氣-氣壓迴路,在壓按一下 st 時,下列敘述何者正確?
(A)氣壓缸伸出、後退往復動作一段時間後,才退回後限停止 (B)氣壓缸伸出、後退往復動作,在達到預定次數後,氣壓缸伸出至前限位置停止 (C)氣壓缸伸出、後退往復動作,在達到預定次數後,氣壓缸可於任意位置停止 (D)氣壓缸伸出、後退往復動作,在達到預定次數後,氣壓缸退回後限停止 。
166. 下圖電氣-氣壓迴路,在壓按一下 st1 時,下列敘述何者正確?
(A)氣壓缸伸出、後退往復動作,在達到預定次數後,氣壓缸退回後限停止 (B)氣壓缸伸出、後退往復動作一段時間後,才退回後限停止 (C)氣壓缸伸出、後退往復動作,在達到預定次數後,氣壓缸可於任意位置停止 (D)氣壓缸伸出、後退往復動作,在達到預定次數後,氣壓缸伸出至前限位置停止 。
167. 下圖電氣-氣壓迴路,在壓按一下 st1 時,下列敘述何者正確?
(A)氣壓缸伸出、後退往復動作一段時間後,才退回後限停止 (B)氣壓缸伸出、後退往復動作,在達到預定次數後,氣壓缸可於任意位置停止 (C)氣壓缸伸出、後退往復動作,在達到預定次數後,氣壓缸退回後限停止 (D)氣壓缸伸出、後退往復動作,在達到預定次數後,氣壓缸伸出至前限位置停止 。
168. 下圖氣壓迴路,當電磁線圈激磁後,一段時間消磁,有關氣壓缸的動作,下列敘述何者正確?
(A)快速伸出、快速後退 (B)快速伸出、慢速後退 (C)慢速伸出、快速後退 (D)慢速伸出、慢速後退 。
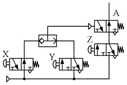
169. 如下圖氣壓迴路之邏輯功能,與下列何者相同?
(A)
(B)
(C)
(D)
。
170. 如下圖氣壓迴路之邏輯功能,與下列何者相同?
(A)
(B)
(C)
(D)
。
171. 如下圖氣壓迴路之邏輯功能,與下列何者相同?
(A)
(B)
(C)
(D)
。
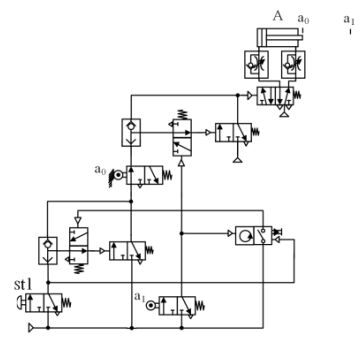
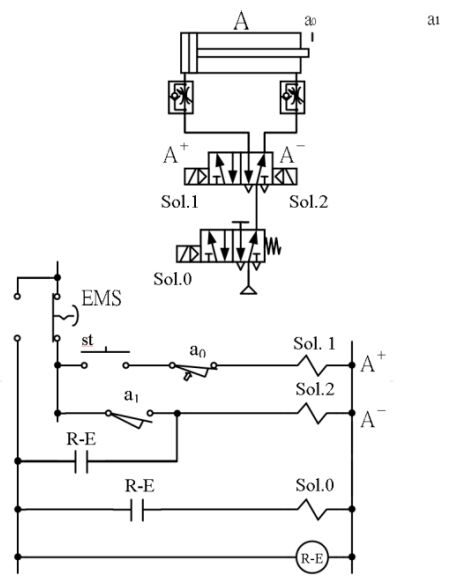
172. 下圖氣壓迴路搭配電路圖,當按下 EMS 急停鈕時,下列敘述何者正確?
(A)氣壓缸立即退回 a0 後限位置 (B)五口二位雙邊電磁閥切換至右側位置,但氣壓缸就地停止 (C)五口二位雙邊電磁閥不切換,氣壓缸就地停止(D)五口二位雙邊電磁閥不切換,氣壓缸就地停止,待解除 EMS 急停鈕時,氣壓缸才退回 a0 後限位置 。
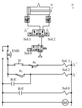
173. 下圖氣壓迴路搭配電路圖,當按下 EMS 急停鈕時,有關氣壓缸下列敘述何者正確?
(A)立即退回 a0 後限位置 (B)不是停在前限、就是後限 (C)就地停止,立即可用手輕易拉動活塞桿 (D)就地停止,經幾秒後可用手輕易拉動活塞桿 。
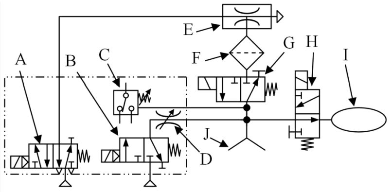
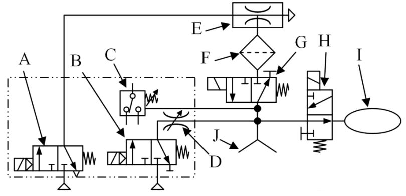
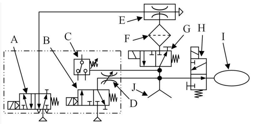
174. 下圖為一套真空產生系統,可利用常壓空氣轉換為真空壓吸取物件,請問〝A〞閥件的功能為何?
(A)真空壓力開關,檢知真空壓力高低 (B)供應常壓的壓縮空氣,以轉換真空壓力 (C)可調節真空破壞之氣流強弱 (D)供應常壓的壓縮空氣,使真空消除速度增快 。
175. 下圖為一套真空產生系統,可利用常壓空氣轉換為真空壓吸取物件,請問〝B〞閥件的功能為何?
(A)真空壓力開關,檢知真空壓力高低 (B)供應常壓的壓縮空氣,以轉換真空壓力 (C)可調節真空破壞之氣流強弱 (D)供應常壓的壓縮空氣,使真空消除速度增快 。
176. 下圖為一套真空產生系統,可利用常壓空氣轉換為真空壓吸取物件,請問〝C〞閥件的功能為何?
(A)真空壓力開關,檢知真空壓力高低 (B)供應常壓的壓縮空氣,以轉換真空壓力 (C)可調節真空破壞之氣流強弱 (D)供應常壓的壓縮空氣,使真空消除速度增快 。
177. 下圖為一套真空產生系統,可利用常壓空氣轉換為真空壓吸取物件,請問〝D〞閥件的功能為何?
(A)真空壓力開關,檢知真空壓力高低 (B)供應常壓的壓縮空氣,以轉換真空壓力 (C)可調節真空破壞之氣流強弱 (D)供應常壓的壓縮空氣,使真空消除速度增快 。
178. 下圖為一套真空產生系統,可利用常壓空氣轉換為真空壓吸取物件,請問〝E〞閥件的功能為何?
(A)可讓真空管線通道導通或關閉,當線圈激磁時通道導通 (B)以改變流道面積從大變小,當氣體流速變快時,即可獲得真空壓力,以吸引外部的物件 (C)可讓真空儲氣筒通道導通或關閉,當線圈激磁時通道關閉 (D)可阻擋外部的雜質灰塵進入真空產生器 。
179. 下圖為一套真空產生系統,可利用常壓空氣轉換為真空壓吸取物件,請問〝F〞閥件的功能為何?
(A)可讓真空管線通道導通或關閉,當線圈激磁時通道導通 (B)以改變流道面積從大變小,當氣體流速變快時,即可獲得真空壓力,以吸引外部的物件 (C)可讓真空儲氣筒通道導通或關閉,當線圈激磁時通道關閉 (D)可阻擋外部的雜質灰塵進入真空產生器 。
180. 下圖為一套真空產生系統,可利用常壓空氣轉換為真空壓吸取物件,請問〝G〞閥件的功能為何?
(A)可讓真空管線通道導通或關閉,當線圈激磁時通道導通 (B)以改變流道面積從大變小,當氣體流速變快時,即可獲得真空壓力,以吸引外部的物件 (C)可讓真空儲氣筒通道導通或關閉,當線圈激磁時通道關閉 (D)可阻擋外部的雜質灰塵進入真空產生器 。
181. 下圖為一套真空產生系統,可利用常壓空氣轉換為真空壓吸取物件,請問〝H〞閥件的功能為何?
(A)可讓真空管線通道導通或關閉,當線圈激磁時通道導通 (B)以改變流道面積從大變小,當氣體流速變快時,即可獲得真空壓力,以吸引外部的物件 (C)可讓真空儲氣筒通道導通或關閉,當線圈激磁時通道關閉 (D)可阻擋外部的雜質灰塵進入真空產生器 。
182. 下圖為一套真空產生系統,可利用常壓空氣轉換為真空壓吸取物件,請問〝I〞閥件的功能為何?
(A)可讓真空管線通道導通或關閉,當線圈激磁時通道導通 (B)儲存真空壓力,可延長真空消失的時間 (C)可讓真空儲氣筒通道導通或關閉,當線圈激磁時通道關閉 (D)可提高吸取物件的氣密性,使用軟質橡膠材質製作而成 。
183. 下圖為一套真空產生系統,可利用常壓空氣轉換為真空壓吸取物件,請問〝J〞閥件的功能為何?
(A)可讓真空管線通道導通或關閉,當線圈激磁時通道導通 (B)儲存真空壓力,在緊急停止時可延長真空消失的時間(C)可讓真空儲氣筒通道導通或關閉,當線圈激磁時通道關閉 (D)可提高吸取物件的氣密性,使用軟質橡膠材質製作而成 。
184. 下圖為一套可吸取物件的真空系統,請問 G、H 兩個閥件裝配於真空系統管線上,若在業界一時找不到原來相同型式閥件,如要用替代品,下列何者可替代?
(A)
(B)
(C)
(D)
。
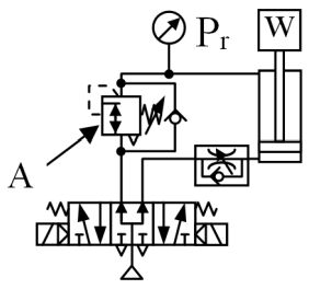
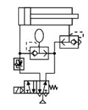
185. 下圖迴路名稱何者最適宜?
(A)變速 (B)平衡 (C)衝擊 (D)鎖固迴路 。
186. 下圖迴路有何種功能?
(A)在電磁閥兩邊線圈都不激磁時,可使物件停止於行程中間任何位置,且用手又可輕易移動 (B)可使氣壓缸伸出時,獲得較快的移動速度 (C)在電磁閥兩邊線圈都不激磁時,可將物件牢固地鎖定於行程中間任何位置,且用手移動後又能回原處 (D)在行程中間可改變氣壓缸的移動速度 。
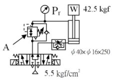
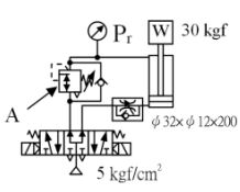
187. 下圖迴路欲使物件停止於行程中間任何位置,Pr 需有多少壓力?
(A)1.5(B)2.5 (C)3.5 (D)4.5 kgf/cm
2
。
188. 下圖迴路欲使物件停止於行程中間任何位置,Pr 需有多少壓力?
(A)1.5(B)2.5 (C)3.5 (D)4.5 kgf/cm
2
。
189. 下圖迴路欲使物件停止於行程中間任何位置,Pr 需有多少壓力?(A)1.5(B)2.5 (C)3.5 (D)4.5 kgf/cm
2
。
190. 下圖迴路欲使物件停止於行程中間任何位置,Pr 需有多少壓力?
(A)1.5(B)2.5 (C)3.5 (D)4.5 kgf/cm
2
。
191. 哪個迴路與下圖迴路有相同之功能?
(A)
(B)
(C)
(D)
。
192. 在業界欲維修下圖之迴路,若找不到相同之 5/3 閥件,可用下列哪個閥件來替代,並保有與原迴路幾乎相同的控制方式?
(A)
(B)
(C)
(D)
。
193. 下圖迴路名稱何者最適宜?
(A)變速 (B)平衡 (C)衝擊 (D)鎖固 迴路。
194. 下圖迴路有何種功能?
(A)在電磁閥兩邊線圈都不激磁時,可使物件停止於行程中間任何位置,且用手又可輕易移動 (B)可使氣壓缸伸出時,獲得較快的移動速度 (C)在電磁閥兩邊線圈都不激磁時,可將物件牢固地鎖定於行程中間任何位置,且用手移動後又能回原處 (D)在行程中間可改變氣壓缸的移動速度 。
195. 哪個迴路與下圖迴路有相同之功能?
(A)
(B)
(C)
(D)
。
196. 在業界欲維修下圖之迴路,若找不到相同之 5/3 閥件,可用下列哪個閥件來替代,並保有與原迴路相同的控制方式?
(A)
(B)
(C)
(D)
。
197. 下圖迴路名稱何者最適宜?
(A)變速 (B)平衡 (C)衝擊 (D)鎖固 迴路。
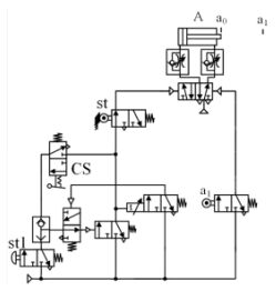
198. 下圖迴路有何種功能?
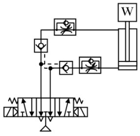
(A)在電磁閥兩邊線圈都不激磁時,可使物件停止於行程中間任何位置,且用手又可輕易移動 (B)可使氣壓缸伸出時,獲得較快的移動速度 (C)在電磁閥兩邊線圈都不激磁時,可將物件牢固地鎖定於行程中間任何位置,且用手移動後又能回原處 (D)在行程中間可改變氣壓缸的移動速度 。
199. 下圖迴路中,若僅 Sol.A 激磁會有何種功能?
(A)氣壓缸伸出時,有快速的移動速度,可獲得衝撃效果 (B)氣壓缸伸出時,有慢速的移動速度,方便於調整氣壓缸的極限閥位置 (C)氣壓缸縮回時,有快速的移動速度 (D)氣壓缸縮回時,有慢速的移動速度 。
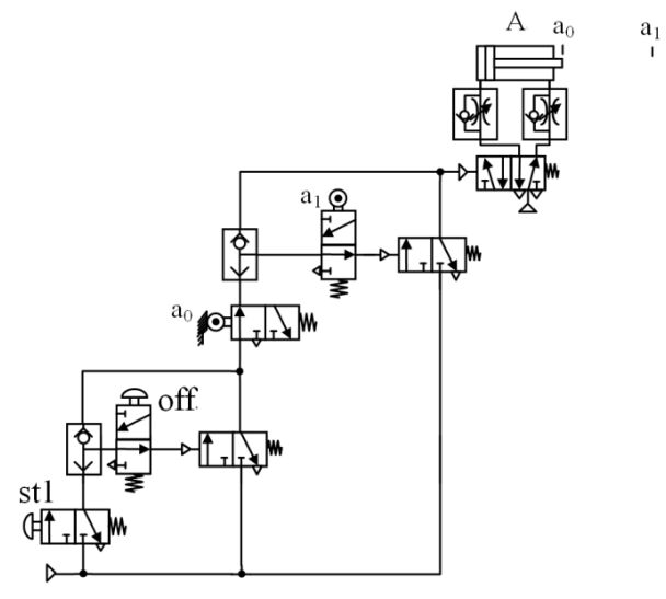
200. 下圖迴路中,若 Sol.A、Sol.C、Sol.D 激磁會有何種功能?
(A)氣壓缸伸出時,有快速的移動速度,可獲得衝撃效果 (B)氣壓缸伸出時,有慢速的移動速度,方便於調整氣壓缸的極限閥位置 (C)氣壓缸縮回時,有快速的移動速度 (D)氣壓缸縮回時,有慢速的移動速度 。
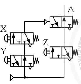
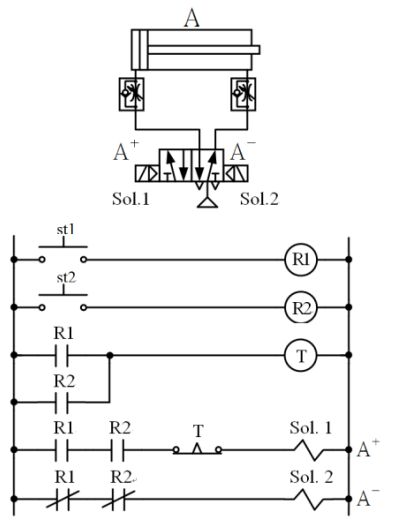
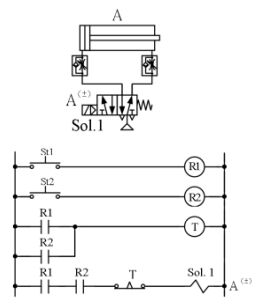
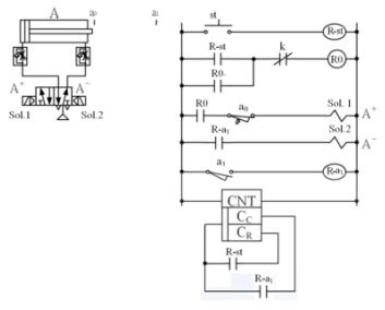
申論題 (0)
相關試卷
114年 - 08000 氣壓 乙級 工作項目 06:維修 51-78(2025/12/03 更新)#134175
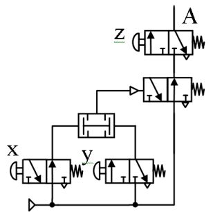
114年 · #134175
114年 - 08000 氣壓 乙級 工作項目 06:維修 1-50(2025/12/03 更新)#134174
114年 · #134174
114年 - 08000 氣壓 乙級 工作項目 05:裝配、運轉與調整 51-99(2025/12/03 更新)#134173
114年 · #134173
114年 - 08000 氣壓 乙級 工作項目 05:裝配、運轉與調整 1-50(2025/12/03 更新)#134172
114年 · #134172
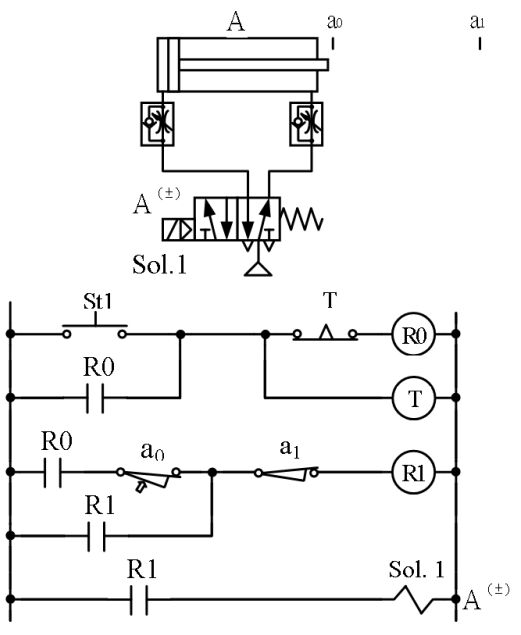
114年 - 08000 氣壓 乙級 工作項目 04:設計 201-259(2025/12/03 更新)#134171
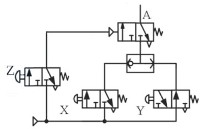
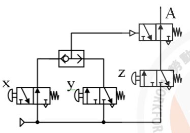
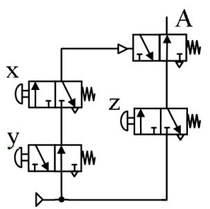
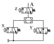
114年 · #134171
114年 - 08000 氣壓 乙級 工作項目 04:設計 101-150(2025/12/03 更新)#134169
114年 · #134169
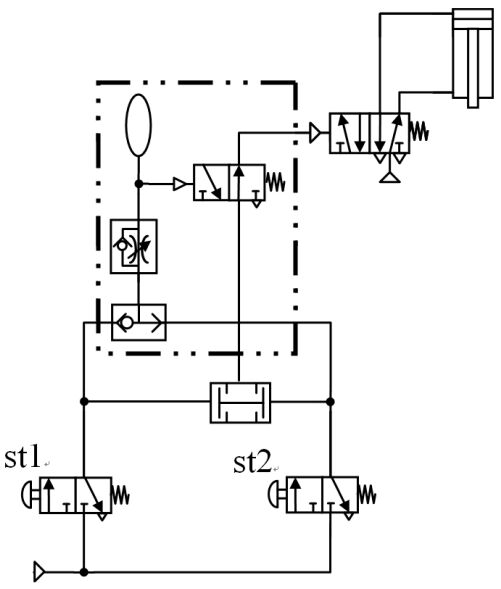
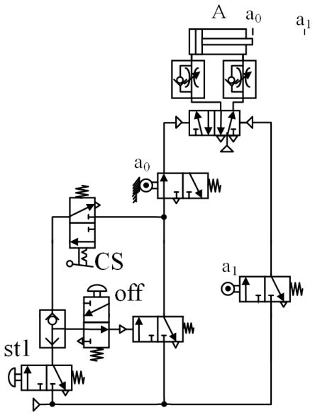
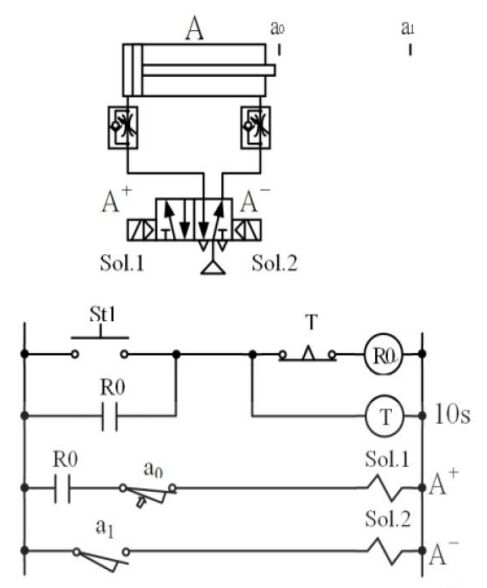
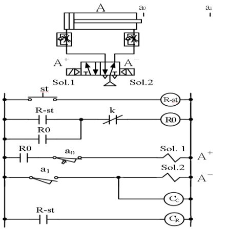
114年 - 08000 氣壓 乙級 工作項目 04:設計 51-100(2025/12/03 更新)#134168
114年 · #134168
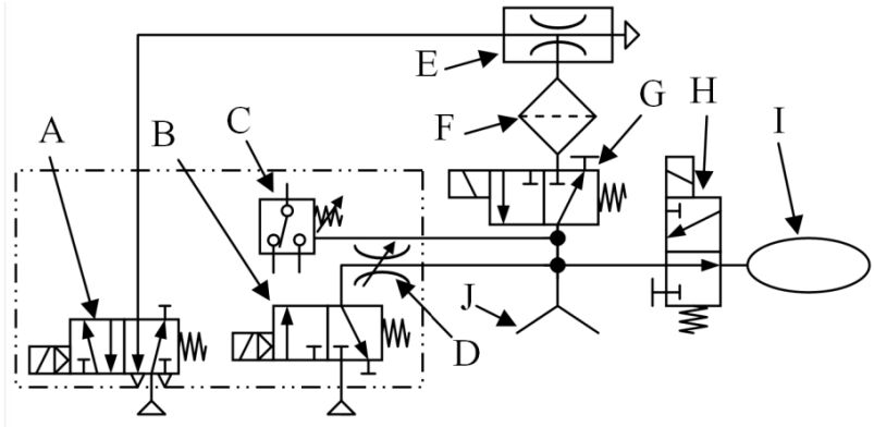
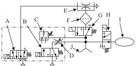
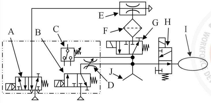
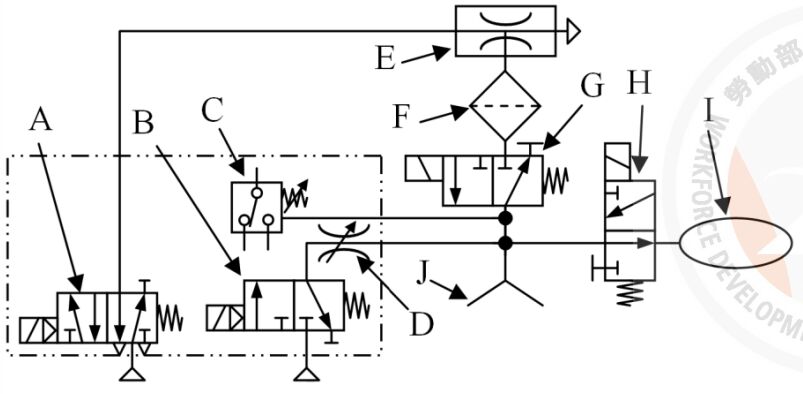
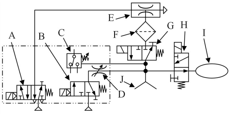
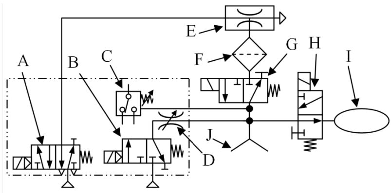
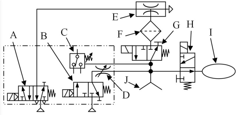
114年 - 08000 氣壓 乙級 工作項目 04:設計 1-50(2025/12/03 更新)#134167
114年 · #134167
114年 - 08000 氣壓 乙級 工作項目 03:儀表及工具使用 101-162(2025/12/03 更新)#134166
114年 · #134166
114年 - 08000 氣壓 乙級 工作項目 03:儀表及工具使用 51-100(2025/12/03 更新)#134165
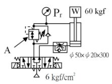
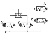
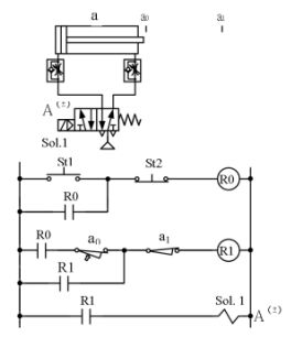
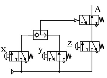
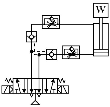
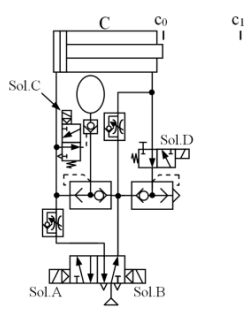
114年 · #134165