所屬科目:技檢◆氣壓-乙級
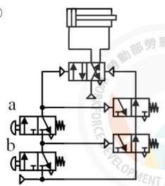
(A)氣壓缸伸出時,有快速的移動速度 (B)氣壓缸伸出時,有慢速的移動速度(C)氣壓缸伸出時,一開始快速,待活塞兩側取得穩定條件後,就有慢速的移動速度度 (D)氣壓缸伸出時,忽快忽慢,速度不穩定 。
(A)氣壓缸伸出時,有快速的移動速度,可獲得衝撃效果 (B)氣壓缸伸出時,有慢速的移動速度,方便於調整氣壓缸的極限閥位置 (C)氣壓缸縮回時,有慢速的移動速度 (D)氣壓缸縮回時,有快速的移動速度 。
(A)變速 (B)平衡 (C)衝擊 (D)鎖固迴路 。
(A)(B)(C)(D) 。
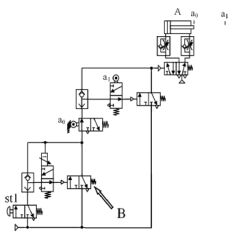
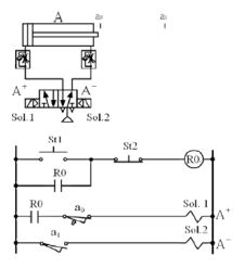
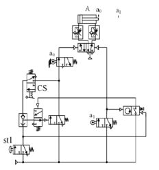
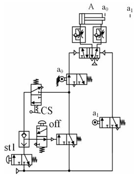
(A)CS 選擇閥在不導通狀態、壓按一下 st1 時,氣壓缸伸出一段時間後,才退回 a0停止(B)CS 選擇閥在導通狀態、壓按一下 st1 時,氣壓缸伸出、退回連續往復動作,直到壓按一下 off 閥,才退回 a0停止 (C)CS 選擇閥在導通狀態、壓按一下 st1 時,氣壓缸伸出、退回往復動作一次即停止 (D)CS 選擇閥在不導通狀態、壓按一下 st1 時,氣壓缸伸出、退回往復動作一次即停止 。
(A)CS 選擇閥在不導通狀態、壓按一下 st1 時,氣壓缸伸出、退回往復動作一次即停止 (B)CS 選擇閥在不導通狀態、壓按一下 st1 時,氣壓缸伸出一段時間後,才退回 a0停止 (C)CS 選擇閥在導通狀態、壓按一下 st1 時,氣壓缸伸出、退回往復動作,直到延時閥計時已到,退回 a0停止 (D)CS 選擇閥在導通狀態、壓按一下 st1 時,氣壓缸伸出、退回往復動作一次即停止 。
(A)氣壓缸伸出、退回連續往復動作 (B)氣壓缸伸出、退回連續往復動作一段時間後,自動退回 a0停止 (C)連續往復動作時,直到壓按一下off 閥後,氣壓缸退回 a0停止 (D)氣壓缸伸出、退回往復動作,在達到預定次數後,自動退回 a0停止 。
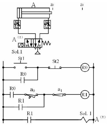
(A)氣壓缸伸出一段時間後,才退回 a0停止 (B)B 閥件為啟動後,啟動訊號自保持之用 (C)氣壓缸伸出、退回往復動作,一段時間後氣壓缸伸出,碰觸 a1停止 (D)氣壓缸伸出、退回往復動作,一段時間後氣壓缸退回 a0停止 。
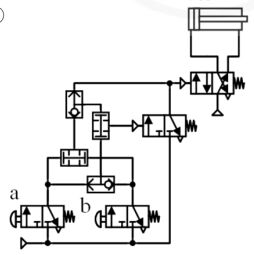
(A)CS 選擇閥在導通狀態、氣壓缸伸出、退回往復動作一段時間後,才退回 a0停止 (B)CS 選擇閥在導通狀態、壓缸伸出、後退往復動作,在達到預定次數後,氣壓缸退回 a0停止 (C)CS 選擇閥在不導通狀態、氣壓缸伸出、退回往復動作,在達到預定次數後,氣壓缸可於任意位置停止 (D)CS 選擇閥在不導通狀態、氣壓缸伸出、退回往復動作一次後,退回 a0位置停止 。
(A)B 閥件為氣壓缸伸出、退回往復動作自保持之用 (B)氣壓缸伸出、退回往復動作,在達到預定次數後,氣壓缸伸出至 a1位置停止 (C)氣壓缸伸出、退回往復動作,在達到預定次數後,氣壓缸退回 a0位置停止 (D)氣壓缸伸出、退回往復動作,在達到預定次數後,氣壓缸可於任意位置停止 。
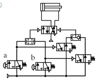
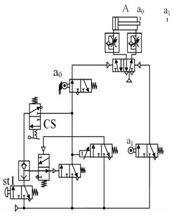
(A)在壓按一下 st1 時,氣壓缸伸出、退回連續往復動作 (B)在壓按一下 st1 時,氣壓缸伸出、退回往復動作,在達到預定次數後,氣壓缸退回 a0停止 (C)在壓按一下 st2後,氣壓缸伸出至 a1時,自動停止 (D)在壓按一下 st2 後,氣壓缸退回至a0時,自動停止 。
(A)在壓按一下 st1 時,氣壓缸伸出、退回往復動作,在達到預定次數後,氣壓缸退回 a0停止 (B)在壓按一下 st1 時,氣壓缸伸出、退回連續往復動作 (C)在壓按一下 st2後,氣壓缸退回至 a0時,自動停止 (D)在壓按一下 st2 後,氣壓缸伸出至a1時,自動停止 。
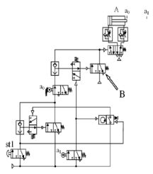
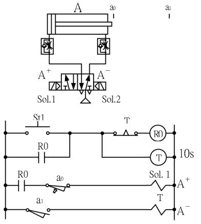
(A)氣壓缸在伸出一段時間(10s)後,才退回 a0停止 (B)等待一段時間(10s)後,氣壓缸才伸出,碰觸 a1退回 a0停止 (C)氣壓缸伸出、退回往復動作,一段時間(10s)後氣壓缸退回a0,自動停止 (D)氣壓缸伸出、退回往復動作共 4 次 。
(A)氣壓缸在伸出一段時間(10s)後,才退回後限(a0)停止 (B)氣壓缸伸出、退回往復動作,一段時間(10s)後氣壓缸退回後限(a0),自動停止 (C)等待一段時間(10s)後,氣壓缸才伸出,碰觸前限(a1)退回後限(a0)停止 (D)氣壓缸伸出、退回往復動作共 3次 。
(A)TA:前耳軸型 (B)FB:後法蘭型 (C)CA:環首(單山)型 (D)LB:腳座型 。
(A)左側輸入正電源,右側連接負載,在感測時感測器會導通,同時LED 燈亦會亮 (B)右側輸入正電源,左側連接負載,在感測時感測器會導通,同時 LED 燈亦會亮 (C)左側輸入正電源,右側連接負電源,在感測時感測器會有燒毀之虞 (D)左側輸入正電源,右側連接負載,在感測時感測器會導通,但 LED 燈不亮 。
(A)沒有感測到物件時,V1=0V、V2≒24V (B)沒有感測到物件時,V1≒24V、V2=0V (C)若有感測到物件時,V1=0V、V2≒24V(D)若有感測到物件時,V1≒24V、V2=0V 。