所屬科目:技檢◆氣壓-乙級
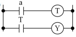
(A)OR (B)AND (C)記憶 (D)計數
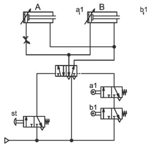
(A)單次動作 A+A- (B)連續循環動作[A+A-] (C)不能動作 (D)延時回程 A+A- 。
(A)作動 a1 及 b1 開關 (B)作動a1 或 b1 開關 (C)不能後退 (D)作動 a1 。
(A)A 缸出力 1000N,則 B 力 2000N (B)A 缸行程 100mm,則 B 力行程 50mm (C)A 缸速率 12mm/s,則 B 力速率 12mm/s (D)A 缸後退,則 B力方向與圖示相反 。
(A)A 缸出力 1000N,B 缸出力 1500N (B)A 缸移動距離160mm,B 缸移動距 100mm (C)A 缸移動速率 20mm/sec,B 缸移動速率10mm/sec (D)A 缸後退時,B 缸移動方向向下 。
(A)FB (B)CB (C)LB (D)FA 。
(A)A 缸出力 1500N,B 缸出力 1000N (B)A 缸移動距離100mm,B 缸移動距離 200mm (C)A 缸移動速率 20mm/sec,B 缸移動速率 10mm/sec (D)A 缸後退時,B 缸移動方向向下 。
(A)A 缸出力 1000N,B 缸出力 1500N (B)A 缸移動距離100mm,B 缸移動距離 200mm (C)A 缸後退時,B 缸移動方向向下 (D)A缸移動速率 10mm/sec,B 缸移動速率 15mm/sec 。
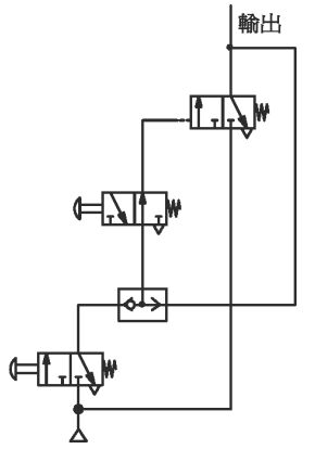
(A)3/4R (B)4/3R (C)4R (D)3/2R 。
(A)=1 安培,=2 安培 (B)=2 安培,=1 安培 (C)=2安培 (D)=1 安培 。
(A)1A (B)2A (C)3A (D)4A 。
(A)IA=1.5A、IB=2.5A (B)IA=2.5A、IB=1.5A (C)IA=IB=2.5A (D)IA=IB=1.5A 。
(A)5A (B)4A (C)2.5A (D)1.5A 。
(A)OR (B)XOR (C)AND (D)NOR