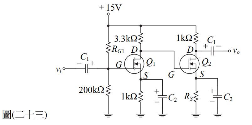
37. 如圖(二十三)所示串級放大電路,MOSFET Q1之參數K1=0.5mA/V²、臨界電壓Vt1=2V,Q2之參數K2=4 mA/V²、臨界電壓Vt2=1 V,若兩電晶體皆操作於飽和區且 Q1工作點之汲極電流ID1=2 mA、 Q2 工作點之汲極電流ID2=4 mA,則放大電路之電壓增益 vo/vi為何?
(A)6.6
(B)8.0
(C)14.6
(D)52.8

答案:登入後查看
統計: 尚無統計資料