題組內容
六、請回答下列問題:

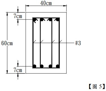
(一)有一 RC 梁斷面為 40 cmX60 cm,在不配置剪力鋼筋,且無須考慮不均勻沉陷、潛 變、乾縮及溫差等影響,此梁可承受最大設計剪力值Vu為何?( fcʹ= 280 kgf/cm2 ) (5分)(計算至小數點後第1位,以下四捨五入)
詳解 (共 1 筆)
詳解
樓上是對的