阿摩線上測驗
登入
首頁
>
電子學
>
111年 - 111 專技高考_電子工程技師:電子學#111980
>
題組內容
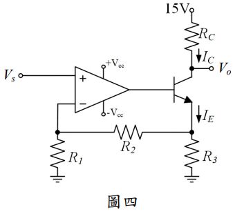
四、如圖四所示電路,假設運算放大器為理想元件,BJT 之β值非常大(β=∞) , R
1
=R
2
=R
3
=R=2kΩ,R
C
=R/5,若 V
s
=5V,請問
(一) I
C
=?(10 分) ,
其他申論題
(四) vo/vs(5 分) 。
#479869
(一)回授因子(feedback factor)β(5 分) ,
#479870
(二)開路增益(open-loop gain)AV(10 分) ,
#479871
(三)閉路增益(closed-loop gain)(5 分) 。
#479872
(二) Vo=? (10 分)
#479874
(一) 為何值?(10 分) , 及
#479875
(二) 為何值?(10 分)
#479876
一、請求解一冪次流體(power-law fluid)流經一半徑為 R,長度為 L 之水平 圓管之流場及體積流率。進口及出口之壓力分別為p0 及pL 。對於冪次流體而言, 。(25 分)
#479877
二、手術室內一裝置可將血冷卻,由盤繞線管(coiled tube)沉浸在冰浴(ice bath)中組成。此裝置將流速為 0.006 m3/h 之血由 40℃冷卻至30℃。盤 繞線管之內徑(inside diameter)為 2.7 mm,外徑(outside diameter)與 內徑相近,管壁之熱阻力可忽略,管外側與冰浴間之熱傳係數(heat transfer coefficient)為 450 W/m2 ∙K。管內之流動為層流(laminar flow)時, ;為紊流(turbulent flow)時,Nu = 0.023 , 其中 Nu 為紐塞數(Nusselt number) ,Re 為雷諾數(Reynolds number) , Pr 為普朗特數(Prandtl number) ,D 為內徑,L 為管長。血之物性如下: 密度 ρ = 1000 kg / m3 ,熱傳導度(thermal conductivity) k = 0.5 W / m.K , 比熱 Cp= 4.0 kJ / kg.K ,運動黏度(kinematic viscosity)。 請問盤繞線管所需長度為何?(25 分)
#479878
三、一將半鹹水(brackish water)純化之逆滲透(reverse osmosis)裝置有 900,000 個中空纖維(hollow fiber) ,容許水經由中空纖維擴散(diffusion) , 但鹽無法經其擴散。中空纖維管外徑(outside diameter)85 μm,內徑 (inside diameter)42 μm,長 3 ft。每 24 小時流經中空纖維管之平均量 為 2,000 gal,進料壓力為 400 psig。請問中空纖維管進口端至出口端之 壓力降為多少? 對於層流(laminar flow)而言,泛寧磨擦係數(Fanning friction factor)f 與雷諾數(Reynolds number)Re 間之關係式為 f = 16/Re; 對於紊流(turbulent flow)而言,。半鹹水之密度為 1.012 g/cm3, 黏度(viscosity)約為 1 cp。單位換算:1 ft = 12 in.,1 in. = 2.54 cm, 1 lb = 0.45359 kg,1 poise = 0.0672 lb/ft∙s,1 ft3=7.481 gal=28.316 L, 1 g/cm3= 62.428 lb/ft3,g = 9.8 m/s2 = 32.174 ft/s2 。 (25 分)
#479879