阿摩線上測驗
登入
首頁
>
國營事業◆自動控制
>
109年 - 109 中央印製廠_新進人員甄試_電機工程員:自動控制#88108
> 申論題
申論題
試卷:109年 - 109 中央印製廠_新進人員甄試_電機工程員:自動控制#88108
科目:國營事業◆自動控制
年份:109年
排序:8
申論題資訊
試卷:
109年 - 109 中央印製廠_新進人員甄試_電機工程員:自動控制#88108
科目:
國營事業◆自動控制
年份:
109年
排序:
8
題組內容
貳、
申論題內容
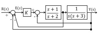
(1) 求上圖之轉移函數Y(s)/R(s)、E(s)/R(s)。