阿摩線上測驗
登入
首頁
>
靜力學概要與材料力學概要
>
104年 - 104 地方政府特種考試_四等_土木工程:靜力學概要與材料力學概要#35399
> 申論題
題組內容
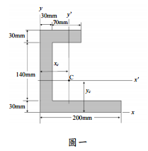
一、一不對稱 C 型梁斷面尺寸及描述座標軸如圖一所示,其中x − y軸為梁底端點參考座 標軸,x'−y'軸為通過斷面形心之形心軸,試求:
⑴梁斷面之形心位置C(x
c
,y
c
) 。(10 分)
相關申論題
四、如圖示之托架,力量 F1 = 70 N , F2 = 30 N 分別作用於 B,D 兩點,求此力系之合力向量 ,及對 O 點之合力矩向量。(25 分)
#505350
三、如圖示,垂直桿 ABC 為非等截面。AB 段:長度 L1 ,截面積 A1 ,楊氏模數為 E ;BC 段:長度 L2 ,截面積 A2 ,楊氏模數為 E 。水平桿 BDE 為剛性桿。外力 P1 及 P2 分別作用於 C 點及 E 點。求:B 點垂直方向位移, C 點垂直方向位移,E 點垂直方向位移。(25 分)
#505349
二、重為W 之物體放在傾斜θ角之斜面上,如圖所示。物體與斜面間的最大靜摩擦角為,且 > q ,則使物體產生臨界運動(impending motion) 之最小水平力 Q = ? (25 分)
#505348
一、如圖之截面,求此截面對 x 軸、 y 軸之面積慣性矩,及面積慣性積。(25 分)
#505347
四、兩 種分別為 圓形( 直徑 D)及方 形(邊 長 B)的 均 質 彈性 材料 斷 面 (如圖 4 所示) 。若兩種斷面承受相同之彎矩,且其最大彎曲應力相同, 則圓形斷面直徑 D 與方形斷面邊長 B 之關係為何?又若兩種斷面承受 相同之剪力,且其最大剪應力相同,則 D 與 B 之關係為何?(25 分)
#480984
三、一邊長 40 cm,厚度為 2 cm 之方形鋼管短柱,內部充填混凝土(如 圖 3 所示)。設鋼管彈性模數 Es = 2.0×106 kgf/cm2,混凝土彈性模數 Ec = 3.5×105 kgf/cm2。現該柱承受一無偏心之軸向壓力 P = 400 tf,試分 別求鋼管及混凝土之平均軸向應力。(25 分)
#480983
二、一底為 20 cm,高為 15 cm 之等腰三角形斷面,現於其底部開一10 ✖ 5 cm 對稱方孔(如圖 2 所示) 。請分別求其對方孔頂部平行於底部之 x 軸,及 對垂直對稱軸(y 軸)的慣性矩。(25 分)
#480982
一、如圖 1 所示四根均質鋼線對稱懸吊一剛體。若所有鋼線之性質均相同, 在拉力 P = 40 kN 作用之下,試分別求 A、B、C、D 各鋼線之軸向力。 (25 分)
#480981
四、有一 ABCDE 梁如下圖所示,A 點為鉸支撐,C 點為滾支撐。設集中載 重 P = 100 N、Q = 200 N,均佈載重 q = 100 N/m。試求梁 A 點及 C 點之 反力及反力作用方向,並繪製此梁之剪力圖及彎矩圖。(25 分)
#444208
三、有一軸向桿件 ABC 受集中力 P 如下圖所示,AB 段及 BC 段皆為正方形 斷面且 AB 段之斷面積為 9 cm 2 ,BC 段之斷面積為 4 cm 2 。桿件 ABC 為 同一材料所組成,材料之楊氏係數 E = 200 GPa。如 L = 1 m,BC 段之軸 向應變為 ,試求 BC 段之伸長量、集中力 P 之值、BC 段之軸向應 力、AB 段之軸向應力及 AB 段之伸長量。(25 分)
#444207
相關試卷
112年 - 112 地方政府特種考試_四等_土木工程:靜力學概要與材料力學概要#118356
112年 · #118356
111年 - 111 地方政府特種考試_四等_土木工程:靜力學概要與材料力學概要#112293
111年 · #112293
110年 - 110 地方政府特種考試_四等_土木工程:靜力學概要與材料力學概要#104835
110年 · #104835
109年 - 109 地方政府特種考試_四等_土木工程:靜力學概要與材料力學概要#94612
109年 · #94612
108年 - 108 地方政府特種考試_四等_土木工程:靜力學概要與材料力學概要#81277
108年 · #81277
107年 - 107 地方政府特種考試_四等_土木工程:靜力學概要與材料力學概要#73394
107年 · #73394
106年 - 106 地方政府特種考試_四等_土木工程:靜力學概要與材料力學概要#66825
106年 · #66825
105年 - 105 地方政府特種考試_四等_土木工程:靜力學概要與材料力學概要#58621
105年 · #58621
104年 - 104 地方政府特種考試_四等_土木工程:靜力學概要與材料力學概要#35399
104年 · #35399
103年 - 103 地方政府特種考試_四等_土木工程:靜力學概要與材料力學概要#31177
103年 · #31177