阿摩線上測驗
登入
首頁
>
結構學概要與鋼筋混擬土學概要
>
95年 - 95 地方政府特種考試_四等_土木工程:結構學概要與鋼筋混凝土學概要#32390
> 申論題
題組內容
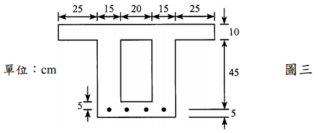
三、有一箱形鋼筋混凝土梁斷面如圖三所示,f ′
c
= 280 kg/cm
2
,f
y
= 4200 kg/cm
2
,E
s
= 2.04×10
6
kg/cm
2
。
⑴此梁之平衡鋼筋面積為何?
相關申論題
⑵若鋼筋總面積為 As = 60.36 cm2 , 試計算此斷面之標稱彎矩(Nominal Moment)Mn及鋼筋之應力。(25 分)
#75461
四、試繪製圖四梁之剪力圖和彎矩圖。
#560918
三、圖三為 1 m 寬之單向板斷面,相當於無剪力筋之梁,底層 D13 鋼筋間距 25 cm,D13 鋼筋單根斷面積為 1.267 cm2,降伏強度= 4200 kgf/cm2, 常重混凝土規定抗壓強度=280 kgf/cm2。試依規範求此斷面之剪力設計強度 。
#560917
二、圖二為一鋼筋混凝土梁,主筋分成二層排列,由梁頂面至底層 7 支 D32 鋼筋中心之深度為 83 cm,至第二層 2 支 D32 鋼筋深度為 76 cm。 試求斷面之有效深度 d 為若干?另試依規範計算斷面之彎矩設計強度 =?已知混凝土規定抗壓強度=280 kgf/cm2 ,鋼筋降伏強度 = 4200 kgf/cm2,單支 D32 鋼筋截面積為 8.143 cm2。
#560916
一、如圖一所示之平面桁架橋梁,A 點為鉸支承,I 點為滾支承,其他各點皆為鉸接,載重作用在 EFGH 四點各 20 kN。試求 A 點和 I 點之垂直反力, 並取適當位置切斷面取自由體,求出桿件 EF、EN 和 MN 的軸力。
#560915
四、受撓曲作用之矩形斷面鋼筋混凝土梁 , 梁寬 b = 32 cm , 有效深度 d = 43 cm , 混凝土抗壓強度 = 280 kgf / cmQ , 鋼筋降 伏強度 = 4200 kgf / cm2 ,斷面承受靜載重彎矩 M = 9 tf - m ,配置一層拉力鋼筋,拉力鋼筋總面積為 = 20.3 cm2 。求此矩形斷面之彎矩計算強度 及容許之最大活載重彎矩。 (提示:U = 1.2 D + 1.6 L )
#553213
三、鋼筋混凝土橫箍筋矩形柱,已知在 = 0.003、拉力筋應變 = 0.002 的極限狀態下,柱彎矩計算強度 = 63 tf - m 、軸壓計算強度 = 230 tf 。 矩形柱的簡易軸力-彎矩計算強度互制圖,如下圖所示由 ab 及 bc 二線段組成。當柱斷面軸壓計算強度 = 380 tf ,試應用簡易軸力-彎矩計算強度互制圖,求此時柱斷面所能容許之最大設計彎矩。
#553212
二、如圖所示梁桿件,a 點為固定端,b 點及 c 點為滾支承,桿件有相同彈性模數 E 與慣性矩 I,且 EI = 9600 kN - m2 。求 ab 桿件的端點彎矩、c 點 支承反力及畫 bc 桿件的彎矩圖。 (提示:已知 b 點轉角 = 0.002 、 )
#553211
一、如圖所示梁桿件,a 點為鉸支承,c 點及 e 點為滾支承,d 點為鉸接。畫各支承垂直反力、b 點斷面彎矩及剪力的影響線。
#553210
四、受撓曲作用之矩形斷面鋼筋混凝土梁 , 梁 寬 b= 32 cm ,有效深度d = 44 cm , 混凝土抗壓強度 f'c= 280 kgf/cm2,鋼筋降伏強度fy = 4200 kgf/ cm2,斷面承受靜載重彎矩 MD=9 tf -m 及活載重彎矩ML=12.5 tf -m。求此斷面設計彎矩 M u 及規範規定之最少鋼筋量。(25分)(提示:U=1.2 D+1.6 L ;bd 取大值)
#553098
相關試卷
114年 - 114 地方政府公務、離島地區公務特種考試_四等_土木工程:結構學與鋼筋混凝土學概要#134785
114年 · #134785
114年 - 114 原住民族特種考試_三等_土木工程:結構學與鋼筋混凝土學#130980
114年 · #130980
114年 - 114 原住民族特種考試_四等_土木工程:結構學與鋼筋混凝土學概要#130949
114年 · #130949
114年 - 114 普通考試_土木工程:結構學與鋼筋混凝土學概要#128751
114年 · #128751
114年 - 114 身心障礙特種考試_四等_土木工程:結構學與鋼筋混凝土學概要#126635
114年 · #126635
113年 - 113-2 國營臺灣鐵路股份有限公司_從業人員甄試試題_第10階-助理技術員-土木工程:結構學概要與鋼筋混凝土學大意#137204
113年 · #137204
113年 - 113 國營臺灣鐵路股份有限公司_從業人員甄試_第 10 階-助理技術員-土木工程:結構學概要與鋼筋混凝土學大意#137172
113年 · #137172
113年 - 113 地方政府公務、離島地區公務特種考試_四等_土木工程:結構學與鋼筋混凝土學概要#124558
113年 · #124558
113年 - 113 地方政府公務、離島地區公務特種考試_四等_土木工程:結構學與鋼筋混凝土學概要#124322
113年 · #124322
113年 - 113 原住民族特種考試_三等_土木工程:結構學與鋼筋混凝土學#122674
113年 · #122674