阿摩線上測驗
登入
首頁
>
結構分析(包括材料力學與結構學)
>
102年 - 102年司法人員考司法人員特考三等_檢察事務官營繕工程組#25985
> 申論題
題組內容
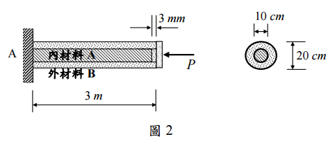
二、如圖 2 所示,一標稱長度為 3m 之圓形斷面均質彈性材料 A,其外層包覆另一均質 彈性材料 B,但二者並未粘接。兩者之斷面直徑分別為 10 cm 及 20 cm,其彈性模 數則分別為 E
A
= 50 GPa 及 E
B
= 100 GPa。若內材料 A 之實際長度短了 3 mm,試分 別求當
⑶又當 P 為多少 kN 時,材料 A 及 B 之軸向應力相等。(10 分)
相關申論題
⑴支承端斷面 A 之軸向應力分佈(15 分);
#39899
⑵該斷面中性軸(N.A.) 之位置。(5 分)
#39900
⑶又若此材料之張力及壓力降伏強度皆為 280MPa,試求其安全 因數。(5 分)
#39901
⑴ P = 20 kN 及
#39902
⑵ P = 40 kN 作用之下,材料 A 及 B 之軸向應力。(15 分)
#39903
⑴B 點所施加之集中載重 P 與 CDEF 間之均佈載重 q 各應為若干?(15 分)
#39905
⑵請繪出剪力及彎矩圖。(10 分)
#39906
⑴試分 析此梁,並繪製剪力及彎矩圖。(15 分)
#39907
⑵求自由端 B 點之垂直變位。(10 分)
#39908
(二)自由端 C 之垂直位移。
#560653
相關試卷
114年 - 114 離島地區公務特種考試_三等_土木工程:材料力學與結構學#134741
114年 · #134741
114年 - 114 專技高考_土木工程技師:結構分析(包括材料力學與結構學)#133668
114年 · #133668
114年 - 114 司法特種考試_三等_檢察事務官營繕工程組:結構分析(包括材料力學與結構學)#129563
114年 · #129563
114年 - 114 調查特種考試_三等_營繕工程組:結構分析(包括材料力學與結構學)#129558
114年 · #129558
113年 - 113 離島地區公務特種考試_三等_土木工程:材料力學與結構學#124492
113年 · #124492
113年 - 113 專技高考_土木工程技師:結構分析(包括材料力學與結構學)#123926
113年 · #123926
113年 - 113 調查特種考試_三等_營繕工程組:結構分析(包括材料力學與結構學)#122120
113年 · #122120
113年 - 113 司法特種考試_三等_檢察事務官營繕工程組:結構分析(包括材料力學與結構學)#122107
113年 · #122107
112年 - 112 專技高考_土木工程技師:結構分析(包括材料力學與結構學)#117636
112年 · #117636
112年 - 112 司法特種考試_三等_檢察事務官營繕工程組:結構分析(包括材料力學與結構學)#116196
112年 · #116196