阿摩線上測驗
登入
首頁
>
技檢◆氣壓-乙級
> 100年 - 1 0 0 年度0 8 0 0 0 氣壓乙級技術士技能檢定學科測試試題#8978
100年 - 1 0 0 年度0 8 0 0 0 氣壓乙級技術士技能檢定學科測試試題#8978
科目:
技檢◆氣壓-乙級 |
年份:
100年 |
選擇題數:
73 |
申論題數:
0
試卷資訊
所屬科目:
技檢◆氣壓-乙級
選擇題 (73)
下圖欲保護方向閥不受外界粉塵污染,應在哪個位置安裝過濾裝置:(A) A (B) A 和B (C) A 和C (D)B 和C 。
廠區溫度3 0 ℃,軟管外緣發生水滴沾附,可能成因是(A) 管內壓力6 k g / c m (B) 管內溫度4 5 ℃ (C) 管內壓力3 k g / c m (D) 管內溫度5 ℃ 。
以手抬重物時, 一定要曲膝背直, 其目的為(A) 美觀(B) 運動(C) 防止腰部受傷(D) 防止頭暈。
勞工安全衛生法之盡義務主體為下列何者? (A) 勞工(B) 雇主(C) 承包商(D) 業主
推動搖桿機構的氣壓缸應該選用(A) L A (B) L B (C) F A (D) T A 形式的才恰當。
要鎖緊螺帽, 應使用下列何種工具最適宜? (A) 鯉魚鉗(B) 固定扳手(C) 尖嘴鉗(D) 老虎鉗。
下圖A 氣壓缸推動一不撓曲槓桿, 在B 方向產生工作能, 下列敘述何者有誤? (A) A 缸出力1 0 0 0 N , 則B 力2 0 0 0 N (B) A 缸行程1 0 0 m m , 則B 力行程5 0 m m (C) A 缸速率1 2 m m / s , 則B 力速率1 2 m m / s (D) A 缸後退, 則B 力方向與圖示相反。
左圖表示 (A) N O R (B) N A N D (C) X O R (D) O R 邏輯。
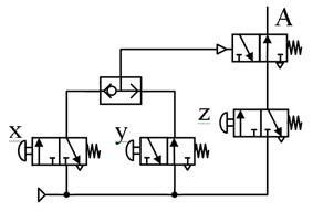
下圖電氣- 氣壓迴路,在操作s t 1、s t 2 時,下列敘述何者為真? (A) 兩者都按下氣壓缸才伸出, 兩者都放開氣壓缸才縮回(B) 其中一個按下氣壓缸就伸出, 兩者都放開氣壓缸才縮回(C) 兩者都 按下氣壓缸才伸出, 其中一個放開氣壓缸就縮回(D) 其中一個按下氣壓缸就伸出, 其中一個放 開氣壓缸就縮回的功能。
吸附式空氣乾燥機, 一般以矽膠、活性氧化鋁為吸附劑, 又稱為再生式乾燥機, 其吸收水分 原理是(A) 物理(B) 化學(C) 機械(D) 電解 過程。
以不適當的姿勢做重複性的動作, 為下列何種危害因子? (A) 化學性(B) 物理性(C) 生物性(D) 人體工學。
一只3 0 0 m A 電流表,其準確度為± 2 %,當讀數為1 2 0 m A 時,其誤差百分率為多少% ? (A) ± 0.5 (B) ± 1 (C) ± 2 (D) ± 5 。
二極體( D i o d e ) , 其本體是一個(A) N P (B) P N P (C) N P N (D) P N 接合的半導體。
電磁線圈的絕緣種類分(A) A . B . C . D . E (B) A . B . D . E . H (C) A . B . E . F . H (D) H . I . J . K . L 等五種。
在低壓感測系統中, 不可用給油器的最主要原因為(A) 氣壓式放大器內部膜片會沾黏(B) 輸送管 路會阻塞(C) 氣壓感測器發射噴嘴會阻塞(D) 氣壓感測器接收噴嘴會阻塞。
下圖是某一控制系統中啟動部份, 其中包括兩個按鈕開關及一個選擇開關。下列各種說明何 者正確? (A) 開關b 控制連續循環與停止連續循環選擇(B) 開關c 控制停止連續循環(C) 開關a 控 制單一循環啟動、開關b 控制連續啟動(D) 開關b 控制啟動與停止之選擇。
下列元件何者有調節壓力大小的功能? (A) 三點組合(B) 氣壓缸(C) 梭動閥(D) 雙壓閥。
下圖氣壓迴路, 在壓按一下s t 1 時, 下列敘述何者為真? (A) 氣壓缸伸出、後退往復動作一段時間後, 才退回後限停止(B) 氣壓缸伸出、後退往復動作, 在達到預定次數後, 氣壓缸伸出至前限位置停止(C) 氣壓缸伸出、後退往復動作, 在達到預定次數後, 氣壓缸可於任意位置停止(D) 氣壓缸伸出、後退往復動作, 在達到預定次數後, 氣壓缸退回後限位置停止。
左圖在電氣迴路中屬於(A) 優先(B)同步(C) 保持(D) 雙穩態 迴路。
電氣元件圖說標註I E C × × × , 其中I E C 表示(A) 美國電氣電子工程協會(B) 義大利規格(C) 印度規格(D) 國際電氣技術委員會。
下圖電氣- 氣壓迴路, 在壓按一下s t 1 時, 下列敘述何者為真? (A) 氣壓缸伸出、後退往復動作一段時間後, 才退回後限停止(B) 氣壓缸伸出、後退往復動作, 在達到預定次數後, 氣壓缸伸出至前限位置停止(C) 氣壓缸伸出、後退往復動作, 在達到預定次數後, 氣壓缸可於任意位置停止(D) 氣壓缸伸出、後退往復動作, 在達到預定次數後, 氣壓缸退回後限停止。
電磁電驛電路
轉換成邏輯電路符號為(A)
(B)
(C)
(D)
裝在壓縮機後主幹管上的過濾器用?(A)
(B)
(C)
(D)
一般而言, 下列量具何者精度第二高?(A)普通直尺(B) 游標尺(C) 分厘卡(D) 工具顯微鏡。
平衡型減壓閥對於壓力變動可敏感地反應, 是由於柱塞( S t e m ) 上有(A) 配(B) 通氣孔(C) 不平衡面積(D) 壓力感應彈簧 的緣故。
下圖表示(A) 電力- 氣壓轉換器(B) 氣壓- 電力轉換器(C) 氣壓- 液壓轉換器(D) 液壓- 氣壓轉換器。
下列何者不是消音器優良性能的條件? (A) 消音強度之增加不影響作動器的速度變換(B) 長期使 用其消音強度不會改變(C) 清潔時拆裝簡易(D) 排氣時機件螺栓鬆動才較安全。
欲攻M 4 × 0 . 7 之螺牙, 其攻牙前鑽之孔徑應為(A) ψ 2 . 6 (B) ψ 3 . 3 (C) ψ 3 . 8 (D) ψ 4 4 . 0 。
下圖電氣- 氣壓迴路, 在操作s t 1 、s t 2 時, 下列敘述何者為真? (A) 延長s t 1 、s t 2 操作訊號之長度(B) 提升s t 1、s t 2 操作之容易性(C) 限制s t 1、s t 2 操作之時間差(D) 方便s t 1、s t 2 可單手操作之可能性的功能。
一般壓縮空氣水平管路安裝時, 為使凝結水能順利排放, 應將管路向下傾斜(A) 1 ~ 2 % (B) 3 ~ 5% (C) 6 ~ 8 % (D) 8 ~ 1 0 % 。
空氣消耗量、未來擴充量、管線總長度( 含接頭、彎頭等) 、許可壓力降與(A) 工作壓力(B) 工作 時間(C) 氣體溫度(D) 氣體溼度 是配管管徑的選擇要素。
氣壓機器使用一段時間,若發現方向閥切換使氣壓缸活塞桿移動一段距離後,負荷w 才移動, 請問原因為(A) 活塞桿變形(B) 控制管路膨脹(C) 繩索受負荷而伸長(D) 速度控制閥性能劣化。
電晶體在數位電路中, 主要之功用為(A) 濾波(B) 振盪(C) 開關(D) 穩壓。
可達成下圖之時間關係之元件為
(A)
(B)
(C)
(D)
下圖電氣- 氣壓迴路,在壓按一下s t 1 時,下列敘述何者為真? (A) 氣壓缸伸出、後退往復動作,在達到預定次數後, 氣壓缸退回後限停止(B) 氣壓缸伸出、後退往復動作一段時間後, 才退回後限停止(C) 氣壓缸伸出、後退往復動作, 在達到預定次數後, 氣壓缸可於任意位置停止(D) 氣壓缸伸出、後退往復動作, 在達到預定次數後, 氣壓缸伸出至前限位置停止。
下列何者不是使用氣油轉換器的特點? (A) 獲得大的出力(B) 行程中間位置定位精確(C) 慢速移動 可得穩定的速度(D) 負荷如有變動仍可得穩定的速度。
有關F A - ψ 1 6 × 6 × 6 0 氣壓缸的敘述, 下列何者正確? (A) 該缸的行程為1 6 ㎜ 、缸徑ψ 6 0 ㎜ (B) 該缸的行程為1 6 ㎜ 、缸徑ψ 6 (C) 安裝氣壓缸的方式為耳軸型(D) 該缸的缸徑ψ 1 6 、行程為6 0㎜ 。
壓力儀器之刻度範圍( S c a l e r a n g e ) , 其操作範圍通常選用在(A) 0 ~ 3 0 % (B) 0 ~ 5 0 % (C) 3 3 ~ 7 5 % (D) 7 5 ~ 1 0 0 % 最為適當。
氣壓馬達與一般電動馬達相比較, 下列何者正確? (A) 氣壓馬達效率較高(B) 氣壓馬達節能效率較佳(C) 氣壓馬達轉向變化容易(D) 氣壓馬達低速轉動穩定。
測量一只含有直流電源電阻的方法, 下列何者正確? (A) 用歐姆錶(B) 用電流錶及歐姆錶(C) 用電壓錶及電流錶(D) 用電壓錶及歐姆錶。
壓縮空氣乾燥方法中, 那一種最簡單? (A) 吸收乾燥(B) 吸附乾燥(C) 低溫乾燥(D) 加熱乾燥。
為了使氣壓軟管接頭鎖上後外觀平整, 不會高低不平, 應採用(A) P T (B) N P T (C) P V C (D) P F 的螺牙規格。
氣壓缸之允許行程長度與安裝方式有密切關係, 在相同缸徑、桿徑的氣壓缸, 採用何種安裝 方式可得到最大行程長度? (A) T A : 前耳軸型(B) T B : 後耳軸型(C) T C : 中間耳軸型(D) C A 環首( 單山) 型。
應用串級法設計迴路時, 對A + B + B - A - 之運動順序, 下列之區分成組何者正確? (A) A + / B + B -/ A - (B) A + B + B - / A - (C) A - / A + B - A - (D) A + B + / B - A - / 。
下圖表示(A) 濾清器(B) 人工操作排水器(C) 自動操作排水器 (D)濾清器附自動排水。
下列有關選用電磁閥做為控制氣壓缸運動的敘述, 何者錯誤? (A) 電磁閥的線圈規格不影響氣 壓的出力大小(B) 電磁閥流量大小與氣壓缸所承受的負荷得到速度無關(C) 若可能, 電磁閥與氣 壓缸越近越好(D) 使用間接作動型電磁閥應注意引導壓力的供給。
若氣壓主幹管內部出現凝結水, 冷凍乾燥機宜(A) 調高出氣量(B) 調高進氣量(C) 調低進氣壓力(D)調低露點溫度。
技術人員於事業單位所辦理之教育訓練有參加之義務, 否則可處多少元以下之罰鍰? (A) 1 , 0 00 (B) 3 , 0 0 0 (C) 1 0 , 0 0 0 (D) 5 0 , 0 0 0 。
高阻計是用來測量(A) 電壓(B) 電流(C) 接地電阻(D) 絕緣電阻 之儀錶。
外徑指示量錶量測工件時, 量錶接觸端應與工件表面成(A) 3 0 ° (B) 6 0 ° (C) 9 0 ° (D) 任意角度。
欲攻M 4 x 0 . 7 之螺牙,其攻牙前所鑽之孔徑應為(A) 2 . 6 ~ 2 . 8 φ (B) 3 . 0 ~ 3 . 4 φ (C) 3 . 6 ~ 3 . 8 φ (D) 4 .0 ~ 4 . 2 φ 。
電動工具之電源插頭皆附有接地電夾, 使用前應做下列何種防護措施? (A) 剪斷以利工作 (B) 夾 於塑膠質物體以防電擊 (C) 夾於金屬導體接地 (D) 不予理會。
如下圖, 欲調控氣壓缸縮回拉力, 應在哪個位置加裝什麼裝置?
(A) A 加裝減壓閥(B) B 加裝附止回減壓閥(C) D 加裝附止回減壓閥(D) C 加裝減壓閥。
所謂高壓空氣, 是指在常溫下壓力超過(A) 1 0 k g f / c m - G (B) 1 0 k g f / c m a b s (C) 1 5 k g f c m - G (D) 1 5k g f / c m a b s 以上之氣體。
真空產生器吸力大小與下列何者無關? (A) 吸盤面積(B) 吸入流量(C) 真空壓力(D) 供應真空產生器的空氣壓力。
如右圖示, 迴路邏輯功能與下列迴路何者相同﹖
(A)
(B)
(C)
(D)
有關氣壓間接控制迴路, 下列何者錯誤? (A) 動力管線線徑需配合氣壓缸耗氣量(B) 動力管線與 控制管線使用壓力可以相同(C) 複雜性較高的控制可以適用(D) 動力管線與控制管線可以相連結 使用。
C v 值為4 . 5 的滑柱閥, 其有效斷面積為多少m m ? (A) 3 6 (B) 4 9 (C) 6 2 (D) 7 6 。
為確保導引式單線圈電磁閥的主閥能正確的切換, 最低壓力應在(A) 0 b a r (B) 1 b a r (C) 2 b a r (D) 3 b a r 以上。
下列關於P L C 的敘述何者正確? (A) 輸出C O M 端子在內部相互連結(B) 輸入端與C O M 端之間可使用開放集極型輸入(C) 輸出閘導通,輸出信號燈滅(D) 相同C O M 端內各點可外加不同電壓。
抑制止回閥之振動應該(A) 增加壓力(B) 增加流量(C) 降低壓力(D) 升高溫度。
一般壓縮機氣缸內徑在1 5 吋以下時, 其水套內壓力不可超過(A) 5 0 p s i g (B) 8 5 p s i g (C) 6 5 p s i g (D) 75 p s i g 。
有一支氣壓缸推動5 0 k g f 的床檯往復運動( 運動圖如下所示),請問最大衝擊力為多少牛頓? (A) 1 5 3 (B) 3 0 0 (C) 7 5 0 (D) 1 5 0 0 。
欲使下圖氣壓缸移動應按(A) a (B) b (C) a b 同時(D) P × 2 。
檢查管路是否水平或垂直, 宜使用下列何種儀器? (A) 圓規(B) 水平器(C) 捲尺(D) 游標卡尺。
左圖表示(A) 不緩衝(B) 單緩衝(C) 雙緩衝(D) 可調速 雙動氣壓缸。
左圖表示(A) 稽納二極體(B) S C R (C) O P A m p (D) S S R 。
下圖氣壓迴路之邏輯功能, 與下列何者相同?
(A)
(B)
(C)
(D)
有一只重疊型的3 / 2 閥, 下列那個符號可用來表示中位重疊的流通型態?(A)
(B)
(C)
(D)
氣壓量規, 須使用的空氣過濾器, 濾心應小於(A) 4 0 微米(B) 2 6 微米(C) 5 微米(D) 0 . 1 微米。
壓力表進氣口加裝何種裝置, 用以抑制浪壓(A) 節流口(B) 較大接管(C) 直接連結(D) 梭動閥。
申論題 (0)
相關試卷
114年 - 08000 氣壓 乙級 工作項目 06:維修 51-78(2025/12/03 更新)#134175
114年 · #134175
114年 - 08000 氣壓 乙級 工作項目 06:維修 1-50(2025/12/03 更新)#134174
114年 · #134174
114年 - 08000 氣壓 乙級 工作項目 05:裝配、運轉與調整 51-99(2025/12/03 更新)#134173
114年 · #134173
114年 - 08000 氣壓 乙級 工作項目 05:裝配、運轉與調整 1-50(2025/12/03 更新)#134172
114年 · #134172
114年 - 08000 氣壓 乙級 工作項目 04:設計 201-259(2025/12/03 更新)#134171
114年 · #134171
114年 - 08000 氣壓 乙級 工作項目 04:設計 151-200(2025/12/03 更新)#134170
114年 · #134170
114年 - 08000 氣壓 乙級 工作項目 04:設計 101-150(2025/12/03 更新)#134169
114年 · #134169
114年 - 08000 氣壓 乙級 工作項目 04:設計 51-100(2025/12/03 更新)#134168
114年 · #134168
114年 - 08000 氣壓 乙級 工作項目 04:設計 1-50(2025/12/03 更新)#134167
114年 · #134167
114年 - 08000 氣壓 乙級 工作項目 03:儀表及工具使用 101-162(2025/12/03 更新)#134166
114年 · #134166