所屬科目:A.電工原理、B.電子概論
16如【圖16】所示, 1L H = 4 , 2 L H = 3 , M = 2H ,則 Lab 為多少?(A) 1 亨利 (B) 3 亨 (C) 9 亨利 (D) 11 亨利
18交流正弦波之波形因數(form factor)為多少? (A) √2 (B) (C) (D)
20【圖20】中,電路之消耗功率為多少? (A) 900 W (B) 1200 W (C) 1600 W (D) 2400 W
28電晶體射極摻雜的濃度高低順序,下列敘述何者正確? (A) E>C>B (B) E>B>C (C) C>E>B (D) B>C>E
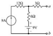
32如【圖32】所示電路中,a、b 兩端的戴維寧等效電壓 ETh 、等效電阻 RTh 分別為多少? (A) 6V 與1O (B) 4V 與2O (C) 3V 與2O (D) 3V 與5O
34如【圖34】所示電路中,a、b 兩端等效電容值為何? (A) 0.5 µF (B) 1.6 µF (C) 1.4 µF (D) 2 µF
35在一電晶體電路中,若 ,則該電晶體之直流增益β 為何值? (A) 100 (B) 50 (C) 10 (D) 6
42如【圖42】所示之電路,試求電阻2O 之端電壓VR 為多少? (A) 20 V (B) 40 V (C)-80 V (D) 80 V
44如【圖44】所示之電路,當開關S 閉合後,3O 電阻器的電壓降從7.2 V 降為6 V,則電 阻器R 的電阻值為多少? (A) 6O (B) 5O (C) 4O (D) 3O
45如【圖45】所示電路,求電阻 RL 可獲得最大功率時的電阻值為多少?(A) 1O (B) 3O (C) 7O (D) 10O
46.如【圖46】所示,求a、b 兩點之諾頓等效電阻 RN 及諾頓等效電流 NI 各為多少?(A) (B) (C) (D)
47如【圖47】所示,流經3 O 之電流為多少? (A) 5 A (B) 8 A (C) 14 A (D) 10 A
50如【圖50】所示,電路S 閉合很久達穩定後,試求電感器儲存之能量為多少?(A) 0.4 焦耳 (B) 1 焦耳 (C) 2 焦耳 (D) 4 焦耳
51某交流電路 ,則其電流與電壓關係為何? (A)兩者同相位 (B)電流滯後電壓30° (C)電流越前電壓30° (D)電流滯後電壓 90°
52如【圖52】所示電路,若以一理想交流伏特表測得 ,則電源 為多少? (A) 50 V (B) 70 V (C) 90 V (D) 130 V
58如【圖58】所示為半波整流電路,其中假設變壓器為理想變壓器,二極體D 為理想二極體,= ?則 V0 平均值約為何? (A) 10 V (B) 20 V (C) 30 V (D) 40 V
59如【圖59】所示電路,假設 D1、 D2為理想二極體,試求V0 =?(A) 1 V (B) 2 V (C) 3 V (D) 4V
60有關【圖60】所示的電路,假設OPA 為理想,下列敘述何者正確?(A)(B) (C) (D)
64如【圖64】所示為多範圍電流表,若電流表之滿刻度電流 1 mI mA = ,內阻 900 Rm = O ,欲 使電流表分別量測5mA及10mA,則 R1及 R2 各為多少?(A) (B) (C) (D)
65如【圖65】所示電路中, Lab 為多少亨利(H)?(A) 2.8 亨利 (B) 4 亨利 (C) 6 亨利 (D) 11 亨利