阿摩線上測驗
登入
首頁
>
國營事業◆1.電路學 2.電子學
> 102年 - 102 經濟部所屬事業機構_新進職員甄試_電機(甲)、儀電、通信:1.電路學 2.電子學#19799
102年 - 102 經濟部所屬事業機構_新進職員甄試_電機(甲)、儀電、通信:1.電路學 2.電子學#19799
科目:
國營事業◆1.電路學 2.電子學 |
年份:
102年 |
選擇題數:
60 |
申論題數:
0
試卷資訊
所屬科目:
國營事業◆1.電路學 2.電子學
選擇題 (60)
1.若將框選區域改為戴維寧等效電路,則框選區域內之戴 維寧等效電壓源為何? (A) 6.4 V (B) 8 V (C) 10 V (D) 12 V
2.承第 1 題,若框選區域內改為諾頓等效電路,則諾頓等效電流源為何? (A) 1.6 mA (B) 2 mA (C) 2.4 mA (D) 4 mA
3.有一週期性之半波電壓,其波峰值為 Vm,如【圖 2】,則其有效值 Vrms 為何?
4.若想將其功率 因數提升至 0.8 lagging,則需在原電路中如何作才能達成? (A)串聯 2228 μF 之電容 (B)並聯 2228 μF 之電容 (C)串聯 3714 μF 之電容 (D)並聯 3714 μF 之電容
5.承第 4 題,功率因數提升至 0.8 lagging 後,線路損失減少多少%? (A) 35 % (B) 44 % (C) 51 % (D) 65 %
6.如【圖 3】之電路,Vi(t)=10sin2t V,求其功率因數大約為何? (A) 0.5 (B) 0.6 (C) 0.7 (D) 0.8
7.有一電壓 v(t)=Vmsinωt,當其串聯一純電阻後,則其瞬時功率會包含下列何種頻率? (A) 1/4ω (B)1/2ω (C) 2ω (D) 4ω
8.求其共振頻率 ω0? (A) 1 rad/s (B) √3 rad/s (C) 2 rad/s (D) √6 rad/s
9.承第 8 題,此電路會出現下列何種現象? (A) underdamping (B) critical damping (C) overdamping (D) undamping
10.將 i(t)= -5sin(377t-110°) A 轉換為相量表示,則應為下列何者? (A) 5∠-20° A (B) 5∠160° A (C) 5∠-70° A (D) 5∠110° A
11.一個功率 2 hp 的馬達,連續運轉一小時可傳送約多少能量? (1 hp=746 W) (A) 10.33 kJ (B) 89.52 kJ (C) 5.37 MJ (D) 6.56 MJ
12.假如 R
L
欲達到吸收最大功率之效果,則 R
L
值應該為何? (A) 4 Ω (B) 6 Ω (C) 12 Ω (D) 20 Ω
13.承第 12 題,R
L
吸收之最大功率為何? (A) 27 W (B) 28 W (C) 35 W (D) 36 W
14.函數 f(t)=cos(at) 經拉普拉斯轉換後,F(s)= ?
15.求 i(0
-
)=? (A) 0 A (B) 1 A (C) 2 A (D) 5 A
16.承第 15 題,求 i(0
+
)=? (A) 0 A (B) 1 A (C) 2 A (D) 5 A
17.有 2 具馬達分別以 Y 接、△接運轉,在相同線電壓V
l
下,Y 接線各相間、△接線各線間之電 阻相同,如【圖 6】。此時△接線之馬達輸出功率為 Y 接線之馬達輸出功率的幾倍? (A) √2 (B)√ 3 (C) 2 (D) 3
18.相同線電壓V
l
下,各有一單相負載與平衡三相負載,線路之電阻皆為 R,如【圖 7】。若單相 與三相負載之實功率、功率因數皆相同時,此時三相電力系統線損為單相系統線損的幾倍?
19.某耦合電路中有兩個相互靠近之電感,其中一側之自感量 L
1
=28 mH,另一次側之自感量 L
2
=7 mH,兩電感間之互感量 M=7 mH。則電路之耦合係數 k 為何? (A) 0.25 (B) 0.5 (C) 2 (D) 5
20.有一電路如【圖 8】,其電壓 V1之大小為何? (A) 2 V (B) 3 V (C) 4 V (D) 5 V
21.霍爾效應(Hall effect)使用在半導體測試中,主要用來決定下列何者? (A)半導體內電流 (B)半導體型式(n 或 p) (C)半導體內磁場 (D)半導體溫度
22.在頻率響應波德圖(Bode plot)中,特性曲線的斜率為 6dB/octave 相當於 A dB/decade,則 A 的 值為下列何者? (A) 10 (B) 12 (C) 20 (D) 24
23.負回授放大器的優點中,下列何者有誤? (A)輸入電阻可增大 (B)輸出電阻可增大 (C)頻率響應可改善 (D)線性度可改善
24.由 CMOS FET 組成傳輸閘(Transmission Gate)時,組成元件為下列何者? (A)只有 NMOS (B)只有 PMOS (C) NMOS+PMOS (D) JFET
25. ECL (Emitter-Coupled Logic)電晶體邏輯閘的優缺點中,下列何者敘述有誤? (A)雜訊邊界大 (B)可以有互補輸出 (C)輸出可直接連結 Wired-OR (D) Fan-out 數有限
26.如【圖 9】所示的電路作用為下列何者? (A)積分器 (B)微分器 (C)限制器 (D)整流器
27.下列何者的電流並聯負回授放大器特性敘述有誤? (A)輸入阻抗降低 (B)非線性失真度降低 (C)輸出阻抗降低 (D)頻寬增加
28. BJT 電晶體的作用區域分為工作區、飽和區及截止區,在飽和區的集極與射集接面偏壓敘述 ,下列何者正確? (A)皆為逆向偏壓 (B)皆為順向偏壓 (C)集極為順向偏壓,射極為逆向偏壓 (D)集極為逆向偏壓,射極為順向偏壓
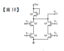
29.如【圖 10】所示之 FET 邏輯電路,輸出 Y 與下列何者 邏輯運算結果相符?
30. B 類功率放大器之轉換效率最佳,下列何者是其最大可能轉換效率值? (A) 75 % (B) 78.5 % (C) 82.5 % (D) 100 %
31.如【圖 11】所示為低通電路,假設輸入電阻為 1 KΩ,高 3 dB 頻率 為 1 KHz,DC 增益為 40 dB,則 C1為下列何者? (A) 1/π nF (B) 2/π nF (C) 10/π nF (D) 10/(2π) nF
32. BJT 電晶體放大器組態中,下列何者最適合做為阻抗匹配器? (A)共集極 (B)共基極 (C)共射集 (D)共閘極
33.右【圖 12】所示之濾波器電路作用為下列何者? (A)低通 (B)帶通 (C)高通 (D)全通
34.串級(Cascade)電晶體組態中,為求得最大電壓增益,通常使用下列何者放大器組態作為第二 級放大器? (A)共集極 (B)共基極 (C)共射集 (D)共源極
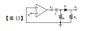
35.如【圖 13】所示為一零交越偵測器(Zero-crossing Detector), 其中 Vi 為正弦波,則 Vo 波形為下列何者? (A)正弦波 (B)方波 (C)三角波 (D)脈衝波
36.差動放大器中差動信號增益為 Ad,共模信號增益為 Ac,則共模拒斥比(CMRR)為下列何者?
37.在一單純 RC 低通濾波器中,R=2/π KΩ,C=1 μF,其截止頻率為下列何者? (A) 7.958 Hz (B) 25 Hz (C) 79.58 Hz (D) 250 Hz
38.二極體截波電路(diode clipping circuit)如【圖 14】所示, 二極體為理想二極體,當輸入電壓 Vi 為正弦波時,則輸 出電壓 Vo 波形為下列何者(實線)?
39.有關負回授放大器的穩定性敘述,下列何者有誤? (A) gain margin 為負值則不穩定 (B)如 1+Aβ的零點皆在複數頻率平面的左邊則穩定 (C)暫態干擾影響會漸漸消失則穩定 (D) phase margin 為負值則不穩定
40. 在以示波器測試及調整放大器的輸出波形時,通常輸入下列何者較適用? (A)正弦波 (B)三角波 (C)方波 (D)脈衝波
41.則負載吸收之實功率為何?(A) 157.9 W (B) 183.6 W (C) 315.9 W (D) 367.1 W
42.承第 41 題,此負載之功率因數(PF)為何? (A) 0.73 (B) 0.83 (C) 0.85 (D) 0.92
43.有一電路如【圖 15】,求 A、B 兩點間之等效電容 CAB=? (A) 5.1 μF (B) 6.2 μF (C) 7.4 μF (D) 8.3 μF
44.求電容所儲存之能量 Wc(t)為何? (A) 10
-3
sin
2
πt J (B) 10
-2
sin
2
2 πt J (C) 10
-3
cos
2
πt J (D) 10
-2
cos
2
2 πt J
45.承第 44 題,電容之儲存能量在幾秒時達到最大值? (A) 1/2 s (B) 1/4s (C) 1/6 s (D)1/8 s
46.有一電路如【圖 17】,i(t)=? (A) 12sin(40t − 53°) A (B) 12 cos(40t − 53°) A (C) 20sin(40t + 37°) A (D) 20cos(40t + 37°) A
47. 則等效電壓源為何? (A) 5 V (B) 6 V (C) 7 V (D) 8 V
48.承第 47 題,戴維寧等效電路之串聯阻抗為何? (A) 6 kΩ (B) 8 kΩ (C) 10 kΩ (D) 12 kΩ
49.當 0 < t < 1 s時,iL(t) =?(t = 0 前電路為穩態)(A)3e
-1.2t
A(B)3e
-1.5t
A(C)5e
-1.2t
A(D)5e
-1.5t
A
50.承第 49 題,當 t>1 s 時,iL(t)=?
51.兩個不相互作用且上 3 dB 頻率 f
H
皆相同的帶通濾波器作串級(Cascade)組態,則整個上 3 dB 頻率 f
A
與 f
H
的比值為下列何者?
52.如【圖 20】所示為一主動式共振帶通濾波器,假設其電壓增益-Ao=50,中心頻率為 160 Hz,3 dB 頻寬為 16 Hz,C
1
=C
2
=0.1μF,則 R1為下列何者? (A) 2 KΩ (B) 2π KΩ (C) 3 KΩ (D) 3π KΩ
53.電流鏡電路如【圖 21】所示,假設 Q
1
、Q
2
及 Q
3
特性完全相同且 β>>1 及 VBE=0.7 V,如 R=2 KΩ,則 IL 為下列何者? (A) 7.5 mA (B) 10 mA (C) 14.3 mA (D) 28.6 mA
54.一轉換函數為
,且 s3=10*s1=100*s2,則主要極點(dominant pole)為下列何者? (A) s1 (B) s2 (C) s3 (D) 2*s1
55. FET 場效電晶體相較於 BJT 電晶體的特性敘述,下列何者有誤? (A) FET 是單極性裝置 (B) FET 具有高電流驅動能力 (C) FET 可作為對稱性的雙向開關 (D) FET 較無雜訊產生
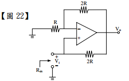
56.運算放大器電路如【圖 22】所示,輸入電阻 Rin 為下列何者? (A) -0.5 R (B) -R (C) 0.5R (D) R
57.有一 0.5 W、2.5 V 的齊納二極體(Zener Diode),其最 大電流為下列何者? (A) 75 mA (B) 100 mA (C) 150 mA (D) 200 mA
58.有一穩壓電路如【圖 23】所示,假設 Q
1
、Q
2
電晶體 的 I
C
=I
E
(I
B
忽略), V
BE
=0.7 V,則 V
L
為下列何者? (A) 6.3 V (B) 7 V (C) 11 V (D) 20 V
59.全波整流器的峰值負載電流值為 Im 時,則 Irms 值為下列何者?
60.移相振盪器如【圖 24】所示,則其振盪頻率為下列何者?
申論題 (0)
相關試卷
114年 - 114 台灣電力公司_大學及研究所獎學金甄選試題_電驛:電路學、電子學及保護協調#137052
114年 · #137052
114年 - 114 經濟部所屬事業機構_新進職員甄試試題_電機、儀電:1 .電路學 2 .電子學#136976
114年 · #136976
113年 - 113 經濟部所屬事業機構_新進職員甄試_電機(一)、電機(二)、儀電:電路學、電子學#123749
113年 · #123749
112年 - 112 經濟部所屬事業機構_新進職員甄試試題_電機、儀電:1.電路學 2.電子學#116960
112年 · #116960
111年 - 111 經濟部所屬事業機構_新進職員甄試_電機(一)、電機(二)、儀電:1.電路學 2.電子學#111368
111年 · #111368
110年 - 110 經濟部所屬事業機構_新進職員甄試_電機(一)、電機(二)、儀電:1.電路學 2.電子學#103646
110年 · #103646
109年 - 109 經濟部所屬事業機構_新進職員甄試_電機、儀電:1.電路學 2.電子學#92825
109年 · #92825
108年 - 108 經濟部所屬事業機構_新進職員甄試_電機、儀電:1.電路學 2.電子學#80841
108年 · #80841
107年 - 107 經濟部所屬事業機構_新進職員甄試_電機、儀電:1.電路學 2.電子學#92331
107年 · #92331
107年 - 107 中華郵政股份有限公司_職階人員甄試_營運職/電機工程:電路學與電子學#68276
107年 · #68276