所屬科目:國營事業◆1.電路學 2.電子學
1. 如下圖所示,為使電路中消耗的總功率為2.5 kW,電阻器Rx的值為何? (A) 10 Ω (B) 15 Ω (C) 19 Ω (D) 38 Ω
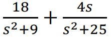
2. 求6sin(3t) – 4cos(5t)的拉普拉斯變換為何? (A) (B) (C) (D)
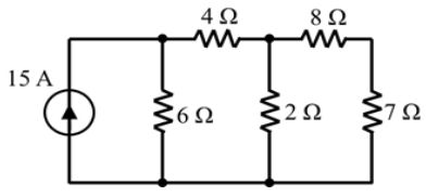
5. 如下圖所示,流經2 Ω電阻之電流為何? (A) 2 A (B) 3 A (C) 4 A (D) 5 A
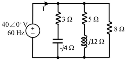
7. 如下圖所示,流經2 Ω電阻之電流為何?(A) 5.95 A (B) 6.35 A (C) 6.75 A (D) 7.15 A
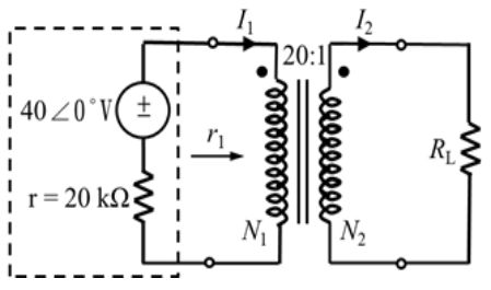
8. 如下圖所示,有一40∠0° V,內部電阻為20 kΩ的交流電源,通過一匝數比為20:1之理想變壓器與負載RL連接。 求最大功率傳輸的負載電阻值及負載的消耗功率為何? (A) 50 Ω、0.1 W (B) 50 Ω、0.02 W (C) 10 Ω、0.1 W (D) 10 Ω、0.02 W
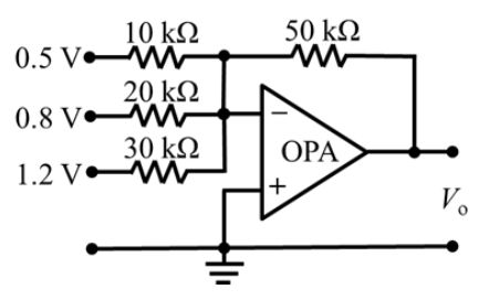
14. 如下圖所示,求理想運算放大器之輸出電壓Vo為何? (A) -6.2 V (B) -6.3 V (C) -6.4 V (D) -6.5 V
16. 如下圖所示的差分放大器電路中,R1 = 10 kΩ、R2 = 10 kΩ、 R3 = 100 kΩ、Rf = 100 kΩ。如果V1 = 25 mV和V2 = 50 mV, 則輸出電壓Vo為何? (A) -50 mV (B) 50 mV (C) -250 mV (D) 250 mV
17. 如下圖所示的維恩電橋電路中,R2 = R3 = 30 kΩ,R4 = 1 kΩ, C2 = C3 = 1 nF。當電橋平衡時,電阻R1的值為何? (A) 300 Ω (B) 400 Ω (C) 500 Ω (D) 600 Ω
21. 如下圖所示,有一電阻為R歐姆且電感為L亨利的線圈與50 μF 電容器串聯連接。若電源電壓為225∠0◦ V、60 Hz時,電路中 流動的電流為I = 1.5∠-30◦ A,則線圈的R和L值為何? (A) R =129.9 Ω、L= 0.04 H (B) R =129.9 Ω、L= 0.14 H (C) R =129.9 Ω、L= 0.24 H (D) R =129.9 Ω、L= 0.34 H
22. 有一單埠電路,其戴維寧等效電壓為20 伏特,諾頓等效電流為4 安培,請問其諾頓與戴維寧 等效電阻各為何? (A)同為Ω (B)同為5 Ω (C) Ω與5 Ω (D) 5 Ω與Ω
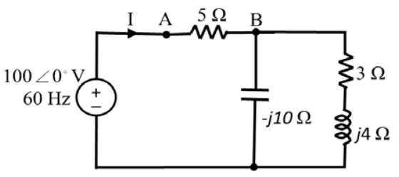
23. 如下圖所示,電源電流I的值為何? (A) 9.12∠15.48◦ (B) 10.78∠16.67◦ (C) 11.55∠17.96◦ (D) 12.63∠18.16◦
24. 如下圖所示,求A和B間產生的有效功率為何? (A) 310.2 W (B) 339.5 W (C) 355.8 W (D) 378.3 W
30. 如下圖所示之穩壓電路,假設 Q1、Q2的 IC = IE(IB忽略), VBE = 0.7 V,VL = 12 V,則R1:R2為下列何者? (A) 1:2 (B) 3:4 (C) 5:7 (D) 7:9
31. 如下圖所示之電路,二電晶體參數均為VTH = 0.4 V及= 120 µA/V2, 若M1和M2長寬比為(W/L)1 = 30 和 (W/L)2 = 15,則 ID為以下何者? (A) 5.45 mA (B) 7.94 mA (C) 10.11 mA (D) 12.62 mA
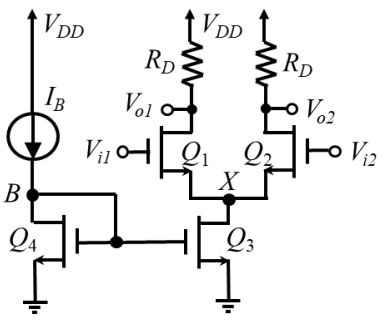
34. 如下圖所示之差動放大器。電晶體參數如下,μnCox= 100 μA/V2 ,VA = 10, 但Q1,2之(W/L)1,2 = 25,Q3之(W/L)3 = 50,Q4之 (W/L)4 = 10。電阻 RD = 10 kΩ。假設偏壓維持節點電壓 VB = VX ,若電路的差模電壓增益Ad = (VO2 – VO1) / (Vi1 – Vi2)要達到5 V / V ,則IB為何? (gm = ) (A) 4.25 mA (B) 7.18 mA (C) 9.12 mA (D) 12.26 mA
35. 如下圖所示CMOS數位電路,請問輸出 Y為何種邏輯函數? (A) (B) (C) (D)
38. 如下圖所示之集極回授偏壓電路,VCC = 12 V,VBE = 0.7 V, 電晶體β =120,RC = 1 kΩ,若 VCE = 6.7 V,則RB為何? (A) 48.5 kΩ (B) 76.4 kΩ (C) 136.9 kΩ (D) 203.4 kΩ
39. 如下圖所示之振盪電路,於正常工作下,輸出電壓Vo之頻率為何? (A) 398 Hz (B) 796 Hz (C) 1.592 kHz (D) 2.388 kHz
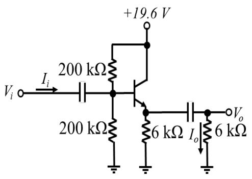
40. 如下圖所示電路,電晶體工作於作用區,β = 99, VBE = 0.7 V,熱電壓(thermal voltage) VT = 26 mV, I 則此放大電路之電流增益為下列何者? (A) 27.3 (B) 22.1 (C) 15.2 (D) 12.4
41. 如下圖所示,其中接面場效電晶體(JFET)之夾止電壓 VP = -4 V。已知此接面場效電晶體放大電路的工作點 為VDS = 3 V、ID = 1 mA,汲極電阻 rd 忽略不計,則 此電路之小訊號電壓增益Vo / Vi為何? (A) -1.1 (B) -2.0 (C) -4.2 (D) -6.4
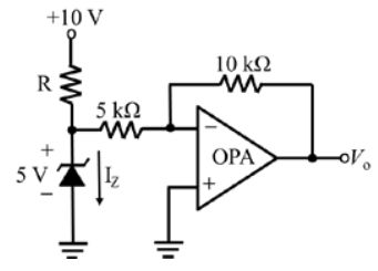
46. 如下圖所示之理想運算放大器電路,流經齊納(Zener)二極體之電 流IZ =1.5 mA,運算放大器之飽和電壓為±15 V,則R值為何? (A) 1 kΩ (B) 2 kΩ (C) 3 kΩ (D) 5 kΩ