所屬科目:國營事業◆1.電路學 2.電子學
6. 某電路如下圖所示,電流 I 為多少安培? (A) 1 A (B) 0.5 A (C) 0.1 A (D) 0 A
7. 試求下圖所示的直流電路中,跨於 20 歐姆的電阻器兩端之電壓為多少? (A) 150 V (B) 100 V (C) 90 V (D) 80 V
9. 如下圖所示電路,其中的電流 I 為何? (A) 10 A (B) 5 A (C) 2 A (D) 1 A
10. 如下圖所示,電路中的 V1、V2電壓為何? (A) V1 = 4.5 V、V2 = 0.5 V (B) V1 = 1.5 V、V2 = 3.5 V (C) V1 = 0.5 V、V2 = 0.5 V (D) V1 = 3.5 V、V2 = 1.5 V
11. 試求下圖中雙埠網路的 Y 參數,之值為何? (A) 1/3、2/3 (B) 1/3、-2/3 (C) -1/3、2/3 (D) -1/3、-2/3
12. 試求右圖中雙埠網路的 Z 參數,之值為 何? (A) -1/3、-5/3 (B) -5/3、1/3 (C) 5/3、-1/3 (D) 1/3、5/3
18. 若下圖中之電感電路已達穩態,試求全部電感之總儲存電能為何? (A) 9.5 J (B) 7.5 J (C) 5.5 J (D) 3.5 J
20. 已知 f(t) 的拉普拉斯轉換為 ,請問 f(t)為下列何者? (A) (B) (C) (D)
24. 有關右圖所示之諧振電路,其諧振頻率下列何者正確? (A) 1592 kHz (B) 2592 kHz (C) 3592 kHz (D) 4592 kHz
28. 對一 PN 二極體施加逆向偏壓,有關逆向飽和電流 Is 的敘述何者有誤? (A)逆向偏壓時會產生極小的逆向飽和電流 (約 ) (B) Is 由少數載子數量控制 (C)溫度越高,會下降 (D) Junction 面積增加會使 上升
29. 有關 NPN 接面之 BJT 電晶體,下列敘述何者有誤? (A)基極-射極、基極-集極接面皆施予順向偏壓,電晶體將工作於飽和區 (B)當基極電流逐漸下降為 0,電晶體將進入截止區 (C)在飽和區工作之電晶體,若持續對基極-集極增加順向偏壓,增益參數 β 會上升 (D)一般 BJT 之電壓增益參數 β 會隨著接面溫度 上升而增加
30. 如右圖之電路,假設 ,BJT Q1、Q2、Q3的電流 增益 β 均為 100 ,,且厄利電壓 (Early Voltage) ,求 的電阻值為多少? (A) 13.51 MΩ (B) 23.51 MΩ (C) 33.51 MΩ (D) 43.51 MΩ
31. 如下圖之 JFET 共源極放大器電路,若 時,反向漏電流 ,由信號源看入之輸入阻抗為何? (A) 30 MΩ (B) 15 MΩ (C) 14.15 MΩ (D) 3.75 MΩ
32. 對一 MOSFET 以一固定的 電壓操作於飽和區,在時, ,且 時, ,請問其厄利電壓 (Early Voltage) |VA| 為多少? (A) 70 V (B) 76 V (C) 80 V (D) 86 V
34. 在積體電路中,NMOS 的基體 端應與下列何者相接? (A)汲極 (Drain) (B)最低電壓點 (C)源極 (Source) (D)最高電壓點
38. 有一差動放大器,其兩輸入電壓分別為 ,共模拒斥比 CMRR = 40 dB ,差模增益,則下列何者正確? (A)差模輸入電壓 (B)共模增益 (C)共模輸入電壓 (D)輸出電壓
39. 如下圖所示電晶體電路,假設輸入信號 為交流小信號且 無直流成分,又電晶體的 可忽略,則右圖之輸入電阻 為何? (A) (B) (C) (D)
40. 如下圖所示電路,已知 FET 參數 gm = 1 mS,rd = 20 kΩ, 若此電路具回授 (Feedback) 的狀態,下列敘述何者有誤? (A)此為串串 (series- series) 回授型態 (B)回授因子 (Feedback factor) β 為 0.47 kΩ (C)開迴路增益 (Open loop gain) A 為 0.66 mA / V (D) 為 -10
41. 如下圖電路,已知 CMOS 反向電路的 , 且 ,假設 時,請問 的電壓值為多少? (A) 1.55 V (B) 2.40 V (C) 2.86 V (D) 3.75 V
42. 如下圖達靈頓電路中,假設每個晶體 β = 100,,則輸入電阻為何? (A) 500 Ω (B) 3.2 MΩ (C) 5.1 MΩ (D) 8.5 MΩ
44. 4 級串級放大器,若每一級截止頻率都相同,即 ,則該 4 級串級放 大器之頻寬 B 應為何? (A) 11.3 kHz (B) 21.3 kHz (C) 49.7 kHz (D) 50.3 kHz
45. 某一電晶體電路的,其中 (EB 接面電容) ,試求 C??(CB接面電容) 值為多少? (A) 1 pF (B) 3 pF (C) 5 pF (D) 6 pF
46. 有一 AB 類放大器電路如右圖,試求其最大的交流負載 功率 為何? (A) 3 W (B) 5 W (C) 12 W (D) 20 W
47. 下圖所示電路是理想的運算放大器,若運算放大器進入飽和狀態,可能為下列何者? (A) 0 V (B) 3 V (C) 6 V (D) 9 V
48. 運算放大器電路如下圖所示,輸入電阻 為下列 何者? (A) -1.5 R (B) -R (C) R (D) 1.5 R
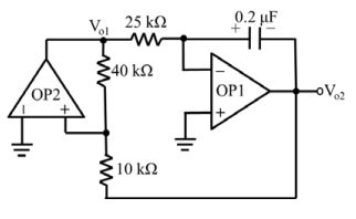
49. 如下圖所示電路,OP1 與 OP2 工作電壓 ,則下列敘述何者有誤? (A) 輸出範圍為 -3 至 3 V (B)回授因子 (Feedback factor) β = 0.25 (C)振盪週期 5 ms (D) 輸出為三角波訊號
50. 下圖電路為下列何種電路? (A) TTL 或閘 (OR) (B) TTL 反或閘 (NOR) (C) ECL 或閘 (OR) (D) ECL 反或閘 (NOR)