所屬科目:國營事業◆1.電路學 2.電子學
1. 右圖為三相平衡電路,Vab=125∠0˚ V,試求 IbB 為何?
(A) 2.55∠-182˚ (B) 2.55∠-118˚ (C) 2.55∠2˚ (D) 2.55∠122˚
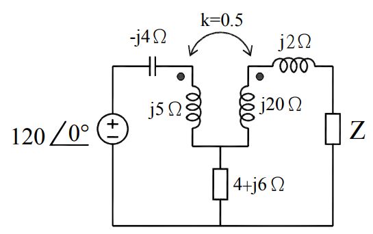
2. 試求右圖由負載 Z 看入左側之戴維寧等效阻抗為何? (A) -2.215+j29.12 (B) 2.215-j29.12 (C) 2.215+j29.12 (D) -2.215-j29.12
3. 試求右圖運算放大器電路之Vo為何? (A) -10 V (B) -8 V (C) 8 V (D) 10V
4. 若V1=10cos2t mV及V2=0.5t mV,且電容初值電壓為0,試求右圖 電路之Vo為多少mV?(A) -0.833sin2t-1.25t2 (B) 0.833sin2t-1.25t2 (C) -0.833cos2t-1.25t2 (D) 0.833cos2t-1.25t2
5. 試求右圖電路在t > 0時之時間常數τ為何? (A) 3.5 (B) 1.75 (C) 1 (D) 0.5
6. 如右圖電路,t < 0 開關已長時間閉合,試求 t > 0 開關打開後, t=0 5Ω 1H 其電壓響應屬於何種性質? (A)臨界阻尼 (B)無阻尼 (C)欠阻尼 (D)過阻尼
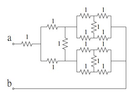
7. 如右圖電路,若每個電阻皆為 1 Ω,試求 Rab 為何?(A) 2 Ω (B) 4/3 Ω (C) 1 Ω (D) 2/3 Ω
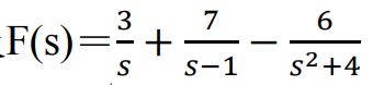
8. 函數 ,試求 f(t) 為何? (A) (3+7et -3sin2t)u(t) (B) (3+7e ̶ t-3sin2t)u(t) (C) (3+7et-3cos2t)u(t) (D) (3+7e ̶ t-3cos2t)u(t)
9. 如右圖電路,若 Vo(0) = 5 V,試求 Vo(t)為何? (A) (10e ̶ t-15e ̶ 2t)u(t) (B) (-10e ̶ t+15e ̶ 2t)u(t) (C) (10e ̶ t+15e ̶ 2t)u(t) (D) (-10e ̶ t-15e ̶ 2t)u(t)
10. 試求右圖函數之F(ω)為何?(A)(B)(C)(D)
11. 試求右圖之 I1 為何? (A) 1.111∠0˚ (B) 1.111∠-90˚ (C) 1.667∠-90˚ (D) 1.667∠0˚
12. 試求右圖電路儲存於 C1 之能量為何? (A) 128 mJ (B) 64 mJ (C) 32 mJ (D) 16 mJ
21. 24 4 試求右式 Z 之 Y12 參數為何? (A) -0.142 S (B) -0.071 S (C) 0.071 S (D) 0.142 S
34. 由運算放大器及3組RC電路組成之相移振盪器,假設所有電阻均為R、所有電容均為C,下列 何者有誤? (A)因使用3組RC電路,總相位移270˚ (B)須使用反相放大 (C)回授信號衰減為1/29 (D)振盪頻率為
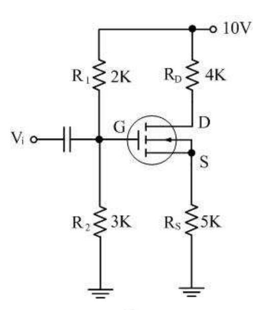
41. 如右圖所示FET電路,若汲極靜態電流為0.3 mA,試求 VGS 為 何? (A) 1.5 V (B) 4.5 V (C) 6 V (D) 7.5 V
42. 如右圖所示運算放大器電路,請問其功能為何? (A)微分器 (B)積分器 (C)反向器 (D)低通濾波器
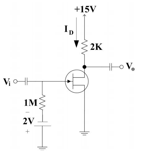
43. 如右圖所示FET共源極放大器,下列何者有誤? (A) RG通常為MΩ等級避免交流信號之負載效應 (B) RS壓降可作為偏壓電壓 (C) C2保持JFET源極端交流接地 (D) VGS與VDS同相
44. 如右圖所示CMOS數位電路,請問輸出Y為何種邏輯函數? (A) Y =
45. 如右圖所示電路,若電晶體VBE=0.7 V、β=50,試求 VC 為何? (A) 2.7 V (B) 4.0 V (C) 4.5 V (D) 5.6 V
46. 如右圖所示電路,若齊納二極體(Zener Diode)的齊納電壓 VZ=6 V,試求齊納二極體消耗之功率為多少 mW? (A) 18 (B) 30 (C) 36 (D) 90
47. 如右圖所示電路,若JFET互導gm=2 mS,試求電壓增益 AV 為何? (A) 0.81 (B) 0.85 (C) 0.91 (D) 0.95
48. 如右圖所示電路,若JFET之IDSS=5 mA、VP=-4 V,試求 ID 為 何? (A) 0.5 mA (B) 1.25 mA (C) 1.75 mA (D) 2.5 mA
49. 如右圖所示電路,若運算放大器開迴路增益AOL=5000、輸 入阻抗為1 MΩ,試求整體電路輸入阻抗 Zi 為何? (A) 1000 MΩ (B) 1001 MΩ (C) 4000 MΩ (D) 4001 MΩ