所屬科目:國營事業◆1.電路學 2.電子學
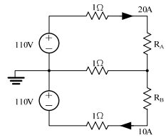
2. 某電路如右圖所示,請問電阻 RA 及 RB 分別為多少歐姆(Ω)? (A) RA為4 Ω,RB為11 Ω (B) RA為4 Ω,RB為22 Ω (C) RA為8 Ω,RB為11 Ω (D) RA為8 Ω,RB為22 Ω
3. 某電路如右圖所示,電流 I 為多少安培( A )? (A) 24 A (B) 34 A (C) 37 A (D) 54 A
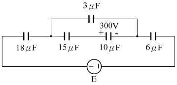
4. 某電路如右圖所示,已知 10 μF電容器充電電壓為300伏特 ,請問電源電壓E為多少伏特(V)? (A) 250 V (B) 500 V (C) 750 V (D) 1500 V
5. 有一台電動機接於sin(1000t)之電源,產生 P = 4 kW,QL = 8 kvar。若希望將其 PF 提高 至0.8,則需要並聯多少法拉(F)之電容器? (A) 50 μF (B) 100 μF (C) 250 μF (D) 500 μF
6. 有關拉氏轉換之性質,下列何者有誤? (A) £[k1f1(t)+k2f2(t)] = k1£[f1(t)]+k2£[f2(t)] (B) (C)(D)
7. 某含相依電源之電路如右圖所示, 試求等效電路之戴維寧電阻()為 多少歐姆(Ω)? (A) 10 Ω (B) 25 Ω (C) 50 Ω (D) 100 Ω
8. 有一個1φ3W供電系統如右圖所示,請問若中性線斷裂造成 開路時,下列何者負載會燒損? (A)負載A燒損 (B)負載B燒損 (C)負載A及負載B皆燒損 (D)負載A及負載B皆不會燒損
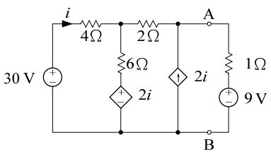
9. 如右圖之串並聯電路,試求 i 為多少安培( A )?(A) 1 A (B) 2 A (C) 3 A (D) 9 A
11. 某電路如右圖,若 v1(0- ) = 6 V,i1(0- ) = 1 A,且開 關在 t = 0 時打開,下列何者正確? (A) v1(0+ ) = 12 V (B) v2(0+ ) = -18 V (C) i1(0+ ) = -1 A (D) i2(0+ ) = 1 A
12. 試求右圖電路為多少歐姆(Ω)? (A) - 4 Ω (B) (C) 12 Ω (D) 14 Ω
13. 右圖電路已知 v(0) = 12 V,求 t > 0 時之 i(t) 為何? (A) (B) (C) (D)
14. 試求右圖電路 為多少歐姆(Ω)? (A) 1 Ω (B) 2 Ω (C) 4 Ω (D) 6 Ω
16. 試求右圖電路 i 為多少安培( A )? (A) 3 A (B) 4 A (C) 5 A (D) 6 A
18. 有關電容器與電感器之儲存能量表示式,下列何者正確? (A) WC(t) = Cv(t) (B) WC(t) = q(t)v(t) (C) WL(t) = Li(t) (D) WL(t) = Li 2 (t)
19. 如右圖所示,有一發電機(內阻為300 Ω)供給負載 ZL(阻抗為30 + j40 Ω),現以一 XL 及 XC 匹配電路 使負載 ZL 獲得最大功率,請問此匹配電路 XL 及 XC 分別為多少歐姆(Ω)? (A) XL = 50 Ω、XC = 50 Ω (B) XL = 50 Ω、XC = 100 Ω (C) XL = 100 Ω、XC = 50 Ω (D) XL = 100 Ω、XC = 100 Ω
21. 有一負載阻抗為 10∠60° Ω,電壓為 20∠0° V,有關此負載之資訊,下列何者有誤? (A) PF = 0.5 落後 (B) S = 40 VA (C) P = 20 W (D) Q = var
22. 右圖為 正相序三相電路,若 為 ,試求電流 I 之瞬時值為 多少安培( A )? (A) (B) (C) (D)
23. 已知 = 17 + j3 V,請問 為多少V? (A) -10 + j13 V (B) 3 - j12 V (C) 7 - j1 V (D) -30 + j5 V
24. 某一電路其開路電壓 為 100∠0° V,短路電流為 10∠36.9° A,試問此電路之等效阻抗 為多少歐姆(Ω)? (A) 6 - j8 Ω (B) 6 + j8 Ω (C) 8 - j6 Ω (D) 8 + j6 Ω
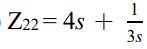
25. 有關右圖雙埠網路之 Z 參數,下列何者正確? (A) = 4s + 4 (B) = -4s (C) = 4s (D)
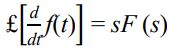
27. 如右圖所示電路,已知 D1、D2 皆為理想二極體,若 V1= 6 V, V2= 5 V,試求 Io 之值為何? (A) 2 mA (B) 2.2 mA (C) 2.5 mA (D) 3 mA
28. 如右圖所示電路,已知稽納二極體之稽納電壓 VZ = 9 V,試求 通過負載電阻 RL 上,電流 IL 之值為何? (A) 0 mA (B) 2 mA (C) 3 mA (D) 5 mA
29. 如右圖所示之理想變壓器電路,D為理想二極體,RL = 20 Ω, Vi= 126sin(337t) V,則Vo平均值約為何? (A) 10 V (B) 20 V (C) 30 V (D) 40 V
30. 若右圖中之電路可輸出 6.5 kHz之振盪波形,則電阻值R應為何? (A) 3 MΩ (B) 6.5 MΩ (C) 10 MΩ (D) 100 MΩ
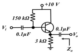
33. 如右圖所示之電路,若 = β= 99,則A點 與接地間的輸入阻抗 Zi 為何? (A) 3 kΩ (B) 5 kΩ (C) 203 kΩ (D) 205 kΩ
34. 如右圖所示之電路,假設 =β= 99,則其小 訊號輸出阻抗 Zo 約為? (A) 3 Ω (B) 10 Ω (C) 3 kΩ (D) 10 kΩ
38. 如右圖所示之電路,已知Q1 FET的= 3 V,且 K1= 0.1 mA/V2 ,Q2 FET的 = 2 V,且 K2 = 0.9 mA/V2 ,試求 Vo 之值為何? (A) Vo= 6.5 V (B) Vo= 8 V (C) Vo= 9 V (D) Vo= 10 V
39. 已知某N通道空乏型 MOSFET 之夾止電壓 = -7 V,若此 MOSFET 工作於飽和區,且閘 極對源極電壓 為0 V時,汲極電流為 18 mA,試問當閘極對源極 電壓為 -3.5 V時,汲 極電流 ID 為何? (A) 3.75 mA (B) 4.5 mA (C) 5 mA (D) 6.25 mA
40. 如右圖所示,已知 rd = ∞,gm= 5 mS,則電壓增益 AV 值為何? (A) -50 (B) -10 (C) 45 (D) 150
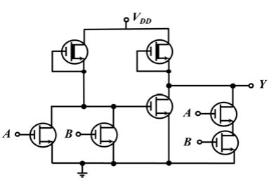
42. 如右圖所示,MOSFET數位電路輸入與輸出的關係為何? (A) (B) (C) (D)
43. 如右圖所示之運算放大電路,若OPA為理想 放大器,求輸出電壓Vo為何? (A) 7 V (B) 9 V (C) 13 V (D) 15 V
44. 如右圖所示之運算放大電路,若OPA為理想放大器,試求輸出電壓Vo為何? (A) - 6 V (B) - 2 V (C) 2 V (D) 10 V
45. 右圖為一個三級的串級放大電路,已知該串級放 大電路的總功率增益 = 100 dB ,試求該放大 電路中的為何? (A) 40 (B) 80 (C) 100 (D) 125
46. 如右圖所示之電路,已知 K= 0.75 mA/V2 ,臨界電壓 VT = 2V, 試求此電路互導 gm 為何? (A) 0.5 mS (B) 1 mS (C) 2 mS (D) 3 mS
48. 如右圖所示之電路,其功能為下列何者? (A)波型整形電路 (B)非反向放大電路 (C)無穩態電路 (D)單穩態電路
49. 右圖為一差動放大器,若 RC= 50 kΩ,RE= 200 kΩ,電晶體 的小信號參數 β0= 10,gm = 4 mS,當 V1 = 0 V,V2 = 3 mV時 ,試求 為何? (A) -300 mV (B) -200 mV (C) 200 mV (D) 300 mV
50. 右圖為一低通放大濾波器,若其電壓增益 A = -5且高頻截止頻 率 fh = 7.96 Hz,試求電容 CF 為何? (A) 0.02 μF (B) 0.2 μF (C) 2 μF (D) 20 μF