所屬科目:國營事業◆1.電路學 2.電子學
27. 有一AB類放大器電路如右圖,試求其交流輸出功 率為? (A) 0.5 W (B) 0.9 W (C) 1.25 W (D) 1.5 W
28. 如右圖之JFET共源極放大器電路,若ܸ = 20 V時、反向 漏電流=50 nA,由信號源看入之輸入阻抗為何? (A) 19.05 MΩ (B) 20 MΩ (C) 20.95 MΩ (D) 23.33 MΩ
29. 對JFET自給偏壓(Self-Bias)電路,若希望工作點設定在轉換特性曲線的中點,意即,下列哪一種方式可達成? (A) (B) (C) ܸ(D) ܸ
30. 有一增強型MOSFET,其臨界電壓ܸ,求值? (A) 50 mA (B) 100 mA (C) 125 mA (D) 150 mA
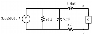
32. 如右圖所示電路,轉移到負載阻抗ZL的 最大功率為何? (A) 6 W (B) 9 W (C) 18 W (D) 36 W
33. 有一平衡三相電路ܸ為120∠-30° V,且為正相序,ܸ的值為? (A) 207.85∠-120° V (B) 207.85∠120° V (C) 207.85∠-150° V (D) 207.85∠150° V
35. 有一函數?
(A) (B) (C) (D)
36. 下列敘述何者有誤? (A) JFET共源極放大器相較於BJT共射極放大器,輸入阻抗較低 (B) JFET共源極放大器,輸入ܸ電壓呈現180°反相 (C) JFET源極隨耦器電壓增益AV約略等於1 (D) JFET共閘極放大器具有低輸入阻抗
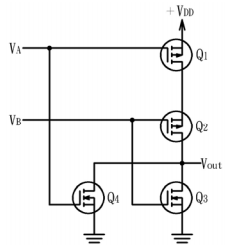
37. 如右圖之MOSFET電路架構,A、B為輸入,ܸ為輸出, 若希望輸出得到高電位(ܸVDD),試問A、B輸入應為何? (A) 0、0 (B) 0、ܸ (C) ܸ、0 (D) ܸ、ܸ
40. 如右圖之理想運算放大器電路,具有100 dB開迴路增益和4 MHz的單位增益頻寬݂fT,下列敘述何者有誤? (A)屬於反相放大器 (B)電壓增益為-5 (C)輸入阻抗約為1 kΩ (D)閉迴路頻寬約為80 kHz
41. 求右圖電路中,流經5 Ω的電流 i =? (A) 0.5 A (B) 1 A (C) 1.5 A (D) 2 A
43. 右圖所示為一帶通濾波器求共振頻率ܹW0? (A) (B) (C) (D)
44. 有一個0.3 mF的電容器,其端點電壓為 40e-150tsin300tV 求電容器上的電流 i ( 0 )? (A) 1.2 A (B) 2.4 A (C) 3.6 A (D) 4.8 A
47. 試求如右圖中低通濾波器臨界頻率݂fC為何? (A) 3.98 kHz (B) 7.96 kHz (C) 12.58 kHz (D) 15.92 kHz
49. 有一MOSFET,若時,試求其轉換電導݃gm? (A) 1 mS (B) 2.5 mS (C) 5 mS (D) 9 mS
50. 如右圖JFET共源極放大器電路,試求電壓增益AV為何? (A) -5 (B) -4 (C) -1.6 (D) -1.2