所屬科目:技檢◆氣壓-乙級
2. 下列圖中哪一個是 TB 的安裝形式?(A) (B) (C) (D)
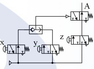
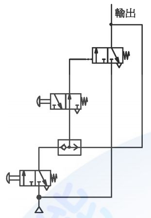
7. 如下圖氣壓迴路之邏輯功能,與下列何者相同? (A) (B) (C) (D)
8. 下圖迴路名稱何者最適宜?(A)平衡(B)變速(C)衝擊(D)鎖固 迴路。
11. 下圖欲保護方向閥不受外界粉塵污染,應在哪個位置安裝過濾裝置:(A)B和C(B)A(C)A和C(D)A和 B。
12. 如下圖 20kgf 物體以 340mm/sec 的速度撞擊緩衝器後,在 0.1 秒內速度降到 5mm/sec,請問緩衝 氣應提供多大阻力才可達此要求?(A)82(B)58(C)36(D)67 kgf。
13. 氣壓缸直徑 32mm、桿徑 12mm、衝程 245mm,當壓力為 6bar 時,前進後退一次,理論空氣消耗量為(A)5.2(B)3.4(C)1.1(D)2.5
17. 左圖表示表面粗糙度為(A)光胚面(B)精切面(C)粗切面(D)細切面。
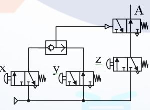
26. 下圖是(A)計數(B)OR(C)記憶(D)AND 迴路
30. 下列邏輯方程式何者錯誤?(A)A+AB=A (B) (C) (D)
34. 有關 FA-16×6×60 氣壓缸的敘述,下列何者正確?(A)該缸的行程為 16 ㎜、缸徑 60 ㎜(B)該缸 的缸徑16、行程為 60 ㎜(C)安裝氣壓缸的方式為耳軸型(D)該缸的行程為 16 ㎜、缸徑 6。
36. 表示排洩管路之符號,下列何者正確? (A) (B) (C) (D)
37. 如下圖,繪製止回閥時,其 θ 角度應為(A)45°(B)90°(C)120°(D)60°。
40. 下圖迴路名稱何者最適宜?(A)鎖固迴路(B)衝擊(C)平衡(D)變速。
42. 左圖表示(A)OPAmp(B)SSR(C)SCR(D)稽納二極體。
43. 如下圖,欲調控氣壓缸縮回拉力,應在哪個位置加裝什麼裝置?(A)A加裝減壓閥(B)D加裝附止回 減壓閥(C)B加裝附止回減壓閥(D)C加裝減壓閥。
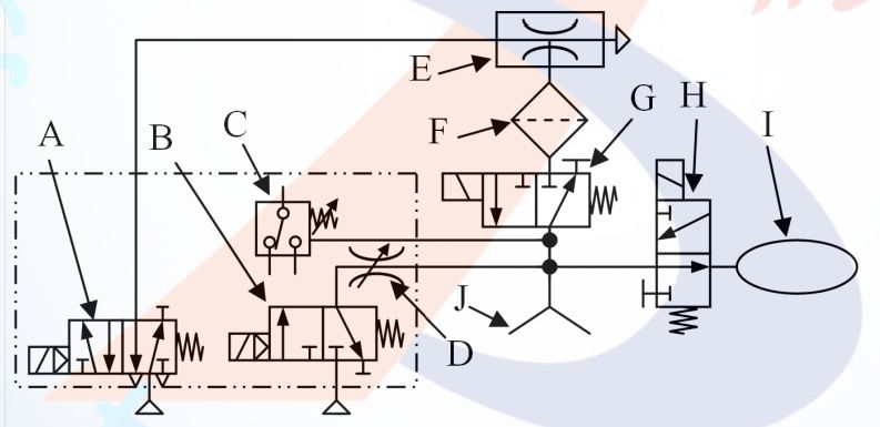
47. 下圖為一套真空產生系統,可利用常壓空氣轉換為真空壓吸取物件,請問〝C〞閥件的功能為何? (A)供應常壓的壓縮空氣,使真空消除速度增快(B)供應常壓的壓縮空氣,以轉換真空壓力(C)可調節 真空破壞之氣流強弱(D)真空壓力開關,檢知真空壓力高低。
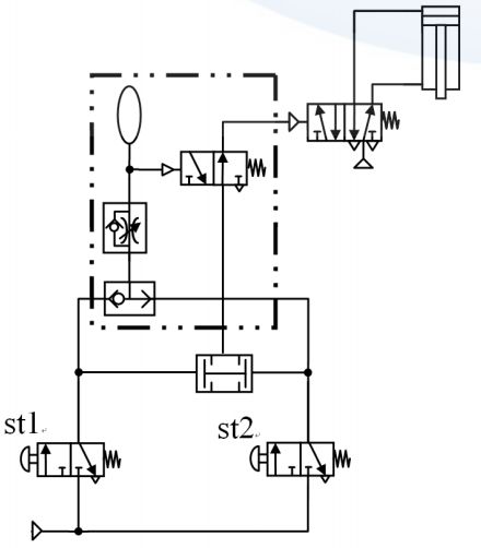
49. 下圖氣壓迴路,為一部小型沖壓床迴路,假設線框住部分,在操作 st1、st2 時,可以得到(A)限制 s t1、st2 操作之時間差(B)提升 st1、st2 操作之容易性(C)延長 st1、st2 操作訊號之長度(D)方便 st1、s t2 可單手操作之可能性 的功能
51. 有 A、B 兩只 DC24V 的電磁閥,其消耗功率分別為 36W、60W,如下圖接線方式,請問通過電磁 閥 A、B 的電流量 IA、IB 分別為多少安培?(A)IA=1.5A、IB=2.5A(B)IA=IB=1.5A(C)IA=IB=2. 5A(D)IA=2.5A、IB=1.5A。
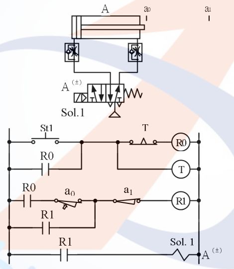
55. 下圖電氣-氣壓迴路,在壓按一下 st1 時,下列敘述何者正確?(A)氣壓缸伸出、後退往復動作,一 段時間後氣壓缸退回後限停止(B)等待一段時間後,氣壓缸才伸出,碰觸 a1 前限退回後限停止(C)氣 壓缸伸出一段時間後,才退回後限停止(D)氣壓缸伸出、後退往復動作,一段時間後氣壓缸任意位 置停止。
60. 下圖為一套真空產生系統,可利用常壓空氣轉換為真空壓吸取物件,請問〝H〞閥件的名稱為何? (A)真空過濾器(B)真空產生器(C)3/2 單邊常閉型直動電磁閥(D)3/2 單邊常開型直動電磁閥
68. 如下圖所示氣壓迴路圖,下列操作功能敘述何者正確?(A)CS 選擇閥在不導通狀態、壓按一下 st1 時,氣壓缸伸出、退回往復動作一次即停止(B)CS 選擇閥在導通狀態、壓按一下 st1 時,氣壓缸伸 出、退回往復動作一次即停止(C)CS 選擇閥在導通狀態、壓按一下 st1 時,氣壓缸伸出、退回連續 往復動作,直到壓按一下 off 閥,才退回 a 0 停止(D)CS 選擇閥在不導通狀態、壓按一下 st1 時,氣 壓缸伸出一段時間後,才退回 a 0 停止。
69. 如下圖所示加工件經過翻轉機構順時鐘轉 90 度,試問驅動翻轉機構之氣壓缸應以何種方式安裝, 才能順利動作(A)CA:環首(單山)型(B)TA:前耳軸型(C)LB:腳座型(D)FB:後法蘭型