所屬科目:教甄◆機械科/模具科/製圖科/生物產業機電/電腦機械製圖科
3. 如圖所示之帶制動器,鼓輪半徑為r,逆時針旋轉,帶與鼓輪摩擦係數為µ,接觸角為 θ,當制動作用發生時,鼓輪兩側帶之張力分別為F1、F2,則作用於鼓輪上之制動扭 矩T,下列何者正確? (A) F1r (1 − e−µθ) (B) F1r (e−µθ − 1) (C) F2r (1 − e−µθ) (D) F2r (eµθ − 1)。
5. 設一螺旋機構,其手柄長為 R,螺紋線數為 n,螺距為 P,機械效率為η,則其機械利 益為? (A) (B)(C)(D)
12. 如下圖所示,請問 a 點在第幾象限?(A)第一象限(B)第二象限(C)第三象限(D)第四象限
25. 分度頭上以布朗沙普(B&S)分度板(分度板孔數為15、16、17、18、19、20),等分為21°36′ 其分度曲柄應該轉動多少圈? (A) (B) (C) (D)。
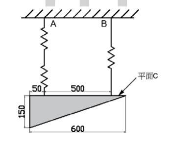
1.如下圖所示之彈簧系統(釋放前),三個彈簧的彈簧常數均為 20N/mm,底部吊掛一物體重量為 600N,長度單位為 mm。試求物體釋放後,其上方平面 C 與水平軸之夾角? (4 分)
2.如下圖所示之構架,由 AB 桿、BC 桿及 CD 桿所組合,A、D 端為固定支承,B、C 端為鉸接, BC 桿受到一均佈負荷和一集中力作用。若 AB 桿的降伏應力為 210MPa、安全係數為 3、彈性係 數為 105GPa;CD 桿的降伏應力為 250MPa、安全係數為 2、彈性係數為 125GPa。試求 AB 桿截 面積與 CD 桿截面積的比值? (4 分)
3.如下圖所示的均質桿件置於牆壁及地板上,而桿件與地板的夾角為θ,桿件質量為 10kg,若所有 接觸面的靜摩擦係數皆為 0.3,請問此均質桿件即將產生滑動的θ 為幾度?(四捨五入取到小數 點後二位) (3 分)
4.如下圖所示,該球以初速度V0 = 20m/s飛出,求落地時的距離 d 為何?(四捨五入取到小數點後 二位) (3 分)
5.如下圖所示,一木盒質量為 m,沿著斜坡以初速V0上滑,斜坡與木盒間的動摩擦係數為µk,斜坡 與水平面的夾角為 θ,求木盒在靜止之前所移動的距離 S 為何? (3 分)
6.如圖所示,A、B、C 三物體的質量分別為 2m、m、2m,重力加速度為 g。繩索T1跨於無摩擦的 定滑輪上,B、C 物體間以繩索T1連接,A、B 物體間以繩索T2連接,試求繩索T2之張力? (3 分)
8.如下圖所示方塊 A 重 50kg,方塊 B 重 100kg,B 與平面間之摩擦係數為 0.35,A 與 B 間摩擦係 數為 0.2,若要使 A 向左移動所需要最小力 P 為多少 kg? (取到小數第一位) (4 分)
9.如下圖所示之樑,求其危險截面位置距離集中負荷 2kg 左邊或右邊多少 m 處?(取到小數第二位) (3 分)
11.如下圖所示之外接圓錐形摩擦輪,主動輪為 A,從動輪為 B,請列式推導從動輪半頂角tan β之 公式。 (3 分)
12.一塊狀制動器如下圖,鼓輪為順時鐘旋轉,施力槓桿作用力 F 向下,煞車塊與鼓輪間的摩擦係 數為µ,若不計構件重量與軸承摩擦影響,試問在何種條件下會產生”自鎖”現象? (4 分)
15.如下圖之周轉輪系,各齒輪齒數分別為Ta = 30、Tb = 20、Tc = 10、Td = 90,若Nd = 0,而Na = 20 rpm(順時針),則Nc的轉向及轉速為何?(3分)
16.一帶式煞車(Band brake)如下圖所示,平衡扭矩為 62900N-mm,當其摩擦係數為,則停止轉動 P 力為多少 N?(設 e=2.7) (4 分)