所屬科目:北水◆土木工程
1.兩個力向量的關係如【圖 1】所示,下列有關合力的大小,何者最接近? (A) 65 N (B) 69 N (C) 81 N (D) 94 N
2.一平面桁架由 17 根桿件組成,如【圖 2】所示,受到垂直力 P 的作用,其中多少根桿件為不受力的零桿件? (A) 5 根 (B) 6 根 (C) 7 根 (D) 8 根
3.三塊矩形重物,各重 W,堆疊在一起,如【圖 3】所示,並以一繩將中間塊固定於牆面,各接觸面的靜摩擦係數皆 為μ,現以一水平力 F 施加於底塊,此力至少需要多大才可拉動底塊? (A) 3μW(B)4μW(C)5μW(D)6μW
4.一半圓形鋼梁半徑 R=0.6m,其斷面為一邊長 12mm 之正方形,如【圖 4】所示,梁的兩端各承受 P=240N 的對向力, 請問梁內最大撓曲應力最接近下列何者? (A) 100MPa (B) 300MPa (C) 500MPa(D)700MPa
5.如【圖 5】所示,一簡支梁受到一些垂直外力與力矩的作用,其合力位置下列何者最接近? (A)距離梁右端 2m 處 (B)距離梁右端 4m 處 (C)距離梁右端 6m 處(D)距離梁右端 8m 處
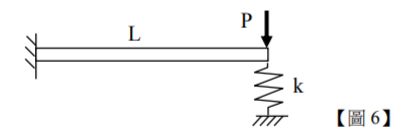
6.長 L=100mm 之懸臂梁,撓曲剛度為 EI=2×106N-mm 2,其端點有一接地彈簧支承,如【圖 6】所示,其勁度為 k=10 N/mm, 今於端點施加一垂直集中力 P=32N,請問施力點的垂直位移最接近下列何者? (A) 1mm (B) 2mm (C) 4mm (D) 8mm
7.如【圖 7】所示,物塊重量為 10N,物塊與斜面之摩擦係數為 0.25,下列敘述何者正確? (A) P=1.5N 時物塊靜止不動 (B) P=3.5N 時物塊靜止不動 (C) P=6.5N 時物塊靜止不動 (D) P=8.5N 時物塊靜止不動
8.有一梁之截面為長方形如【圖 8】所示,請求出懸臂梁端所能承受的最大負載 P 為何,使得梁中的彎曲應力不會超 過 12MPa? (A) 1kN (B) 2kN (C) 3kN (D) 4kN
20.已知 ABCDE 五邊形各點坐標如【表 20】所示,請問面積為何(單位:公尺)? (A) 4100 平方公尺 (B) 4500 平方公尺 (C) 8200 平方公尺 (D) 9000 平方公尺
23.如【圖 23】所示,已知 A、B、P 成一直線,A 點(橫坐標,縱坐標)=(201.010 公尺,48.000 公尺),B 點(橫 坐標,縱坐標)=(202.000 公尺,49.000 公尺),AP 距離=1.000 公尺,請求 P 點(橫坐標,縱坐標)為何? (A)(200.286 公尺,47.309 公尺) (B)(200.296 公尺,47.299 公尺) (C)(200.306 公尺,47.289 公尺) (D)(200.316 公尺,47.279 公尺)
26.如【圖 26】所示,方格每邊長 10m,圖中標註數字為現地高程(單位為 m),如要進行開挖整地,達到土方平衡, 整地高程為何? (A) 11.7m (B) 11.89m (C) 12m (D) 12.5m
27.如【圖 27】所示平面桁架的靜定及穩定度為何? (A)靜定、穩定 (B) 1 度靜不定、穩定 (C) 2 度靜不定、穩定 (D)不穩定
28.一梁之剪力圖如【圖 28】所示,若剪力與彎矩之正負方向固定,則下列何者最不可能為該梁的彎矩圖? (A) (B) (C) (D)
30.請問【圖 30】所示平面桁架之靜不定度為幾度? (A) 1 度 (B) 2 度 (C) 3 度 (D) 4 度
31.下列何者為【圖 31】所示懸臂梁之 B 點變位 δB?(假設 EI 為定值) (A) PL3 /3EI (B) PL3 /6EI (C) PL3 /9EI (D) PL3 /12EI
32.如【圖 32】所示簡支梁,請問其彎矩圖應為下列何者? (A) (B) (C) (D)
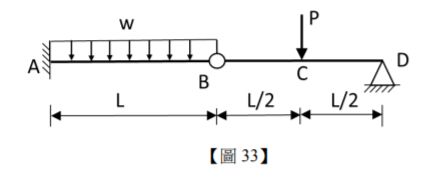
33.如【圖 33】所示梁,請計算出 A 點彎矩 MA為下列何者? (A) PL+wL2 (B) PL/2+wL2 /2 (C) PL/4+wL2 /4 (D) PL/8+wL2 /8
34.如【圖 34】所示梁,上置一可移動集中荷重 P=10kN,請分析所引起之 B 點反力 RB最大值為多少 kN? (A) 10kN (B) 15kN (C) 20kN (D) 25kN
37.一鋼筋混凝土矩形斷面梁,梁寬為 b =30cm,梁深為 h =50cm,有效高為 d =45cm,若使用 6-Φ22 張力鋼筋(Φ22 之 斷面積為 3.88cm 2),則其張力鋼筋比ρ為何? (A) 0.0155 (B) 0.0172 (C) 0.0187 (D) 0.0196
40.依規範公式,混凝土彈性模數 Ec與其單位重 及抗壓強度 有關,請問 Ec與下列何者成正比? (A) (B) w(C) (D)fc'
42.如【圖 42】所示梁斷面,已知 fc'=210kgf/cm2,#4 鋼筋降伏強度 fy=2800kgf/cm2,每支#4 鋼筋斷面積 1.27cm 2,請求 出鋼筋混凝土梁之剪力強度 Vn約為多少 tf? (A) Vn=40 tf (B) Vn=35 tf (C) Vn=30 tf (D) Vn=25 tf