所屬科目:北水◆土木工程
1. 蒲松比ν=0.5,其代表的材料力學性質,下列何者為真?(A)受力後體積不變 (B)受力後體積可變為一半(C)受力後體積可增為2倍 (D)受力後體積可增為1.5倍
2. 有一4.2米高的混凝土橋墩,其斷面為500cm2,橋墩上承受5000kg的負荷,請求出該橋墩的變形量?(已知混凝土楊氏係數為 0.21×106 kg/cm2) (A)伸長0.01cm (B)壓縮 0.1cm (C)伸長 0.2cm (D)壓縮 0.02cm
3. 如圖【1】所示簡支梁,則A點之反力RA為何?(A)1000 kgf (↑) (B)1000 kgf (↓) (C)100 kgf (↑) (D)100 kgf (↓)
4. 一物體重W置於斜面上,如圖【2】所示,若物體與斜面間之摩擦係數為μ,斜面與水平夾角α,則使物體上移所需最小力F為何? (A)W(sinα+μcosα) (B)W(μ sinα + cos α) (C)W(sin α − μcos α) (D)W(μsinα − cos α)
5. 基礎的功用主要是要將結構物受到的載重安全的傳到大地。基礎型態有分淺基礎及深基礎兩類,請問以下何者屬深基礎 (A)獨立基腳 (B)聯合基腳 (C)沉箱基礎 (D)筏式基礎
6. 下列選項中,何者與土壤液化潛能之判定無直接關係?(A)設計地震力大小 (B)建築物地上層規模(C)地下水位高低 (D)有無鬆散砂質土壤層
7. 依建築物基礎構造設計規範,樁基礎之各單樁間應保持適當間距,下列敘述何者有誤? (A)設置預鑄混凝土樁時,其中心間距原則上不得小於樁頭直徑之 2.5 倍,且不得小於75cm (B)設置鋼樁時,其中心間距原則上不得小於樁頭寬度或直徑之 2.5 倍, 且不得小於75cm (C)設置場鑄混凝土樁時,其中心間距原則上不得小於樁頭直徑之 2.5 倍,且不得小於樁直徑加 1m (D)間距小於規定者,應視地層條件、基樁種類及施工方式審慎檢討群樁之互制效應
8. 經常使用在都市工程建設,有止水性優良、振動與噪音低之特性者,為(A)鋼板自撐工法 (B)斜面自承式擋土工法(C)連續壁擋土工法 (D)鋼軌橫板工法
9. 依建築物基礎構造設計規範,於砂性土層,以現場標準貫入試驗 N 值推估基樁支承力,下列施工法中,樁端點之極限支承力?b經驗式推估,何者有誤? (A)打入式基樁:30N (B)預鑽孔工法植入式基樁:25N (C)鑽掘式基樁:7.5N (D)中掘工法植入式基樁:20N
10. 在某已知高程59.5m的測站架設水準儀後視觀測標高為60.000m水準點位上水準尺讀數為1.500m後,再前視觀測未知水準點上的水準尺讀數為2.500m,試求未知點高程為何? (A)58.500m (B)59.000m (C)60.500m (D)61.000m
11. 有一縱斷面水準測量之紀錄表如表【1】所示,測站示意圖如圖【3】所示,BM1及BM2高程已知,需計算閉合差改正,求1k+060處高程為何? (A)121.490m (B)121.496m (C)121.502m (D)121.484m
12. 如圖【4】所示之等高線圖,圖中四處地貌特徵何者正確?(A)甲:湖泊 (B)乙:懸崖 (C)丙:山脊線 (D)丁:山谷
13. 若已知里程209K+970之高程為10.752m,且此路段以+0.8‰升至里程210K+140,則210K+030之高程為:(A)10.800m (B)10.888m (C)11.232m (D)12.112m
14. 以水準儀觀測A、B、C三處的水準尺,分別獲得讀數:1.420m、1.455m、1.655m,若A 點高程為45.145m,則下列何者錯誤? (A)B點高程為45.110m (B)A比B高0.035m (C)B比C低0.200m (D)C點高程44.910m
15. 一單曲線如圖【5】所示,曲線起點BC、中點MC、終點EC,半徑為R,兩切線交角為α,已知切線交點IP高程,則下列距離計算及樁號里程推導何者有誤? (A)切線長TL = R ∙ tan(B)曲線長 CL = 2πR∙(C)BC= IP +R ∙ tan(D) EC= IP − R∙ tan+ 2πR ∙
16. 將水準儀設置於A、B兩點之間,觀測A點水準尺讀數為0.645m後再觀測B點水準尺讀數為1.423m,已知B點高程為19.146m,則下列何者正確? (A)A點高程為18.368m (B)A點比B點高0.778m (C)A點水準尺的讀數稱為後視 (D)儀器的視準軸高為19.791m
17. 有關導線測量,下列敘述何者正確? (A)導線之橫距閉合差為Wx,縱距閉合差為Wy,導線之總長為[L],則導線閉合比數計算公式為 (B)三等導線:附合於二或三等三角點之間,閉合差應小於1/5000 (C)導線測量之起點及終點為不同位置之已知控制點,此種導線測量稱為自由導線 (D)依地籍測量實施規則,圖根測量之導線邊長以一百至一百五十公尺為原則
18. 如圖【6】所示之桁架,其穩定及可定性質為何?(A)2次靜不定 (B)1次靜不定 (C)穩定靜定 (D)不穩定
19. 如圖【7】所示之桁架,下列敘述何者有誤?(A)此為穩定靜定之結構(B)H點支承反力為零(C)此桁架共有5支零桿(D)桿件BC為拉力桿
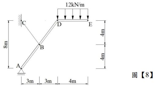
20. 一均勻桿件,如圖【8】所示,A點為鉸支承,於桿件AD段中央,以索BC拉住於固定端,DE點間承受均佈載重12kN/m,若桿件自重不計,則索BC拉力為何? (A)16kN (B)48kN (C)76.8kN (D)80kN
21. 「牆」為建築物平面空間區隔之構造單元,下列何種牆體可提供結構物抵抗地震與風力等水平力,通常被設計於電梯間? (A)承重牆 (B)隔間牆 (C)格柵牆 (D)剪力牆
22. 如圖【9】所示之簡支梁,AB點間承受均佈載重3kN/m,C點承受順時針力偶30kN-m, 則梁之剪力圖為下列何者? (A) (B) (C) (D)
23. 如圖【10】所示懸臂梁,EI為常數,BC點間承受均佈載重W,求自由端C點之傾角θC為何? (A)WL3 /6EI (B)WL4 /8EI (C)7WL3 /48EI (D)9WL3/48EI
24. 一般大樓柱梁鋼筋都是#6(含)以上鋼筋是屬於大號鋼筋,大號鋼筋通常都是採用高拉力鋼筋,請問高拉力鋼筋之降伏強度約為 (A)1400kg/cm2 (B)2800kg/cm2 (C)4200kg/cm2 (D)3600kg/cm2
25. 依混凝土結構設計規範材料強度之規定,下列敘述何者有誤? (A)結構混凝土之抗壓強度fC′不得小於175kgf/cm2 (B)預力混凝土之抗壓強度fC′不得小於280 kgf/cm2 (C)鋼筋之彈性模數Es可定為2.04 × 106kgf/cm2 (D)混凝土彈性模數Es之訂定以混凝土之壓應變與壓應力曲線中壓應力為0至0.45fC′之斜率為準則
26. 台灣地區地震頻繁故結構物設計上採用___________設計(A)彈性 (B)塑性 (C)韌性 (D)延性
27. 依混凝土結構設計規範,鋼筋最小保護層厚度,何者有誤?(A)現場澆置混凝土之室內剪力牆,鋼筋採用#6,鋼筋最小保護層厚度20mm(B)現場澆置混凝土之擋土牆,鋼筋採用#6,鋼筋最小保護層厚度40mm(C)現場澆置混凝土之獨立基腳,鋼筋採用#4,鋼筋最小保護層厚度75mm(D)現場澆置混凝土之雨水滯洪池,鋼筋採用#5,鋼筋最小保護層厚度75mm
28. 下列何種結構主要是由桿件與桿件以鉸接接合,構件以傳遞軸向力為主?(A)懸索結構 (B)殼式結構 (C)框架結構 (D)桁架結構
29. 台灣鋼筋號數是採用英制,每一號鋼筋是1/8英吋,那#8鋼筋的直徑約為(A)1.12公分 (B)2.54公分 (C)3.26公分 (D)4.36公分
30. 下列混凝土構件中管道之埋設,何者不符合混凝土結構設計規範之規定?(A)柱尺寸35cmx35cm,柱中央埋設管徑內徑2"雨水管(B)版厚15cm樓版,版中央埋設管徑內徑1"電管(C)結構柱外包裝飾柱內埋設管徑內徑4"雨水管(D)版厚35cm樓版,版中央埋設管徑內徑4"汙水管
31. 用以承受地震引致之彎矩與軸力之構架構材及結構牆之邊界構件,其主筋實測極限抗拉強度與實測降伏強度之比值不得小於多少? (A)1 (B)1.25 (C)1.5 (D)2
32. 以下何者不屬於靜載重?(A)牆壁自重 (B)傢俱自重 (C)梁自重 (D)柱自重
33. 有關進度管理之工期調整(縮短)的方法,以下敘述何者錯誤? (A)改變施工方法,採用施工速率較快的施工方法 (B)增加施工資源數量,加大工作編組,也就是使用更多人員、裝備或設備,以縮短作業的時間 (C)分包商可自行縮短作業時間 (D)可平行施工之作業盡量重疊施工,可有效縮短工期
34. 依計畫評核術(PERT),假設估計時間如下:悲觀時間33天、樂觀時間26天、最可能時間28天,則根據β機率分配(貝他分配),則期望時間為何?(A) 25天 (B) 29天 (C) 31天 (D) 38天
35. 工地主任會利用時間計算法,計算施工網狀圖之要徑工項及浮時工項,請問計算每工項浮時之目的為 (A)進行工地資源調配 (B)計算工程進度 (C)擬定趕工計畫 (D)配合工地環境管理
36. 有2個模板工每天工作8小時,在三天內完成540m2模板,請問這模板工班每工人之工率為 (A)60m2 /天 (B)70m2 /天 (C)80m2 /天 (D)90m2/天
37. 機關以統包方式辦理採購,下列敘述何者正確?(A)統包工程採購之內容至少包含細部設計及施工(B)工程、財物及勞務採購均得以統包方式辦理(C)招標文件就主要材料之特殊規範,無需載明,以免限制廠商發揮創意(D)為提升施工效率,細部設計未經機關審查核定,亦可先行施工
38. 容易造成金屬腐蝕的現象,下列敘述何者錯誤?(A)金屬與非金屬物質間起直接之化學作用,如氧化及硫化作用而生鏽(B)細菌的腐蝕,如自來水鐵管中常為水所充滿,因為噬鐵細菌作用生成氫氧化鐵而成鏽(C)電解質存在時金屬易產生離子化作用而溶解產生鐵鏽(D)金屬表面有灰塵、汙垢、鐵銹等沉積物,容易導致金屬表面產生均一腐蝕
39. 施工前須先進行工區規劃,工區規劃應在以下何種計畫書內,以提送業主於施工前核准(A)品質計畫書(B)施工計畫書(C)勞工安全計畫書(D)監造計畫書
40. 混凝土工程施工前後必須完成各項試驗,請問下列相關之敘述何者不正確? (A)實施坍度試驗時,混凝土置入坍度模後,須以直徑1.6cm的搗棒分三層均勻搗實,每層搗實25下 (B)依中華民國國家標準CNS13465新拌混凝土中水溶性氯離子含量試驗法規定,辦理施工中建築物混凝土氯離子含量,每次混凝土澆置作業前每一百立方米時,至少採集試驗一次 (C)依中華民國國家標準CNS1232,抗壓強度試驗中採用標準型試體試驗,其粗粒徑不得超過8cm (D)依中華民國國家標準CNS1238,做硬固混凝土鑽心試驗,所採集之抗壓強度試體, 其長度最好為直徑之2倍,最小直徑為混凝土中粒料直徑之3倍