所屬科目:北水◆土木工程
1.幾何形狀相同的兩個元件,一個是鋼做的,另一個是塑膠做的。當兩者施予相同的負荷時,何者的平均內應力比較大? (A)鋼的內應力較大 (B)塑膠的內應力較大 (C)一樣大 (D)不一定
2.有關受扭力(Torsion)作用的圓桿上之敘述,下列何者正確?(A)軸方向上沒有正應力(normal stress)(B)軸方向上沒有剪應力(shear stress)(C)與軸夾 45 度角方向上沒有正應力(normal stress)(D)與軸夾 45 度角方向上沒有剪應力(shear stress)
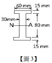
3.有一工字樑截面如【圖 3】所示,請計算針對中立軸 NA 的慣性矩(moment of inertia)為何?(A) 5,375,000 mm4(B) 6,256,000 mm4(C) 6,655,000 mm4(D) 12,800,000 mm4
4.【圖 4】中作用於 A 點之力 F = 5N,請求此力對 B 點的力矩(moment)為何?(A) 5 N-m (B) 7.07 N-m(C) -7i + 4j -3k N-m (D) 3j + 4k N-m
5.計算【圖 5】中桿件 BD 所受的力,約為:(A) 20 N(B) 28.3 N(C) 30 N(D) 56.6 N
6.如【圖 6】所示有一實心圓球質量 m 半徑 r,在一高度 h 斜坡上由靜止狀態被釋放。若滾下時無滑動現象,摩擦可忽略。當其掉到地面瞬間球的速度為何?(註:實心圓球滾動動能需列入考慮,實心圓球慣性矩 I = 0.4 mr2)(A) 0.5 (B) 0.707(C) 0.845 (D)
7.有一不同斷面之鋼性桿,受力情形如【圖 7】所示,其中 AC 段之斷面積為 200 mm2,CD 段為 100mm2,若彈性係數 E=200 GPa,則 AB 之應變 εAB 為多少? (A) 0.1 (B) 0.01 (C) 0.02 (D) 0.025
8.有一中空圓管,其外徑為 100 mm,內徑為 80 mm,材料之抗壓極限強度為 250 MPa,若安全係數取2.5,則此中空圓管之最大容許負荷為多少 kN?(A) 22.5 ? (B) 45 ?(C) 90 ? (D) 180 ?
9.有關夯實試驗,下列敘述何者正確?(A)修正夯實試驗(modified Proctor test)採用夯垂 2.5 公斤(B)修正夯實試驗(modified Proctor test)採用落距 30.5 公分(C)修正夯實試驗(modified Proctor test)分 3 層夯實(D)修正夯實試驗(modified Proctor test)每層夯 25 下
10.現地飽和黏土層厚 2 公尺,上、下皆有排水良好的砂土層,該黏土層經取樣回實驗室進行雙向排水壓密試驗,試體厚度 25 mm,獲得 50%壓密度需時 100 分鐘;現地黏土在相同壓力增量下達到 50%壓密度 需多久時間? (A) 5.6 天 (B) 111 天 (C) 444 天 (D) 1777 天
11.已知黏性土壤的單位重 20 kN/m3、凝聚力為 5 kN/m2,摩擦角 30 度,張力裂縫可達的深度為何? (sin30° =,cos30° = ) (A) 0.29 公尺 (B) 0.87 公尺 (C) 1 公尺 (D) 1.5 公尺
12.某大型開發基地面積達 1800 平方米,依據目前建築技術規則,最少需鑽探幾孔以瞭解地層分布?(A) 2 孔 (B) 3 孔 (C) 4 孔 (D) 5 孔
13.分析水庫急速洩降(短時間大量洩洪)周邊土質邊坡穩定性時,採用剪力強度參數需由下列何者試驗求得? (A)直接剪力試驗 (B)三軸壓密排水試驗 (C)三軸壓密不排水試驗 (D)三軸不壓密不排水試驗
14.有關現地夯實,下列敘述何者錯誤?(A)土石壩於壩心處進行黏土滾壓,土壤含水量需確保位於濕側夯實(B)於相同夯實能量下,黏土乾側夯實較濕側夯實之滲透係數低(C)相同含水量下,採用較大夯實能量可獲得較大的乾土單位重(D)砂質土壤的夯實宜採用震動方式夯實
15.據報導,目前正在施工中的北部某大樓,因去年 8 月份颱風連續豪大雨,導致結構體遇雨上浮 40cm。下列何者原因與本案較無關聯? (A)工址調查時對於地下水位的判斷及預測對抗上浮力設計失當,以致影響建築物之穩定性 (B)設計採用筏基,但整體建築物本身自重與荷重平衡計算失當,遇地下水位變化導致結構上浮 (C)施工時連續壁單元間防水處理失當,導致遇大雨時地下水位升高而滲入地下室造成結構物上浮 (D)設計採用樁基,但因深度不足,以致摩擦力不足造成結構物上浮
16.某工程欲在地盤上興建重力式混凝土壩,流線圖如【圖 16】所示,假設地盤具等向性,滲透係數 K=2.0*10-5 m/s,水頭差 h=5.5 m,每日滲流量(m3 /day)為何? (A) 3.39 m3 /day (B) 3.93 m3 /day (C) 26.8 m3 /day (D) 28.6 m3 /day
17.某一電子測距儀以波長 300 公尺的電磁波進行測距,則其可應用之最大施測距離為何?(A) 30 公尺 (B) 150 公尺 (C) 300 公尺 (D) 600 公尺
18.由 A 點往 B 點進行觀測,下列何組觀測量不為相依?(A)方位角與方向角 (B)天頂距與俯仰角 (C)高程差與天頂距 (D)水平距與高程差
19.某一開挖之工地如【圖 19】(未依比例繪製),已知 A、B 兩處水準標尺均對齊該處地面並垂直上下倒置,水準儀觀測 A 標尺之讀數為 1.08m、B 標尺之讀數為 1.05m,則 A 至 B 兩處地面之高程差(B 點 高程減 A 點高程)為何? (A) -0.03m (B) 0.03m (C) -2.13m (D)條件不足,無法求解
20.下列何種測量方法所得之資料無法產製當地之數值高程模型?(A)面積水準測量 (B)空載光達測量(C)無人機空拍影像測量 (D)精密水準測量
21.某水準測線由高處 A 點往低處 B 點前進,假設在觀測過程中後視標尺不慎未能維持水準氣泡居中,則會因此造成什麼影響? (A) A、B 兩點高程差觀測值變大 (B) A、B 兩點高程差觀測值變小 (C) A、B 兩點高程差觀測值不變 (D) A、B 兩點高程差觀測值可能變大或變小
22.現行國家大地坐標系統為何?(A) TWD67 (B) TWD97 (C) WGS8 (D) WGS97
23.實施導線測量時,如測量 100 公尺產生 1cm 誤差,則其對應之測角誤差為何?(A) 20.6” (B) 41.3”(C) 64.8” (D) 129.6”
24.全球衛星定位測量方法中,下列何種測量方法所需觀測時間最短?(A)靜態基線測量 (B)快速靜態測量 (C)半動態測量 (D)即時動態測量
25.【圖 25】所示平面桁架之靜不定度為幾度?(A) 1(B) 2(C) 3(D) 4
26.假設一撓曲構件軸向座標為 x 軸,有關構件中剪力(V)與彎矩(M)的關係,下列何者正確?(A) dM(x)/dx=V(x) (B) dV(x)/dx=M(x)(C) d2M(x)/dx=V(x) (D) d2V(x)/dx=M(x)
27.如【圖 27】所示外伸簡支梁,有關支承反力與梁中剪力的敘述,下列何者錯誤? (A)支承 A 至 D 點間的剪力為 0 (B)支承 B 點的垂直反力大於 A 點 (C) DB 間與 BC 間的剪力絕對值相同 (D)支承 A、B 間的剪力為常數
28.如【圖 28】所示剛架,請問 A 點彎矩 MA為多少 kN-m?(A) 20 kN-m(B) 40 kN-m(C) 60 kN-m(D) 80 kN-m
29.如【圖 29】所示均勻簡支梁,EI=常數,則下列敘述何者錯誤?(A)支承 A 的反力與支承 B 的反力大小相同、方向相反(B)支承 A 的傾角與支承 B 點大小相同、方向相反(C)施力點 D 與施力點 E 的傾角皆為零(D)梁中央 C 點的撓度為零
30.下列何者非屬影響混凝土乾縮量大小的因素?(A)新拌混凝土的含水量 (B)混凝土承受的載重(C)構件的表面積對體積比 (D)周圍環境的溫度與濕度
31.以材料性質的觀點而言,下列何者非屬混凝土與鋼筋適於共同搭配使用的原因?(A)熱膨脹係數相近(B)混凝土耐火可保護鋼筋(C)竹節鋼筋與混凝土間可保持良好的握裹(D)混凝土具高抗拉強度,可彌補鋼筋的不足
32.下列何者非屬柱箍筋的功能?(A)圍束縱向鋼筋,減少縱向鋼筋的挫曲破壞(B)圍束核心混凝土,提高縱向承載能力(C)提供柱構件抗彎強度(D)避免脆性破壞,提高斷面的韌性
33.已知一鋼筋混凝土梁使用的最大粗骨材粒徑為 19mm,梁內配置主筋單排 4 根#8(直徑 2.54 公分),箍筋使用#3(直徑 0.95 公分)。若保護層厚度與所有鋼筋間距依規範最小值規定,則所需最小梁寬為下列何者?(A) 27.68 cm (B) 29.68 cm(C) 31.68 cm (D) 33.68 cm
34.依混凝土結構設計規範,當使用 28 天抗壓強度為 280kgf/cm2,單位重為 1600kg/m3 的輕質混凝土時,其彈性係數?c為何? (A) 1.31×105 kgf/cm2 (B) 1.45×105 kgf/cm2 (C) 1.58×105 kgf/cm2 (D) 2.51×105 kgf/cm2
35.下列何者不是廠商在工程開工前需要提送的計畫書?(A)品質計畫 (B)監造計畫(C)職業安全衛生管理計畫 (D)餘土計畫
36.契約訂有分段進度及最後履約期限,且均訂有逾期違約金者,屬全部竣工後使用或移交之情形,有關其逾期違約金之計算原則,下列敘述何者錯誤? (A)未逾分段進度但逾最後履約期限者,計算逾最後履約期限之違約金 (B)逾分段進度但未逾最後履約期限,計算逾分段進度之違約金 (C)逾分段進度且逾最後履約期限,其有逾分段進度已收取之違約金者,於計算逾最後履約期限之違約金時 應予扣抵 (D)逾期違約金之支付,機關得自應付價金中扣抵
37.公共工程施工品質管理制之三個層級的品質管理架構中,第三級係指下列何者?(A)自主品管 (B)品質保證 (C)施工查核 (D)監造
38.下列何者對於混凝土裂縫發生之影響最不重要?(A)骨材粒徑大小 (B)水化熱 (C)混凝土強度發展 (D)水化物化學收縮
39.下列何者不屬於施工安全風險評估的基本程序?(A)危害辨識 (B)天災風險(C)風險估算 (D)風險評價
40.建築工程職業災害以下列何者最少發生?(A)墜落、滾落 (B)物體飛落(C)火災 (D)物體倒塌、崩塌