所屬科目:北水◆土木工程
1.如【圖 1】所示,空間桁架由三根軸力桿件所構成,其頂端受一水平外力 P=2.4kN,桿件 cd 受力為何?(A) 1.0kN (B) 1.5kN (C) 2.0kN (D) 2.5kN
2.如【圖 2】所示,分佈載重 q(x)= (x/L)2 qo,0<x<L,其合力 R 之位置 c 為下列何者? (A) L/2 (B) L/3 (C) 2L/3 (D) 3L/4
3.如【圖 3】所示,一簡支梁結構於垂直桿端受一水平力 P,請求點 c 之傾角為何? (A) PL2 /(3EI) (B) PL2 /(4EI) (C) PL2 /(6EI) (D) PL2 /(8EI)
4.一均質彈性圓柱體,半徑 r,長度 L,彈性係數 E,柏松比ν,熱膨脹係數α,今從海中水壓 po、溫度 T 的環境中被打撈上岸,岸上溫度 To,請問由於環境壓力與溫度的變化,此圓柱體之體積變化為何?(以正變化代表膨脹,以負變化 代表收縮。) (A) [po(1-2ν)/E+α(T-To)]πr2 L (B) [3po(1-2ν)/E+3α(To-T)]πr2 L (C) [-3po(1-2ν)/E+α(To-T)]πr 2 L (D) [-po(1-2ν)/E+3α(To-T)]πr2L
5.有一 20kg 箱體藉由纜線經馬達牽引移動如【圖 5】所示,其 v=(0.05t2 )m/s,t 的單位為秒計,當 t=5sec 時,該箱體與地表之動摩擦係數 μk=0.2,請問該纜線所受應力為何? (A) 29.2N (B) 39.2N (C) 49.2N (D) 60.0N
6.有一連桿係由 A-36 鋼所製如【圖 6】所示,請求支承 4kN 的負載而不會產生挫曲時,桿子兩端係為絞接,取 E=210GPa, σy=250MPa,取 1mm 為其變化值,請問桿子的最小直徑為何?(A) 5mm (B) 6mm (C) 7mm (D) 8mm
7.一岩石突爆裂質量比為 1:2:3 之 A、B、C 三碎塊,其中 A、B 分別以 9m/s 與 6m/s 沿互成直角之兩方向飛開,則第三塊 C 之速率為何? (A) 4m/s (B) 5m/s (C) 6m/s (D) 9m/s
8.有一鋁柱在心部以黃銅加強,如【圖 8】所示,其承受P=45kN合成軸向壓縮負載,假設 Eal=70(103 )MPa,Ebr= 105(103 )MPa。 請問下列何者錯誤? (A)該鋁黃銅柱壓縮量=0.03638mm (B)鋁的平均正應力=5.093MPa (C)黃銅中的平均正應力=7.639MPa (D)黃銅中的平均正應力=5.093MPa
9.有一如【圖 9】所示之管,內直徑 80mm,外直徑為 100mm。若在 B 處以扭矩扳手將此管緊固定於支撐 A 處。當扳手被施予 80N 力時,請求管中央部分之內壁 τi、外壁 τ0 上所造成的剪應力分別為何? (A) τ0 = 0.276MPa;τi =0.345MPa (B) τ0 = 0.345MPa;τi =0.276MPa (C) τ0 = 0.445MPa;τi =0.276MPa (D) τ0 = 0.345MPa;τi =0.376MPa
10.標準夯實試驗之夯實能量為下列何者?(A) 356kN-m/m3 (B) 591kN-m/m3(C) 936kN-m/m3 (D) 2696kN-m/m3
11.某飽和砂土之單位重為 18.2kN/m3,則其臨界水力坡降為下列何者?(A) 0.36 (B) 0.53 (C) 0.86 (D) 1.02
12.淺基礎極限承載力公式裡的承載力因子與下列何者有關?(A)基礎埋設深度 (B)土壤內摩擦角 (C)土壤單位重 (D)基礎寬度
13.細顆粒土壤的粒徑分布常採用比重計分析(hydrometer analysis),利用下列何種原理?(A)達西定律(Darcy law) (B)斯篤克定律(Stokes law)(C)白努利定律(Bernoulli law) (D)摩爾庫倫破壞準則(Mohr-Coulomb failure criteria)
14.某土樣經標準夯實試驗,獲得最大乾土單位重與最佳含水量分別為 16.8 kN/m3 與 16.5%,且土壤顆粒比重 2.65,請問該土樣於最佳含水量時的飽和度為何? (A) 40% (B) 60% (C) 80% (D) 100%
15.下列何種土壤,吸附水能力最強,最易產生膨脹?(A)蒙脫土(montmorillonite) (B)伊利土(illite) (C)高嶺土(kaolinite) (D)粉土(silt)
16.某現地 2.4m 厚的黏土層位於地下水面之下,相同土壤厚 25mm 於實驗室進行雙向排水的壓密試驗,獲得壓密度 50% 所需時間 30 分鐘,請問現地單向排水的黏土層遭受到與壓密試驗相同的壓力增量,達到 50%壓密度時所需的時間? (A) 768 天 (B) 192 天 (C) 96 天 (D) 48 天
17.現地細顆粒土壤取樣於實驗室分別進行液性限度與塑性限度試驗,下列何者試驗結果不合理,需重新試驗檢視?(A) LL=52,PL=24 (B) LL=30,PL=11 (C) LL=44,PL=23 (D) LL=62,PL=10
18.在一 9m 厚硬而飽和之黏土中做開挖,黏土下方是砂土如【圖 18】所示。砂土內有湧泉水壓力(artesian pressure)。請求在黏土內可以開挖的最大深度 H 約為何? (A) H=5.04m (B) H=6.04m (C) H=7.04m (D) H=8.04m
19.如【圖 19】所示之山丘等高線圖,五圈等高線的包圍面積由內而外分別是 A1=10m 2,A2=60m 2,A3=120 m2,A4=240 m2,A5=520 m2,假設要挖土到高程 100 公尺,請用辛普森法則求其土方體積等於多少立方公尺? (A) 6567 立方公尺 (B) 6767 立方公尺 (C) 9825 立方公尺 (D) 10151 立方公尺
20.三角形三內角 A, B, C 角度觀測平均值、次數依序如下:平均值:60°0'0", 60°0'6", 60°0'5",觀測次數:3, 2, 1 次,請求角 A 的最或是值為何? (A)角 A=59°59'54.5" (B)角 A=59°59'56.4" (C)角 A=59°59'58.0" (D)角 A=59°59'58.2"
21.若有一長方形土地面積,測得長 60.00m±0.02m,寬 30.00m±0.03m,其中±號後面為觀測平均值的中誤差,請求面積最或是值之中誤差為何? (A) ±0.9m2 (B) ±1.5m2 (C) ±1.9m2 (D) ±2.5m 2
22.使用經緯儀量測水平角,測得數據如【表 22】所示,請計算∠AOB 之大小? (A) 30°20'01" (B) 30°20'02" (C) 30°20'03" (D) 30°20'04"
23.道路工程每 20m 埋設道路中心樁,經測量 0K+100 高程為 21.6m,如設定 0K+000 高程為 20m,道路坡度為+2%, 則 0K+100 土方處理為何? (A)挖方 0.8m (B)挖方 0.4m (C)填方 0.4m (D)填方 0.8m
24. A 點坐標為(100,100),B 點坐標為(150,50),請問 B 點到 A 點的方向角為何?(A) N45°W (B) N45°E (C) S45°W (D) S45°E
25.某工程開挖外徑 5m 斜坑道,坑口底部高程為 30m,開挖坡度為-3%,已知沿斜坑道方向 100m 外有一條 500mm 管線橫越,埋深 1.2m,地表高程為 34.7m,請計算坑口頂部與管線底部距離為何? (A) 1m (B) 1.5m (C) 6m (D) 6.5m
26.水準儀高程測量精度為±0.5mm ,兩高程點相距 16km,要多少測回能達到±1mm 的精度要求?(A) 2 測回 (B) 4 測回 (C) 6 測回 (D) 8 測回
27.有一桿件組合如【圖 27】所示,請用等效彈簧徑度觀念,求 B 點之水平位移為何? (A) (B)(C) (D)
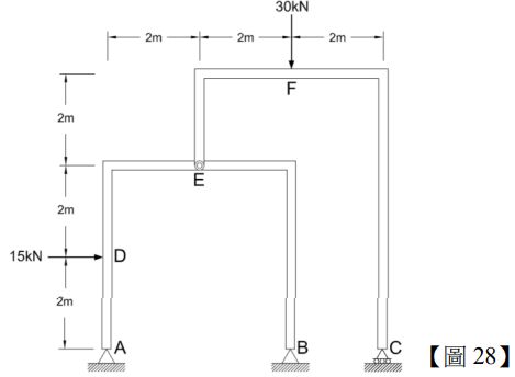
28.有一剛架如【圖 28】所示,D 點承受向右集中力 15kN,F 點承受向下集中力 30kN,請問 C 點支承反力為何?(A) 15kN (B) 30kN (C) 45kN (D) 60kN
29.有一桁架如【圖 29】所示,E 點承受向下集中力 60 kN,請問 FG 桿件之內力為何?(A) 40kN (B) 60kN (C) 80kN (D) 100kN
30.有一連續梁如【圖 30】所示,C 點為鉸接,AC 點間承受均布載重 5kN/m,E 點承受向下集中力 10kN,請問此梁內之最大彎矩值為何? (A) 60kN-m (B) 80kN-m (C) 100kN-m (D) 120kN-m
31.有一剛架受力如【圖 31】所示,B 點為鉸接,請問 AB 桿內之最大彎矩值為何?(A) 72kN-m (B) 90kN-m (C) 108kN-m (D) 135kN-m
32.請問【圖 32】之截面的慣性矩 IXC 為何? (A) (B) (C)(D)
33.如【圖 33】所示之簡支梁,有關梁中彎矩之敘述,下列何者錯誤?(A)支承 A 點之彎矩為零 (B)梁中央之彎矩為零(C)距支承 A 點 2m 處之彎矩絕對值為 40kN-m (D)距支承 B 點 2m 處之彎矩絕對值為 60kN-m
34.一等向性均質彈性拉桿之彈性係數為 E=240GPa,斷面積為 4cm2,軸向長度為 1.2m。若要使該桿軸向伸長 2mm,則應施加的軸向力為多少 kN? (A) 1600kN (B) 800kN (C) 320kN (D) 160kN
35.依內政營建署混凝土結構設計規範規定,混凝土配比目標平均強度 f ’ cr 與混凝土規定抗壓強度 f ’c 間關係為何?(A) f’cr ≦ f’c (B) f’cr = f’c (C) f’cr ≧ f’c (D)不一定,視混凝土預拌廠品管而定
36.由潛變及乾縮所引起長期撓度之增值,可由持續載重計得之即時撓度乘以因數 λΔ 得之, λΔ=ξ ⁄(1+50ρ') ,其中ρ' 為何?(A)純混凝土比重 (B)鋼筋混凝土比重 (C)壓力鋼筋比 (D)拉力鋼筋與壓力鋼筋之比值
37.如【圖 37】所示之梁達到撓曲計算強度 Mn 時,其曲率已達 0.0006/cm,請問此單筋梁的鋼筋量 As為何?(A) 1.26cm2(B) 8.43cm2(C) 9.91cm2(D) 11.18cm2
38.混凝土配比設計中每立方米混凝土之水泥用量為 250kg、用水量 210kg、粗骨材 900kg、細骨材 800kg、飛灰 30kg、爐石粉 70kg,請問水膠比為何? (A) 0.5 (B) 0.6 (C) 0.75 (D) 0.84
39.在鋼筋混凝土受撓構材設計規範中,有關兩側有翼緣之 T 型梁有效寬度的規定共有三項,不包括下列何者?(A)梁腹每側懸出之有效翼緣寬度不得超過梁腹寬之 4 倍(B)梁腹每側懸出之有效翼緣寬度不得超過翼緣厚(版厚)之 8 倍(C)梁腹每側懸出之有效翼緣寬度不得超過該梁與鄰梁間淨距之 1/2(D)全有效寬不得超過該梁跨度之 1/4
40.有關混凝土性質與配比之關係,下列何者正確?(A)混凝土水膠比愈大,強度愈高 (B)混凝土水膠比愈小,工作性愈好(C)混凝土坍度愈大,強度愈高 (D)混凝土坍度愈大,工作性愈好
41.下列何者非屬一般鋼材的拉力試驗所獲得之材料性質?(A)伸長率 (B)韌性 (C)降伏強度 (D)斷面縮率
42.有一單向版在其跨度方向之設計彎矩 Mu=0.75tf-m/m,其版厚為 15cm,有效深度為 12.5cm,f'c=280 kgf/cm 2,fy=2800 kgf/cm2,依目前規範其跨度方向所需之最少主鋼筋量為何? (A) 2.4 cm2 /m (B) 3.0 cm2 /m (C) 3.6 cm2 /m (D) 4.2 cm 2 /m
43.依投標廠商資格與特殊或巨額採購認定標準規定,工程招標案件巨額採購金額為何?(A) 2,000 萬 (B) 5,000 萬 (C) 1 億 (D) 2 億
44.波特蘭水泥中乾縮量較大之水泥是第幾種水泥?(A)第 1 種水泥 (B)第 2 種水泥 (C)第 3 種水泥 (D)第 4 種水泥
45.契約所含各種文件之內容如有不一致之處,除另有約定外,文件優先順序為下列何者? 1.圖說 2.特定條款 3. 工程施工規範 4.詳細價目表 (A) 1234 (B) 2134 (C) 2143 (D) 3241
46.金屬材料之防蝕處理,下列敘述何者錯誤?(A)電化腐蝕必須在濕氣或有水分狀況下,才有氧化還原反應發生(B)以陰極電位較高之金屬,披覆於保護金屬外進行保護(C)利用反向電流控制電化學腐蝕反應發生(D)改變導電通路,降低導電性
47.某工程作業流程如【表 47】所示,其中 B 作業總浮時為多少天?(A) 5 天(B) 10 天(C) 15 天(D) 20 天
48.依政府採購法規定,機關辦理採購,得不訂底價。但應於招標文件內敘明理由及決標條件與原則,下列何者非屬之?(A)訂定底價確有困難之特殊或複雜案件 (B)經常性採購(C)以最有利標決標之採購 (D)小額採購
49.某一要徑作業的正常工期 100 天,趕工工期 90 天,正常工期成本 100 萬元,趕工工期成本 120 萬元,則成本坡度為何?(A) -0.5 萬元/天 (B) -2.0 萬元/天 (C) 0.5 萬元/天 (D) 2.0 萬元/天
50.有關瀝青材料之敘述,下列何者錯誤? (A)針入度係用以表示瀝青材料之稠度和測定瀝青材料軟硬程度表示法 (B)針入度大者,表示瀝青材料之質地軟,針入度通常隨溫度升高而增大 (C)針入度是以一定載重(100 公克)穿透針,於一定時間(5 秒鐘)內及一定溫度(25℃)下,將瀝青材料垂直針入之深度 (D)一般而言,瀝青材料之針入度越小,軟化點越低