所屬科目:技檢◆氣壓-乙級
7. 如下圖,要如何縮短氣壓馬達順時針啟動,達到額定轉速的耗時太長問題?(A)B加快速排氣閥(B) D加快速排氣閥(C)A加節流閥(D)C加速度控制閥。
10. 如下圖 20kg 物體以 340mm/sec 的速度撞擊緩衝器後,在 0.1 秒內速度降到 5mm/sec,請問緩衝 器應提供多大阻力才可達此要求?(A)58(B)82(C)67(D)36 牛頓(N)。
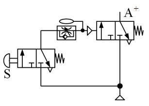
12. 有關下列迴路圖之功能,何者正確?(A)持續按下按鈕閥 S 後,經過一短暫時間 才自動消失(B) 按下按鈕閥 S 後立即放開,同時輸出 訊號,到一定時間後 才自動消失(C)持續按下按鈕閥 S 後,經過一短暫時間,訊號才輸出(D)持續按下按鈕閥 S 立即輸出 訊號,直到 S 被放開時, 訊號才消失。
15. 有一只重疊型的 3/2 閥,下列那個符號可用來表示中位重疊的流通型態? (A) (B) (C) (D)
18. 有 A、B 兩只 DC24V 的電磁閥,其消耗功率分別為 48W、24W,如下圖接線方式,請問電磁閥 A、B 激磁時,通過電流錶的電流量 I 為多少安培?(A)3A(B)2A(C)4A(D)1A。
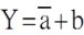
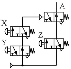
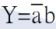
22. 左圖為邏輯迴路,表示 Y=(A) (B) (C)a+b(D)
28. 下圖中哪一個邏輯關係是正確?(A) (B) (C) (D)
30. 欲攻 M4×0.7 之螺牙,其攻牙前鑽之孔徑應為(A)3.3(B)3.8(C)44.0(D)2.6。
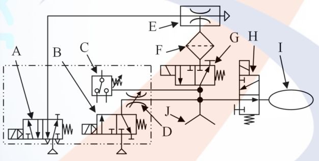
33. 下圖之迴路欲使 A 缸作往復運動,a0 部分之符號應如何表示? (A) (B) (C) (D)
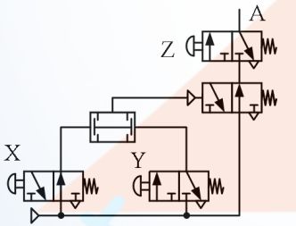
37. 下圖為一套真空產生系統,可利用常壓空氣轉換為真空壓吸取物件,請問〝C〞閥件的功能為何?(A)供應常壓的壓縮空氣,使真空消除速度增快(B)可調節真空破壞之氣流強弱(C)供應常壓的壓 縮空氣,以轉換真空壓力(D)真空壓力開關,檢知真空壓力高低。
38. 下圖中 A 氣壓缸推動一支不彎曲之槓桿,在 B 側產生工作能,下列敘述何者正確?(A)A 缸移動速 率 20mm/sec,B 缸移動速率 10mm/sec(B)A 缸移動距離 160mm,B 缸移動距 100mm(C)A 缸出力 10 00N,B 缸出力 1500N(D)A 缸後退時,B 缸移動方向向下。
40. 下列圖中哪一個是 LB 的安裝形式? (A) (B) (C) (D)
41. 下圖中哪一個訊號-時間之邏輯方程式是正確?(A) (B) (C) (D)
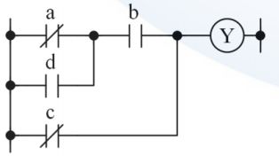
44. 下圖中的自保接點之目的在於(A)防止 R 線圈燒燬(B)防止 R 線圈的誤動作(C)使 R 線圈有受訊記憶 的功能(D)防止 R 線圈的反電勢電路中影響其他元件之正常動作。
45. 有 A、B 兩只 DC24V 的電磁閥,其消耗功率分別為 36W、60W,如下圖接線方式,請問通過電 磁閥 A、B 的電流量 IA、IB 分別為多少安培?(A)IA=2.5A、IB=1.5A(B)IA=IB=2.5A(C)IA=IB =1.5A(D)IA=1.5A、IB=2.5A。
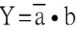
47. 左圖之邏輯式是(A) (B) (C) (D)
49. 如下圖氣壓迴路之邏輯功能,與下列何者相同? (A) (B) (C) (D)
64. 如下圖所示加工件經過翻轉機構順時鐘轉 90 度,試問驅動翻轉機構之氣壓缸應以何種方式安裝,才能順利動作(A)TA:前耳軸型(B)FB:後法蘭型(C)CA:環首(單山)型(D)LB:腳座型。
68. 80×100 之氣壓缸,欲使理論出力為 1200N,應使用多大壓力源?(A)2.4bar(B)240kpa(C)34.8psi(D)24bar。
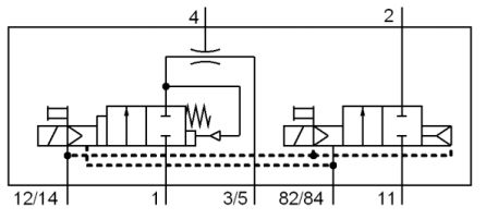
71. 如下圖所示之符號,下列何者敘述為正確?(A)二電磁閥均有強制手動裝置(B)內部嚮導驅動(C)二電磁閥均有機械彈簧回位(D)左邊電磁閥具備壓差功能。
79. 下列哪些符號不屬於壓力控制閥? (A) (B) (C) (D)