所屬科目:教甄◆機械科/模具科/製圖科/生物產業機電/電腦機械製圖科
2.如圖 1 所示,現有 A,B 兩物體,A 物體以初速度 VA和水平面夾一角度斜向拋射,在空中飛行時間為 4 秒後落回地面;B 物體位於 A 物體正上方 H 之高度以初速度 VB水平射出,若兩物體同時發射,且在 A 物體到達最高點 時相遇,試問 H 之高度為何?(g=10m/s2)
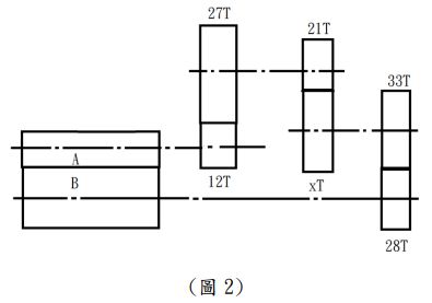
3.如下圖 2 所示,A、B 為兩滾筒,A 的直徑為 5.5cm,B 的直徑為 10cm,若 A 的表面速度 1.1 倍於 B 時,求 x 齒輪之齒數?
4.現有一不均質之板件如圖 3 所示,小希取 A 和 B 兩點使用懸掛法欲求得物 體之重心 O 點之位置;在板件表面畫出一條水平的參考線;若以 A 點吊起 時,外力線和參考線夾 53°,若以 B 點吊起時,外力線和參考線夾 37°, 若量測得到現有之尺寸如圖 3 所標示,請求出 OB 之間的垂直距離為多少 cm?
5.一簡支樑及其樑之橫斷面尺寸如圖 4 所示,樑上有二個集中負荷之施力, 請計算出樑上之最大彎曲應力為何?(需標示為拉應力或壓應力)
6.現有一懸臂樑如圖 5 所示,樑之橫截面為 20x20mm 之矩形,彈性係數為120GPa;試問自由端左方 4m 處,A 點之曲率半徑為何?
9.現有一組單塊式制動器如圖 8 所示,若鼓輪之扭矩為 40 N-m 逆時針旋 轉,鼓輪直徑為 40 cm,煞車塊之摩擦係數為 0.5;試問此制動器的使 用上,會產生「自勵現象」還是「自鎖現象」,並簡單說明原因。