所屬科目:技檢◆氣壓-乙級
1. 對於吹哨者保護規定,下列敘述何者有誤? (A)任何情況下,事業單位都不得有不利勞工申訴人之行為 (B)勞動檢查機構受理勞工申訴必須保密 (C)事業單位不得對勞工申訴人終止勞動契約 (D)為實施勞動檢查,必要時得告知事業單位有關勞工申訴人身分。
2. 一般直立式蓄氣筒需配備有空氣輸入出口、釋壓閥、排水閥及 (A)溫度計 (B)壓力計 (C)溼度計 (D)流量計。
3. 左圖表示表面粗糙度為 (A)細切面 (B)光胚面 (C)精切面 (D)粗切面。
4. 電磁閥的耐衝擊程度用 (A)G (B)dB (C)KHZ (D)KV。
5. 表示空氣壓縮機流量之常用的公制單位為 (A)Nm3/h (B)SCFM (C)Ncc/s (D)GPM。
6. 用 RS-232 線路作資料通訊時,需 (A)2 條線 (B)3 條線 (C)1 條線 (D)5 條線。
7. 一般壓縮空氣輸送管路安裝時,為使凝結水能順利排放,應將管路向下傾斜 (A)6~8% (B)1~2%(C)8~10% (D)3~5%。
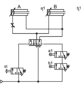
8. 下圖兩隻完全相同之氣壓缸 A、B,當按放 st 開關後兩缸不等速前進,下列有關使兩缸後退之敘述,何者正確? (A)不能後退 (B)作動 a1 (C)作動 a1 及 b1 開關 (D)作動 a1 或 b1 開關。
9. 氣壓缸之允許行程長度與安裝方式有密切關係,在相同缸徑、桿徑的氣壓缸,採用何種安裝方 式可得到最大行程長度? (A)TB:後耳軸型 (B)TC:中間耳軸型 (C)CA 環首(單山)型 (D)TA:前耳軸型。
10. 下圖中電磁閥消磁後,氣壓缸停止,請問在氣壓缸活塞側會產生多大背壓? (A)4.6 (B)6 (C)5.4(D)6.7 kgf/cm2G。
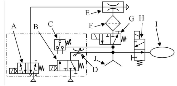
11. 左圖之邏輯式是 (A)(B)(C)(D) 。
12. 因故意或過失而不法侵害他人之營業秘密者,負損害賠償責任該損害賠償之請求權,自請求權人知有行為及賠償義務人時起,幾年間不行使就會消滅? (A)7 年 (B)10 年 (C)5 年 (D)2 年。
13. 壓縮空氣貯氣槽大小與下列何者無關? (A)壓縮機之單位時間切換次數 (B)溫度 (C)輸出量 (D)壓力。
14. 「酸雨」定義為雨水酸鹼值達多少以下時稱之? (A)7.0 (B)6.0 (C)5.0 (D)8.0。
15. 下列圖中哪一個是 LB 的安裝形式? (A)(B)(C)(D) 。
16. 內徑 16 厘米的雙動氣壓缸,在 5bar 下,理論出力約為 (A)10 公斤 (B)8 公斤 (C)5 公斤 (D)12 公斤。
17. 下列何者是使用氣-油轉換器的原因? (A)獲得大的出力 (B)獲得快速的移動速度 (C)可節省空氣消耗量 (D)慢速移動時仍可得穩定的速度。
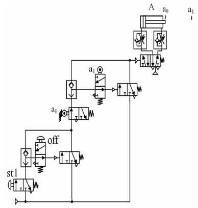
18. 下圖氣壓迴路,在壓按一下 st1 時,下列敘述何者正確? (A)氣壓缸伸出、後退往復動作,在達 到預定次數後,氣壓缸退回後限位置停止 (B)氣壓缸伸出、後退往復動作,在達到預定次數後,氣壓缸伸出至前限位置停止 (C)氣壓缸伸出、後退往復動作,在達到預定次數後,氣壓缸可於任意位置停止 (D)氣壓缸伸出、後退往復動作一段時間後,才退回後限停止。
19. 臺灣在一年中什麼時期會比較缺水(即枯水期)? (A)6 月至 9 月 (B)9 月至 12 月 (C)臺灣全年不缺水(D)11 月至次年 4 月。
20. 甲公司將其新開發受營業秘密法保護之技術,授權乙公司使用,下列何者不得為之? (A)要求被授權人乙公司在一定期間負有保密義務 (B)乙公司已獲授權,所以可以未經甲公司同意,再授權 丙公司使用 (C)約定授權使用限於特定之內容、一定之使用方法 (D)約定授權使用限於一定之地 域、時間。
21. 公司負責人為了要節省開銷,將員工薪資以高報低來投保全民健保及勞保,是觸犯了刑法上之何種罪刑? (A)工商秘密罪 (B)詐欺罪 (C)侵占罪 (D)背信罪。
22. 電晶體在數位電路中,主要之功用為 (A)開關 (B)振盪 (C)穩壓 (D)濾波。
23. 標示 1N4001 的元件一般為 (A)電容器 (B)二極體 (C)電晶體 (D)IC。
24. 有關省水馬桶的使用方式與觀念認知,下列何者是錯誤的? (A)選用衛浴設備時最好能採用省水標章馬桶 (B)如果家裡的馬桶是傳統舊式,可以加裝二段式沖水配件 (C)因為馬桶是家裡用水的大宗,所以應該儘量採用省水馬桶來節約用水 (D)省水馬桶因為水量較小,會有沖不乾淨的問題,所以應該多沖幾次。
25. 氣壓缸直徑 50mm、桿徑 20mm、衝程 210mm,當壓力為 6bar 時,前進後退一次,理論空氣消耗量為 (A)1.1 (B)3.4 (C)5.2 (D)2.5 N 。
26. 1ψAC110V60Hz 交流電,其峰值電壓為 (A)110V (B)220V (C)110 V (D)110/V。
27. 計算平日加班費須按平日每小時工資額加給計算,下列敘述何者有誤? (A)前 2 小時至少加給 1/3 倍 (B)未經雇主同意給加班費者,一律補休 (C)經勞資協商同意後,一律加給 0.5 倍 (D)超過 2 小時部分至少加給 2/3 倍。
28. 空氣調理組之使用周圍溫度不可超過 (A)80℃ (B)70℃ (C)90℃ (D)50℃。
29. 依據台灣電力公司三段式時間電價(尖峰、半尖峰及離峰時段)的規定,請問哪個時段電價最便宜? (A)非夏月半尖峰時段 (B)夏月半尖峰時段 (C)離峰時段 (D)尖峰時段。
30. 不含油份的壓縮空氣,適用於保持清潔的造紙、食品、醫藥等工業的壓縮機型式為 (A)滑動葉片式壓縮機 (B)鼓膜式活塞壓縮機 (C)軸流式壓縮機 (D)徑流式壓縮機。
31. 氣候變遷因應法中所稱:一單位之排放額度相當於允許排放多少的二氧化碳當量 (A)1 公噸 (B)1公升 (C)1 立方米 (D)1 公斤。
32. 下列何種空壓機震動最大? (A)迴轉式 (B)往復式 (C)離心式 (D)噴射式。
33. 為建立良好之公司治理制度,公司內部宜納入何種檢舉人制度? (A)非告訴乃論制度 (B)告訴乃論制度 (C)吹哨者(whistleblower)保護程序及保護制度 (D)不告不理制度。
34. 氣壓缸中,所謂 ISO 規格係表示 (A)材料的規定 (B)外型尺寸 (C)內部缸體的結構 (D)氣壓缸的出力。
35. 當氣壓超過設定壓力時,其超壓部份頂開閥門排出後即刻回復到設定值,此為 (A)安全閥 (B)減壓閥 (C)調壓閥 (D)順序閥。
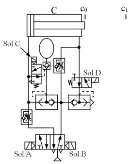
36. 下圖為一套真空產生系統,可利用常壓空氣轉換為真空壓吸取物件,請問〝A〞閥件的功能為何? (A)真空壓力開關,檢知真空壓力高低 (B)供應常壓的壓縮空氣,以轉換真空壓力 (C)可調節 真空破壞之氣流強弱 (D)供應常壓的壓縮空氣,使真空消除速度增快。
37. 有關氣壓缸空氣消耗量,下列敘述何者錯誤? (A)消耗量與壓縮比成正比 (B)每分鐘作動次數成正比 (C)消耗量與行程成正比 (D)消耗量與缸筒內徑成反比。
38. 下列何者非屬職業安全衛生法規定之勞工法定義務? (A)參加安全衛生教育訓練 (B)定期接受健康檢查 (C)遵守安全衛生工作守則 (D)實施自動檢查。
39. 開發單位申請變更環境影響說明書、評估書內容或審查結論,符合下列哪一情形,得檢附變更內容對照表辦理? (A)開發行為規模增加未超過百分之五 (B)環境監測計畫變更 (C)降低環境保護設施處理等級或效率 (D)既有設備提昇產能而污染總量增加在百分之十以下。
40. 潤滑油的選用主要是受何因素所左右? (A)氣壓缸筒材質 (B)線圈材質 (C)密封材質 (D)閥體材質。
41. 室內裝潢時,若不謹慎選擇建材,將會逸散出氣狀污染物。其中會刺激皮膚、眼、鼻和呼吸道,也是致癌物質,可能為下列那一種污染物? (A)臭氧 (B)甲醛 (C)二氧化碳 (D)氟氯碳化合物。
42. 下圖箭頭所指示的符號係表示該閥件內部的 (A)氣壓引導閥 (B)手動強制作動鈕 (C)電磁線圈 (D)復歸彈簧。
43. 下圖表示 (A)腳踏輥輪閥 (B)單向輥輪閥 (C)雙向輥輪閥 (D)手動輥輪閥。
44. 下圖中,使用氣-油壓轉換缸推動 ψ140×100×500 之油壓缸,使其達 200 mm/sec 移動速度,試問油壓管徑應為多少(油流動速度為 2 m/sec)? (A)1.6 (B)22.3 (C)4.5 (D)1.1 cm。
45. Screwdriver 是下列那一種工具之英文名詞? (A)剪刀 (B)螺絲起子 (C)士林刀 (D)開口扳手。
46. 乾濕球溫度計除測溫度外,主要目的是測量 (A)空氣的相對濕度 (B)水溫 (C)空氣的黏度 (D)空氣的密度。
47. 當某部份的程式有時並不需要被執行時,可利用下列何種應用指令? (A)跳躍指令(CT) (B)區塊傳送 (C)比較指令(CMP) (D)傳送指令(MOV)。
48. 依環境基本法第 3 條規定,基於國家長期利益,經濟、科技及社會發展均應兼顧環境保護。但如果經濟、科技及社會發展對環境有嚴重不良影響或有危害時,應以何者優先? (A)經濟 (B)科技 (C)社會 (D)環境。
49. 鎢鋼鑽頭在軟鋼工件上鑽孔,設切削速度為 100 m/min,鑽頭直徑 ψ30mm,則鑽床每分鐘之迴轉數為多少轉? (A)500 (B)1300 (C)700 (D)1000 rpm。
50. 壓力開關的遲滯性,主要是因何而起? (A)指針材質 (B)電氣接點材質 (C)軟管材質 (D)巴頓管材質。
51. 電氣延時器的延時導通接點的編號為 (A)6 和 8 (B)4 和 5 (C)4 和 7 (D)6 和 7。
52. 在負載氣壓缸垂直倒置安裝的場合,為了防止意外事故發生,宜加裝下列何種氣壓元件? (A)單向節流閥 (B)引導止回閥 (C)止回閥 (D)快速排放閥。
53. 表示 (A)全等 (B)互斥或 (C)隱含 (D)反或 邏輯。
54. 測量螺絲之牙距應使用 (A)測微器 (B)牙規 (C)卡尺 (D)直尺 測量最為快速、方便。
55.左圖表示 (A)加算器 (B)差計數器 (C)加計數器 (D)減計數器。
56. 電容器之電容量與兩極板之距離成 (A)正比 (B)平方正比 (C)反比 (D)無關。
57. 下列何者非屬從事起重吊掛作業導致物體飛落災害之可能原因? (A)過捲揚警報裝置過度靈敏 (B)鋼索斷裂 (C)超過額定荷重作業 (D)吊鉤未設防滑舌片致吊掛鋼索鬆脫。
58. 下圖迴路中,若僅 Sol.A 激磁會有何種功能? (A)氣壓缸縮回時,有慢速的移動速度 (B)氣壓缸縮回時,有快速的移動速度 (C)氣壓缸伸出時,有快速的移動速度,可獲得衝撃效果 (D)氣壓缸伸出時,有慢速的移動速度,方便於調整氣壓缸的極限閥位置。
59. 二極體(Diode),其本體是一個__________接合的半導體。 (A)NP (B)NPN (C)PNP (D)PN
60. 一機件長度 100mm 要求公差±0.1mm,以使用何種量具最適合? (A)分厘卡 (B)普通直尺 (C)捲尺(D)游標尺。
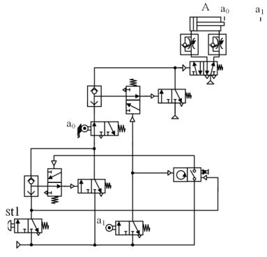
61. 如下圖所示氣壓迴路,在壓按一下 st1 時,下列操作功能敘述何者正確? (A)連續往復動作時, 直到壓按一下 off 閥後,氣壓缸退回 a0 停止 (B)氣壓缸伸出、退回往復動作,在達到預定次數 後,自動退回 a0 停止 (C)氣壓缸伸出、退回連續往復動作一段時間後,自動退回 a0 停止 (D)氣壓 缸伸出、退回連續往復動作。
62. 有關 FA-ψ12×6×60 氣壓缸的敘述,何者正確? (A)安裝氣壓缸的方式為前法蘭型 (B)該缸的缸徑ψ12、行程為 60 ㎜ (C)以排氣節流控制移動速度為主 (D)氣壓缸內部有復歸彈簧。
63. 如下圖所示加工件經過翻轉機構順時鐘轉 90 度,試問驅動翻轉機構之氣壓缸應以何種方式安裝,才能順利動作 (A)LB:腳座型 (B)TA:前耳軸型 (C)FB:後法蘭型 (D)CA:環首(單山)型。
64. 使用指針式的三用電錶,下列哪些是量測電阻時要注意的事項? (A)在通電電路上可以直接量測電阻值 (B)檢查指針是否在零位,沒有偏差 (C)切換 Ω 檔位使用,測試棒碰觸下要做指針歸零 (D) 檔位選擇以在刻度表板 0~100 的範圍讀取值為原則。
65. 氣壓低壓系統的使用壓力為 0.05~500 mbar,若做為近接檢測裝置,試問有下列幾種型式? (A)擴散型 (B)直吹型 (C)背壓型 (D)反射型近接檢測裝置。
66. 過濾器後的壓力降太高,可能原因是: (A)導環雜物沾附 (B)錐罩髒污 (C)凝結水位高 (D)濾蕊孔目堵塞。
67. 方向控制閥是用以________ 壓縮空氣流動的方向。(A)啟動 (B)感測 (C)改變 (D)停止
68. 設計電氣控制迴路圖時,哪些元件可以串聯? (A)開關 (B)線圈 (C)燈泡 (D)接點。
69. 影響電磁閥流量的因素有 (A)空氣溫度 (B)進氣壓力 (C)Cv 值 (D)接口尺寸。
70. 選用繼電器時,應考慮何種因素? (A)接點數 (B)額定電壓 (C)保險絲規格 (D)額定電流。
71. 有關空氣濾清器之敘述,何者正確? (A)須定期排除水分或加裝自動放水閥 (B)可將灰塵、水分及水蒸氣排除 (C)濾蕊之過濾度無需考慮系統需求 (D)濾蕊經一段時間須清洗或更換。
72. 下列哪個閥件在有兩個信號輸入時,會有高壓信號優先輸出的功能? (A)(B)(C)(D)。
73. 儲氣筒具有哪些功能? (A)升壓 (B)蓄能 (C)降溫 (D)凝結空氣中水分。
74. 止洩帶(Tape seal)在纏繞螺紋時,下列何者正確? (A)相對於螺紋做逆向纏繞,採用逆時針方向 (B)纏繞時須微用力拉緊止洩帶 (C)纏繞時約離牙口 2 牙處開始 (D)一般圈數為 5~7 圈左右,可依接合鬆緊增加或減少圈數。
75. 供氣條件不變、設定也沒調整,氣壓缸出力卻降低,可能原因是 (A)活塞密封環(Packing)磨耗 (B)活塞桿端密封墊圈(Gasket)磨耗 (C)活塞桿端軸承蓋軸襯(Bush)磨損 (D)刮油環磨損。
76. 氣壓控制迴路中在有效行程內調整氣壓缸上的極限開關位置,可能使氣壓缸的作動行程 (A)增長(B)不變 (C)縮短 (D)不位移。
77. 下列哪些是對氣壓馬達的正確描述: (A)易受水分,冷熱之影響 (B)超負載安全 (C)具有防爆能力(D)重量較重。
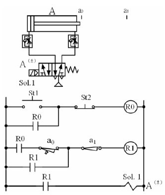
78. 如下圖所示電氣-氣壓迴路,下列敘述何者正確?(A)在壓按一下 st1 時,氣壓缸伸出、退回,連續往復動作 (B)在壓按一下 st2 後,氣壓缸退回至 a0 時,自動停止 (C)在壓按一下 st2 後,氣壓缸伸出至 a1 時,自動停止 (D)在壓按一下 st1 時,氣壓缸伸出、退回,往復動作,在達到預定次數後,氣壓缸退回 a0 停止。
79. 氣壓壓力開關的使用,下列哪些是要注意的? (A)常壓式及真空式壓力開關作用原理是不同的, 不可以弄錯 (B)開關接點有正負之分,不可接錯 (C)檢查其壓力及開關的作動關係,可以使用三用 電表及壓力錶來完成 (D)管路內要加注潤滑油,以利作動靈敏。
80. 使用螺絲起子的安全規則,下列何者正確? (A)限於鬆脫常溫的螺釘 (B)為了方便鬆脫螺釘,可以使用電工用螺絲起子,配合手槌敲擊柄端 (C)螺絲起子首端應與螺釘頭部之凹槽吻合 (D)螺絲起子首端應保持兩邊平行。