所屬科目:A.電工原理、B.電子概論
3.有甲、乙、丙、丁四種材料,其電阻係數分別為 9✕10−8, 6✕10−8, 3✕10−8, 2✕10−8Ω-m,何者最適合做導體材料? (A)甲 (B)乙 (C)丙 (D)丁
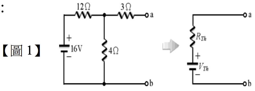
8.如【圖1】所示,戴維寧等效電阻RTh及等效電壓VTh分別為: (A) 6Ω,4V (B) 6Ω,-4V (C) 7Ω,4V (D) 6Ω,-12V
9.如【圖2】所示,若將可變電阻R調大,則A、B間之電位高低為: (A) VA>VB (B) VA<VB(C) VVA=VB (D) VA比VB電位先高後低
12流電源配線中,下列何者是1φ2W供電系統中火線所使用的導線顏色? (A)白色 (B)綠色 (C)藍色 (D)黑色
14.在【圖3】中,設開關S閉合前,電容器無能量,求開關S閉合後,4kΩ電阻所流過 之穩態電流 I 為多少mA? (A) 0.25 (B) 0.4 (C) 0.8 (D) 1
16.三線圈串聯如【圖4】所示,設L1=10亨利,L2=15亨利,L3=12亨利,M12=5亨利,M23=3亨利,M31=1亨利,則其等效總電感為: (A) 19H (B) 34H (C) 39H (D) 46H
20.有一直流網路,如【圖5】所示,當S打開時Vab=18V,S閉合時,I=6A, 則當a,c短路時,I之電流為何? (A) 6A (B) 12A (C) 18A (D) 21A
23.如【圖6】所示電路,該電路是屬於何種濾波器? (A)高通濾波器 (B)低通濾波器 (C)帶通濾波器 (D)拒帶濾波器
32.請問R-L-C串聯電路之諧振頻率fr及諧振時之功率因數PF分別為何? (A)(B)(C) (D)
38.如【圖7】所示,導體A()表示電流流出紙面方向,試問該導體之運動方向為何? (A)向左 (B)向右 (C)向上 (D)向下
49.請問RC串聯電路中,R =50kΩ,C = 100μF,則時間常數為何? (A) 5秒 (B) 50秒 (C) 500秒 (D) 5000秒
53.在【圖8】電路中電晶體Q作為開關使用,其電容CB及電阻RB的主要功能為何?(A)縮短電晶體的切換過程時間 (B)延長電晶體的切換過程時間 (C)提高電晶體導通時電流 (D)降低電晶體導通時電流
59.在下列邏輯閘中,何種閘為「當所有輸入均為0時,輸出才是0」? (A) (B) (C) (D)
60.如【圖9】所示之CE組態放大電路,已知VBE=0.7 V,β=100,RB=100kΩ, RC=2kΩ,VCE(sat)=0.2 V,請問VO電壓為:(A) 0.2 V (B) 1.4V (C) 1.7V (D) 10V
62.如【圖10】所示電路及電晶體之特性曲線,假設電晶體原來的工作點為Q點,則當RB電阻值變大時,其新的工作點將可能於下列哪一點?(A) A點 (B) B點 (C) C點 (D) D點
63.如【圖11】所示電路,若V1=+2伏特,V2=-4伏特,使用 理想運算放大器,則輸出電壓VO為: (A)-6V (B) 0V (C)+2V (D)+6V