阿摩線上測驗
登入
首頁
>
國營事業◆1.大地工程學 2.結構設計
>
101年 - 101 經濟部所屬事業機構_新進職員甄試_土木:1.大地工程學 2.結構設計#28555
> 申論題
題組內容
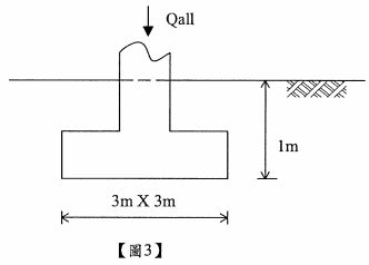
五、有一方形獨立基腳,尺寸為3 m x 3 m,置於砂質層地下1 m中,如上【圖3】,該砂質 層濕土單位重γ
m
=1.8 t/m
3
,地下水面下飽和單位重γ
sat
=2.0 t/m
3
,内摩擦角φ=30°,N
c
=37 ,N
q
=22,N
y
=19,安全係數3.0,試回答下列問題:
(二)地下水位位於地表下0.5 m處,求基礎容許載重Qaii。(4分)
相關申論題
一、已知一土壤含水量為15%,比重2.72,濕單位重為1.84 t/m3,最大孔隙比emax=0.9,最小 孔隙比emin=0.6,試求此土壤飽和度?(2分)相對密度? (3分)
#56553
(一)若黏土層為正常壓密黏土,在地表施加5 t/m2之均佈載重,求其壓密沉陷5 cm所需時 間。(5分)
#56554
(二)若黏土層下方非砂礫層而為不透水岩盤,黏土層為正常壓密黏土,為達成與問題(一) 相同時間内完成5 cm壓密沉陷量之目標,應如何調整地表均佈載重量?(5分)
#56555
(三)以問題(二)之均佈載重進行預壓密地盤改良完成後進行建築工程,開挖至地表下1 m ,樓荷重25 t/m2,荷重尺寸為30 m x 30 m,應力增量分佈為垂直:水平=2 : 1,試算 因黏土層壓密導致之沉陷量。(5分)
#56556
(一)該黏土有效應力參數c’及φ’。(5分)
#56557
(二)若取該黏土進行三軸CU試驗,圍壓σ3=15 t/m2,破壞時之軸向應力為σ1=27 t/m2,求 CU試驗破壞時之孔隙水壓為何?(5分)
#56558
(一)常時地下水位位於地表下2.5 m時,抵抗傾倒彎矩之安全係數。(4分)
#56559
(二)豪雨期間,地下水位上升至地表下1 m處,抵抗傾倒彎矩之安全係數。(6分)
#56560
(一)地下水位位於地表下2m處,求基礎容許載重Qaii。(4分)
#56561
(三)若該土層為黏土層,當地下水水位自地表下深處快速上升至地表時,請說明基礎短期 及長期安全性之比較。(2分)
#56563
相關試卷
114年 - 114 經濟部所屬事業機構_新進職員甄試試題_土木:1 .大地工程學 2 .結構設計#136983
114年 · #136983
113年 - 113 經濟部所屬事業機構_新進職員甄試_土木:大地工程學、結構設計#125722
113年 · #125722
112年 - 112 經濟部所屬事業機構_新進職員甄試_土木:大地工程學、結構設計#116949
112年 · #116949
111年 - 111 經濟部所屬事業機構_新進職員甄試_土木:1.大地工程學 2.結構設計#111359
111年 · #111359
110年 - 110 經濟部所屬事業機構_新進職員甄試_土木:1.大地工程學 2.結構設計#103710
110年 · #103710
109年 - 109 經濟部所屬事業機構_新進職員甄試_土木:1.大地工程學 2.結構設計#92845
109年 · #92845
108年 - 108 經濟部所屬事業機構_新進職員甄試_土木:1.大地工程學 2.結構設計#80799
108年 · #80799
107年 - 107 經濟部所屬事業機構_新進職員甄試_土木:1.大地工程學 2.結構設計#76259
107年 · #76259
106年 - 106 經濟部所屬事業機構_新進職員甄試_土木:1.大地工程學 2.結構設計#71695
106年 · #71695
105年 - 105 經濟部所屬事業機構_新進職員甄試_土木:1.大地工程學 2.結構設計#60323
105年 · #60323