阿摩線上測驗
登入
首頁
>
國營事業◆1.大地工程學 2.結構設計
> 101年 - 101 經濟部所屬事業機構_新進職員甄試_土木:1.大地工程學 2.結構設計#28555
101年 - 101 經濟部所屬事業機構_新進職員甄試_土木:1.大地工程學 2.結構設計#28555
科目:
國營事業◆1.大地工程學 2.結構設計 |
年份:
101年 |
選擇題數:
0 |
申論題數:
19
試卷資訊
所屬科目:
國營事業◆1.大地工程學 2.結構設計
選擇題 (0)
申論題 (19)
一、已知一土壤含水量為15%,比重2.72,濕單位重為1.84 t/m
3
,最大孔隙比e
max
=0.9,最小 孔隙比e
min
=0.6,試求此土壤飽和度?(2分)相對密度? (3分)
(一)若黏土層為正常壓密黏土,在地表施加5 t/m
2
之均佈載重,求其壓密沉陷5 cm所需時 間。(5分)
(二)若黏土層下方非砂礫層而為不透水岩盤,黏土層為正常壓密黏土,為達成與問題(一) 相同時間内完成5 cm壓密沉陷量之目標,應如何調整地表均佈載重量?(5分)
(三)以問題(二)之均佈載重進行預壓密地盤改良完成後進行建築工程,開挖至地表下1 m ,樓荷重25 t/m
2
,荷重尺寸為30 m x 30 m,應力增量分佈為垂直:水平=2 : 1,試算 因黏土層壓密導致之沉陷量。(5分)
(一)該黏土有效應力參數c’及φ’。(5分)
(二)若取該黏土進行三軸CU試驗,圍壓σ
3
=15 t/m
2
,破壞時之軸向應力為σ
1
=27 t/m
2
,求 CU試驗破壞時之孔隙水壓為何?(5分)
(一)常時地下水位位於地表下2.5 m時,抵抗傾倒彎矩之安全係數。(4分)
(二)豪雨期間,地下水位上升至地表下1 m處,抵抗傾倒彎矩之安全係數。(6分)
(一)地下水位位於地表下2m處,求基礎容許載重Qaii。(4分)
(二)地下水位位於地表下0.5 m處,求基礎容許載重Qaii。(4分)
(三)若該土層為黏土層,當地下水水位自地表下深處快速上升至地表時,請說明基礎短期 及長期安全性之比較。(2分)
(一)請舉出三點配置壓力鋼筋之優點。(3分)
(二)求此斷面之設計彎矩φMn? (7分)
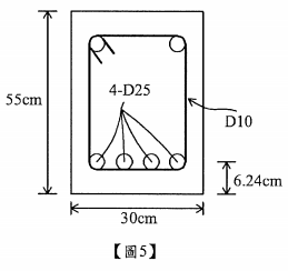
【已刪除】七、有一受風雨侵襲之梁斷面如上【圖5】所示,請檢核是否符合規範規定之撓曲裂紋控制及 淨間距要求,如不符合應如何改善。(粒料最大尺寸為2.6 cm,D10鋼筋標稱直徑0.97 cm ,D25 鋼筋標稱直徑 2.54 cm,fy=4,200 kgf/cm
2
) (5 分)
【已刪除】八、某一建築物之鋼筋混凝土柱(内柱)基礎如下【圖6】所示,柱斷面尺寸為0.3 m x 0.7 m, 基礎尺寸為4 m x 3 m,承受呆載重P
D
=80 tf,活載重P
L
=90 tf,彎矩為零,混凝土強度 fc’=280 kgf/cm
2
,請檢核該基礎雙向剪力強度(或稱穿孔剪力)及寬梁剪力強度(或稱梁式剪 力)是否足夠。(10分)
【已刪除】九、有一跨度16 m之鋼梁如下【圖7】所示,為一結實斷面型鋼,梁中點承受一集中載重Pu ,在A、B、C、D均有承壓能力良好之侧支撐,毋需考慮撓度及剪力,且不計梁自重, 請依極限設計法(LRFD)求此梁能承受之最大係數化集中載重Pu。(15分)
(一)規範限制填角銲最小銲接尺寸(腳長)之理由。(2分)
(二)規範規定轉角銲接長度要求為何?(2分)
(三)在不計轉角銲接強度,且開孔未經處理補強情況下,請依容許應力法(ASD)求該拉力 構材之最大工作載重P及填角銲接所需銲接尺寸。(6分)
相關試卷
114年 - 114 經濟部所屬事業機構_新進職員甄試試題_土木:1 .大地工程學 2 .結構設計#136983
114年 · #136983
113年 - 113 經濟部所屬事業機構_新進職員甄試_土木:大地工程學、結構設計#125722
113年 · #125722
112年 - 112 經濟部所屬事業機構_新進職員甄試_土木:大地工程學、結構設計#116949
112年 · #116949
111年 - 111 經濟部所屬事業機構_新進職員甄試_土木:1.大地工程學 2.結構設計#111359
111年 · #111359
110年 - 110 經濟部所屬事業機構_新進職員甄試_土木:1.大地工程學 2.結構設計#103710
110年 · #103710
109年 - 109 經濟部所屬事業機構_新進職員甄試_土木:1.大地工程學 2.結構設計#92845
109年 · #92845
108年 - 108 經濟部所屬事業機構_新進職員甄試_土木:1.大地工程學 2.結構設計#80799
108年 · #80799
107年 - 107 經濟部所屬事業機構_新進職員甄試_土木:1.大地工程學 2.結構設計#76259
107年 · #76259
106年 - 106 經濟部所屬事業機構_新進職員甄試_土木:1.大地工程學 2.結構設計#71695
106年 · #71695
105年 - 105 經濟部所屬事業機構_新進職員甄試_土木:1.大地工程學 2.結構設計#60323
105年 · #60323