阿摩線上測驗
登入
首頁
>
電子學
>
105年 - 105 專技高考_專利師(選試專業英文及電子學)、專利師(選試專業日文及電子學):電子學#55680
> 申論題
申論題
試卷:105年 - 105 專技高考_專利師(選試專業英文及電子學)、專利師(選試專業日文及電子學):電子學#55680
科目:電子學
年份:105年
排序:0
申論題資訊
試卷:
105年 - 105 專技高考_專利師(選試專業英文及電子學)、專利師(選試專業日文及電子學):電子學#55680
科目:
電子學
年份:
105年
排序:
0
題組內容
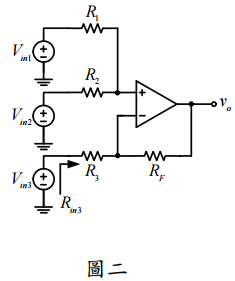
二、圖二為一個理想運算放大器(operational amplifier)所構成之加權加/減法器(weighted summer/subtractor)。其中 R
1
= 1 kΩ、R
2
= 2 kΩ、R
3
= 3 kΩ、與 R
F
= 6 kΩ。計算:
申論題內容
⑴以輸入電壓 V
in1
、V
in2
、與 V
in3
表示之輸出電壓 v
o
。(15 分)
詳解 (共 2 筆)
詳解
提供者:t980951
vin47
詳解
提供者:107職員已上榜
2V1+V2-2V3=Vo