阿摩線上測驗
登入
首頁
>
電子學
>
97年 - 97 普通考試_電力工程、電子工程、電信工程:電子學概要#48718
> 申論題
題組內容
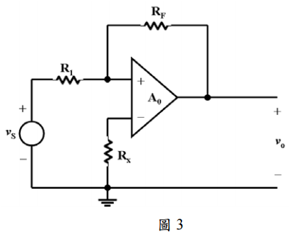
五、圖 3 所示為一運算放大器,試求
⑴輸出電壓v
o
與輸入電壓v
S
間之關係,
相關申論題
一、⑴試繪圖說明增強型 n-MOSFET 之半導體結構圖
#169912
⑵一個n通道MOSFET工作於飽和區域,MOSFET常數Kp =20mA/V2 ,臨界電壓( threshold voltage)為Vt=1.5V,若閘極-源極間之電壓為VGS=3V,試求MOSFET 於飽和狀態時之汲極電流ID值以及小信號轉導(transconductance)gm值。(20 分 )
#169913
⑴輸出電壓vo對 時間關係圖,
#169914
⑵電阻R
#169915
及⑶平均二極體電流值ID(av)。(20 分)
#169916
三、⑴試說明一回授電路(feedback circuit)產生振盪之條件
#169917
⑵試繪 SR 正反器(flip-flop)之符號圖及其真值表
#169918
⑶試解釋 Static RAM(SRAM)
#169919
⑷試解釋雙穩態振動器(bistable multivibrator) (20 分)
#169920
⑴試求每一節點 之電壓及所有分支電流(branch current),
#169921
相關試卷
115年 - 115 身心障礙特種考試_三等_電子工程:電子學#138969
115年 · #138969
115年 - 115 身心障礙特種考試_四等_電子工程:電子學概要#138929
115年 · #138929
115年 - 115-1 臺北市立大安高工教師甄選試題_電子/控制科:電子學#138452
115年 · #138452
115年 - 115 國營臺灣鐵路股份有限公司從業人員_甄試試題_第10階-助理技術員-電力、電務:電子學概要#138261
115年 · #138261
114年 - 114 地方政府公務特種考試_三等_電力工程、電子工程、電信工程:電子學#134800
114年 · #134800
114年 - 114 地方政府公務特種考試_四等_電力工程、電子工程、電信工程:電子學概要#134742
114年 · #134742
114年 - 114 專技高考_電子工程技師:電子學#133712
114年 · #133712
114年 - 114 公務升官等考試_薦任_電力工程、電子工程、電信工程:電子學#133247
114年 · #133247
114年 - 114 原住民族特種考試_四等_電子工程:電子學概要#130947
114年 · #130947
114年 - 114 專技高考_專利師(選試專業英文及電子學)、專利師(選試專業日文及電子學):電子學#130110
114年 · #130110