阿摩線上測驗
登入
首頁
>
靜力學概要與材料力學概要
>
102年 - 102 地方政府特種考試_四等_土木工程:靜力學概要與材料力學概要#25854
> 申論題
題組內容
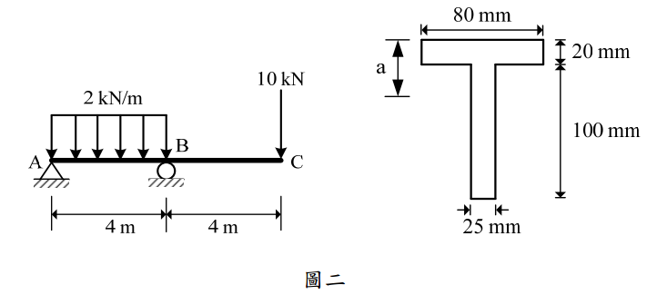
二、圖二為梁 ABC 及其作用力與梁之斷面。
⑶計算此梁斷面的最大張應力(tensile stress)和最大壓應力(compressive stress)。 (10 分)
相關申論題
⑴計算懸臂梁固定端(Fixed)的反力。(10 分)
#39011
⑵畫出梁 ABC 的剪力與彎矩圖(Shear force and bending moment diagrams)。(10 分)
#39012
⑴計算此梁斷面的中性軸位置(a =?)。(10 分)
#39013
⑵計算對斷面中性軸的面積慣性矩(area moment of inertia)。(10 分)
#39014
⑷計算此梁腹版的最大剪應力(shear stress)。(10 分)
#39016
⑴求 A 點與 E 點的反力。(10 分)
#39017
⑵求構件 CD、BG 及 FG 的軸力(請標示張力或壓力)。(10 分)
#39018
四、如圖示之托架,力量 F1 = 70 N , F2 = 30 N 分別作用於 B,D 兩點,求此力系之合力向量 ,及對 O 點之合力矩向量。(25 分)
#505350
三、如圖示,垂直桿 ABC 為非等截面。AB 段:長度 L1 ,截面積 A1 ,楊氏模數為 E ;BC 段:長度 L2 ,截面積 A2 ,楊氏模數為 E 。水平桿 BDE 為剛性桿。外力 P1 及 P2 分別作用於 C 點及 E 點。求:B 點垂直方向位移, C 點垂直方向位移,E 點垂直方向位移。(25 分)
#505349
二、重為W 之物體放在傾斜θ角之斜面上,如圖所示。物體與斜面間的最大靜摩擦角為,且 > q ,則使物體產生臨界運動(impending motion) 之最小水平力 Q = ? (25 分)
#505348
相關試卷
112年 - 112 地方政府特種考試_四等_土木工程:靜力學概要與材料力學概要#118356
112年 · #118356
111年 - 111 地方政府特種考試_四等_土木工程:靜力學概要與材料力學概要#112293
111年 · #112293
110年 - 110 地方政府特種考試_四等_土木工程:靜力學概要與材料力學概要#104835
110年 · #104835
109年 - 109 地方政府特種考試_四等_土木工程:靜力學概要與材料力學概要#94612
109年 · #94612
108年 - 108 地方政府特種考試_四等_土木工程:靜力學概要與材料力學概要#81277
108年 · #81277
107年 - 107 地方政府特種考試_四等_土木工程:靜力學概要與材料力學概要#73394
107年 · #73394
106年 - 106 地方政府特種考試_四等_土木工程:靜力學概要與材料力學概要#66825
106年 · #66825
105年 - 105 地方政府特種考試_四等_土木工程:靜力學概要與材料力學概要#58621
105年 · #58621
104年 - 104 地方政府特種考試_四等_土木工程:靜力學概要與材料力學概要#35399
104年 · #35399
103年 - 103 地方政府特種考試_四等_土木工程:靜力學概要與材料力學概要#31177
103年 · #31177