阿摩線上測驗
登入
首頁
>
國營事業◆1.大地工程學 2.結構設計
> 102年 - 102 經濟部所屬事業機構_新進職員甄試_土木:1.大地工程學 2.結構設計#28378
102年 - 102 經濟部所屬事業機構_新進職員甄試_土木:1.大地工程學 2.結構設計#28378
科目:
國營事業◆1.大地工程學 2.結構設計 |
年份:
102年 |
選擇題數:
0 |
申論題數:
13
試卷資訊
所屬科目:
國營事業◆1.大地工程學 2.結構設計
選擇題 (0)
申論題 (13)
(一)水力坡降 i。(5 分)
(二) 滲流方向。(5 分)
(三) 每單位寬度之流量。(5 分)
【已刪除】二、已知土層剖面如【圖 2】所示,假設毛細上升至地下水位上 4 m,試繪出σ、u 和σ' 隨深 度變化圖:(15 分)
(一) 繪出側向土壓力包絡線。(請依據 Peck 建議方式)(5 分)
(二) 橫撐 A、B 及 C 處之載重大小。(5 分)
(三) 若鋼板樁(擋土壁體)之容許撓曲應力σ
all
=170 MN/m
2
,其斷面模數為何?(5 分)
(四) 若橫檔鋼材之容許撓曲應力σall=150 MN/m2 ,B 處橫檔之斷面模數為何?(5 分)
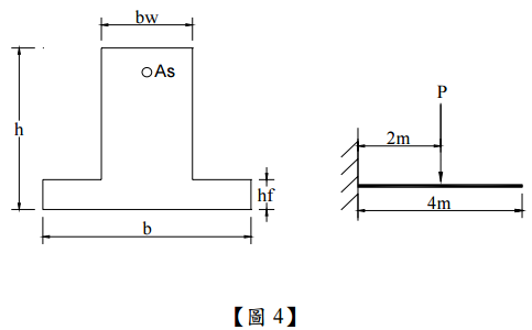
【已刪除】四、如【圖 4】所示之 T 形 R.C.樑,樑長 L=4 m,斷面 b=80 cm ,b
w
=35 cm,h=65 cm,d=60 cm ,h
f
=12 cm,除自重外,樑中央點有集中活重 P=10t 作用。採用之材料性質為 f'
c
=210 kg/cm
2
,fy=2800 kg/cm
2
,試設計樑固定端所需之抗彎鋼筋量。(15 分)
(一)試以純軸力狀態、平衡狀況及純樑狀態等三點,簡化為折線方式求 P
n
-M
n
交互影響曲 線(Inteaction Curve)。(10 分)
(二)若樑之最大使用活重 L ( maximum service live load ) 是由短柱之最大允許軸力強度所控 制,試問在此最大活重 L 之作用下,樑左端之滾支承至多可以偏離柱中心線幾公分? (5 分) ( 提示:使用 Pn-Mn圖 )
(一)試求該斜撐桿件所能承擔之最大容許拉力(T)。(10 分)
(二)試求該平面結構所能承擔之最大水平風力(W),假設該平面結構之設計係由斜撐桿件 所控制。(10 分) 附註:根據容許應力設計法(ASD) 有效斷面積 Ae = UAn ,其中 U 為折減係數,An為淨斷面積,本題假設 U=0.85。 塊狀剪力(Block Shear) 作用於剪力面上之容許剪應力 Fv = 0.3 Fu。
相關試卷
114年 - 114 經濟部所屬事業機構_新進職員甄試試題_土木:1 .大地工程學 2 .結構設計#136983
114年 · #136983
113年 - 113 經濟部所屬事業機構_新進職員甄試_土木:大地工程學、結構設計#125722
113年 · #125722
112年 - 112 經濟部所屬事業機構_新進職員甄試_土木:大地工程學、結構設計#116949
112年 · #116949
111年 - 111 經濟部所屬事業機構_新進職員甄試_土木:1.大地工程學 2.結構設計#111359
111年 · #111359
110年 - 110 經濟部所屬事業機構_新進職員甄試_土木:1.大地工程學 2.結構設計#103710
110年 · #103710
109年 - 109 經濟部所屬事業機構_新進職員甄試_土木:1.大地工程學 2.結構設計#92845
109年 · #92845
108年 - 108 經濟部所屬事業機構_新進職員甄試_土木:1.大地工程學 2.結構設計#80799
108年 · #80799
107年 - 107 經濟部所屬事業機構_新進職員甄試_土木:1.大地工程學 2.結構設計#76259
107年 · #76259
106年 - 106 經濟部所屬事業機構_新進職員甄試_土木:1.大地工程學 2.結構設計#71695
106年 · #71695
105年 - 105 經濟部所屬事業機構_新進職員甄試_土木:1.大地工程學 2.結構設計#60323
105年 · #60323