所屬科目:北水◆基本電學、電機機械
3. 如下圖所示電路,則電流 I2 為多少?(A)6A (B)8A (C)10A (D)12A
4.如下圖所示電路之等效電路中,I 之值為
(A)4 安培 (B)1.2 安培 (C)–4 安培 (D)3 安培
6.如下圖所示電路,試求 a、b 兩端之總電容量等於 (A)12 (B)30(C)12 (D)6 μF 。
8.如下圖所示,其總電感量為若干H?(A)7(B) 10(C)12 (D)36H。
9.試計算圖電路中當開關 t 關閉後,電路充電時間常數為多少?(A)300 (B)400 (C)500 (D)600
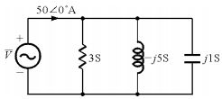
10.下圖所示之電路,求穩態時之 (A) 安培 (B) 安培 (C) 安培 (D) 安培
11.如下圖所示,若電路工作在諧振頻率上,則下列敘述何者有誤? (A)諧振頻率約為8Hz (B) 等效阻抗Zi為50kΩ (C) PF=1 (D) 品質因數為200。
13. ,求 = ? (A) 0 (B) 30 (C) 20∠60° (D) 20∠-60°。
14.如下圖所示,求 ab 兩端戴維寧等效阻抗 ( ) = ? (A) 6- j8 (B) 6+ j8 (C) 6- j12 (D) 6+ j12。
15.串聯 R、L、C 電路中, ,此電路之諧振頻率與品質因數分別是多少? (A) ,25 (B) ,25 (C) ,50 (D) ,50
16.如下圖所示,若電路工作在諧振頻率上,則下列敘述何者有誤? (A)諧振頻率約為 4Hz (B)(C)功率因數為 1 (D)品質因數為 250
17.下圖為 R-L-C 串聯電路,在諧振時電感器的端電壓為 (A)10 伏特 (B)20 伏特 (C)100 伏特 (D)200 伏特
18.如下圖所示,R-L-C 並聯諧振電路,試求此電路的上限截止頻率與下限截止頻率各為 (A)854kHz 與 812kHz (B)875kHz 與 791kHz (C)896kHz 與 770kHz (D)916kHz 與 750kHz
19.RLC 並聯諧振電路,在電路諧振時,下列敘述何者錯誤?(A)電感電流與電容電流相位差180° (B) 諧振頻率為 (C)功率因數=1 (D)電路阻抗最小
20.如下圖所示,= ? (A) 3- j4 (B) 3+ j4 (C) (D) 。
23.加在某單相電路上之電壓為 伏特,通過之電流為 安培,電源供應器之平均功率為 (A)110W (B)250W (C)500W (D)1000W
24.一正弦交流電壓V為110伏特,則此正弦波形之峰對峰值 為(A)110伏特 (B) 伏特 (C) 伏特 (D)220 伏特
25.有一交流電流為 安培,試問下列何者錯誤?(A)電流最大值為 141.4A (B) 電流有效值為 100A (C)此電流之頻率為 50Hz (D)此電流之相位角為0°
27.設一匝數為 1 之線圈置於之磁場中,若在 0.1 秒內其值降為零,則其感應電動勢 為若干? (A)0.3(V) (B)0.15(V) (C)0.6(V) (D)0.9(V)
43.一導線貫穿 100 匝之線圈,該導線之磁通量為韋伯。若在 0.1 秒內此磁通均勻下降為零,則此線圈之感應電動勢為多少伏特(V)? (A)30V (B)15V (C)45V (D)7.5V