所屬科目:北水◆基本電學、電機機械
1. 下列何者帶正電?(A) 質子 (B) 中子 (C) 電子 (D) 粒子
2. 波爾原子模型中,離原子核最遠的最外層軌道之電子,稱為:(A) 價電子 (B) 自由電子 (C) 負離子 (D) 束縛電子
3. 判斷半導體材料能否產生自由電子的能隙 (energy gap) 大小,常用的單位是什麼? (A) 伏特 V (B) 庫倫 C (C) 瓦特 W (D) 電子伏特 eV
4. 已知導線上之電流為 1 A,此導線每秒通過之電量有多少個自由電子?(A) 1.6×1019(B) 6.25×1018 (C) 10 (D) 746
5. 某工廠為節約能源,裝設太陽能板,假設日照穩定,平均以每秒 0.1 A 電流向蓄電池充 10 小時,求太陽能板對蓄電池充電為多少庫侖?(A)36 庫侖 (B) 360 庫侖 (C) 4,000 庫侖 (D) 3,600庫侖
6. LED 發光的顏色主要與下列何者有關?(A) 外加電壓大小 (B) 通過的電流大小(C) 外加電壓頻率 (D) 所使用的材料之能帶間隙
7. 有 60 W 的燈泡接於 110 V 的交流電源,則流過燈泡的電流為多少?(A) 545 mA (B) 1.2 mA (C) 60 mA (D) 6,600 mA
8. 電力公司收據依據的 1 度電之定義,下列選項何者為非:(A) 1 kWh (B) 3,600,000 Joules(C) 10 N-m (D) 500 W 設備累計使用 2 小時
9. 有一個 12 W LED 燈泡連續使用 12 小時,消耗幾度電能?(A) 144 度 (B) 1.728 度 (C) 100 度 (D) 0.144 度
10. 有一用戶其用電設備及用電時間如下 : 1,200 W 電熱器 1 只,平均每天用 3 小時;100 W 電燈 10 只,平均每天用 5 小時;300 W 電冰箱 1 台,平均每天用 8 小時,則一個月以 30 天計算,共使用多少電能? (A) 220 度 (B) 342 度 (C) 330 度 (D) 432 度
11. 一 RC 串聯電路,R = 2 kΩ,C = 0.2 μF,外加 20 V 電源,則經歷多少時間之後,電容器兩端的電壓接近 20 V? (A)1ms (B) 2 ms (C) 0.4 ms (D) 0.5 ms
12. 下列有關導線中通過的電流之特性的選項,何者為正確?(A) 電流與導線材料之自由電子密度成反比(B) 電流與導線截面積成反比(C) 電流與電子移動速率成反比(D) 電流單位是安培
13. 某電氣負載之額定為 110 V / 1,500 W,則其等效電阻約為多少歐姆?(A) 6.45 (B) 8.06 (C) 10.08 (D) 13.6 Ω
14. 某色碼電阻之顏色依序為綠、紫、紅、銀,最高數值為(A) 0.57 kΩ±10% (B) 57 Ω±10% (C) 5.7 kΩ±10% (D) 5.7 Ω±10%
15. 下圖的陶瓷盤式電容器上標示了 473J,其代表電容值為多少?(A) 47,000 nF±5% (B) 47,000 nF±10%(C) 47,000 pF±5% (D) 47,000 pF±10%
16. 若將某銅線拉長 5 倍時,其電阻變為原來的幾倍?(A) 5 (B) 15 (C) 25 (D) 35 倍
17. 如圖所示,I 為多少?(A) 72 (B) 12 (C) 2 (D) 6 A
18. 兩並聯電阻 R1 與 R2 分別流電流為 IR1=4 A,IR2= 12 A,若 R1=15 ,則 R2 的電阻為多少? (A) 2 (B) 5 (C) 20 (D) 45
19. 下列何種電阻器適用高功率低電阻?(A) 金屬膜 (B) 碳膜 (C) 碳素 (D) 線繞
20. 在串聯電路中,多個電阻串連後的等效電阻之計算方式應為(A) 相加 (B) 相減 (C) 相乘 (D) 相除
21. 有一並連聯電路,是由 6 個電阻並聯而成。其中 40 Ω 電阻 2 個、20 Ω 電阻1 個、10 Ω 電阻 3 個,其等效電阻為(A) 10 Ω (B) 7.5 Ω (C) 5 Ω (D) 2.5 Ω
22. 如圖所示電路,開關 S 閉合時流過 1 Ω 的電流,是開關 S 啟斷時流過 1 Ω 電流的幾倍?(A) 1 (B) 2 (C) 3 (D) 5
23. 有關電阻的串並聯對於電壓及電流的影響,下面的選項中,何者為非?(A) 電阻串聯,串電阻越多,等效電阻越大(B) 電阻並聯,並聯電阻越多,等效電導越大(C) 電阻並聯,並聯電阻越多,等效電阻越大(D) 電阻並聯,可以分流;電阻串聯,可以分壓運用
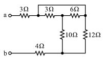
25. 如圖所示,等效電阻 Rab 為: (A) 38 Ω (B) 12 Ω (C) 13 Ω (D) 15 Ω
26. 將電壓3 v t t ( ) cos( )V = + 120 10 30 加於一 RLC 串聯電路,若 C =100 μF,則於 諧振時,L 值應為多少? (A) 12 mH (B) 10 mH (C) 6 mH (D) 4 mH
27. 有一交流電壓 v(t)=157sin377t,求此電壓正半週平均值為多少?(A) 100 V (B) 110 V (C) 78.5 V (D) 141 V
28. 有一正弦波電壓波形如下圖,下列選項何者正確(A) 頻率為 20 Hz (B) 頻率為 20 rad/sec(C) 頻率為 50 Hz (D)週期為 20 rad/sec
29. 有兩個訊號分別為 i1(t)=3sinωt、i2(t)= − 4cosωt,則 i1(t)+ i2(t)=(A) 5sin(ωt+53.1°)(B) 5sin(ωt−53.1°)(C) −1cos(ωt+53.1°)(D) −12cos(ωt−53.1°)
30. 有一個交直流混合電路,包含有 1 個直流電壓源、2 個不同頻率的正弦波電壓源,則在分析計算時,下面哪一個選項是正確的? (A) 直接用穩態交流電一併處理即可 (B) 用節點電壓法直接一併計算 (C) 用戴維寧定律及諾頓定律直接一併計算 (D) 只能用重疊定律一個一個電源單獨存在時做計算
31. 已知一交流電壓為 v(t)=100sin(314t-30˚),則其頻率為多少?(A) 50 Hz (B) 60 Hz (C) 100 Hz (D) 120 Hz
32. 有一部 4 極同步發電機,若感應電壓的頻率為 60 Hz,則同步轉速為多少rpm?(A) 60 (B) 1,800 (C) 15 (D) 7,200
33. 兩個有耦合關係的電感,分別為 10 H 與 18 H,將之串聯後,測量得到等效電感 Ladd=36 H,將其中任一個反接成再串聯重測一次,得到等效電感 Lsub =20H,則此兩電感間的互感為多少?(A) 4 H (B) 6 H (C) 8 Ω (D) 10 Ω
34. 在 RLC 串聯電路中,當電源頻率高過共振頻率之後,則下列的選項何者錯誤?(A) 電容器的阻抗越來越小(B) VL > VC(C) VL < VC(D) 電流由最大開始一路變小
35. 如圖所示,若以一理想交流伏特表量測得知 VR =30 V、VL =40 V、VC =80V,則 電源 E 的電壓大小為(A) 50 V(B) 120 V(C) 70 V(D) 150 V
36. 有一電壓 V= 120∠0°被加到 Z=30−j70 Ω 的阻抗兩端時,則在阻抗上的平均吸收功率為多少?(A)189.12 W(B)37.24 W (C) 378.24 W (D) 74.5 W
37. 如圖所示,電路中電源供應的平均功率為多少?(A) 20 W (B) 10 W (C) 2.5 W (D) 5.59 W
38. 下列敘述何者正確?(A) 負數功率為電壓和電流的直接乘積(B) 視在功率的單位為 W(C) 虛功率的單位為 VA(D) 功率因數是沒有單位的,是平均功率與視在功率的比值
39. 某三相△型接法之平衡負載,每相阻抗為 5∠36.9°Ω,接於線電壓 220 V 的三相平衡電源上,則下列敘述何者正確?(A) 負載相電壓為 127 V(B) 負載線電流為 44 A(C) 負載功率因數為 0.8(D) 負載每相電抗大小為 4 Ω
40. 下圖的電路,A 是輸入端,C 是輸出端,則此電路屬於何種功能的邏輯閘?(A) NOT 閘 (B) 緩衝閘 (C) 記憶體 (D) 延時閘
41. 如圖所示的理想運算放大器中,在未飽和的情況下,如果 V0= −10 V,則 R2是多少?(A) 80 kΩ (B) 70 kΩ (C) 60 kΩ (D) 50 kΩ
42. 如圖所示,運算放大器中如果 vi = 0.5 V,則 10 kΩ 電阻中的電流是多少?(A) 5 μA (B) 50 A (C) 50 μA (D) 0.05 A
43. 如圖所示,運算放大器中 RL 之電流大小為多少?(A) Vi/2RL (B) Vi/R1 (C) 3Vi/2RL A (D) 2Vi/R1A
44. 使用三用電表之電阻檔來測量二極體,假設順向電阻為 R1、逆向電阻為 R2,則下列敘述何者正確?(A) R1 的值非常小、R2 的值非常大(B) R1 的值非常大、R2 的值非常小(C) R1 及 R2 的值都非常小(D) R1 及 R2 的值都非常大
45. 下列有關實際二極體的敘述何者錯誤?(A) 順向偏壓時,有切入電壓存在(B) 矽二極體的工作溫度上限約為 150°C 至 200°C(C) 無論逆向偏壓多大,二極體仍然不能導通(D) 逆向偏壓不大時,會有小量的逆向飽和電流
46. 在並聯 RLC 交流諧振電路中,f0 = 1 kHz,R=10 kΩ,L=100 mH,求品質因數 Qp 或頻寬 BW 為何?(A) QP = 31.8 (B) QP = 15.9 (C) BW = 38.3 Hz (D) BW = 43.1 Hz
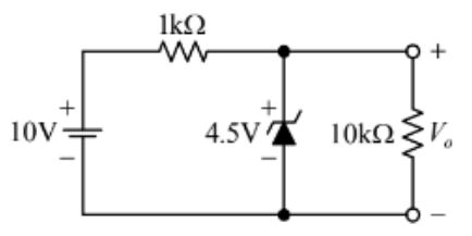
47. 如圖所示,若將稽納二極體反接,則輸出電壓 V0 為多少?(A)8 V (B) 3.2 V (C) 4.5 V (D) 0.7 V
48. 在 P 通道電晶體 MOSFET 如下圖所示,下列的敘述,何者是對的?(A) 必須在柵極(G)施加較源極(S)正電壓,才會進入飽和區(B) P 通道內負責主要導電的電荷載體為電子(C) P 通道內負責主要導電的電荷載體為正電的電子(D) P 通道內負責主要導電的電荷載體為電洞
49. 只要輸入有一個為 0,輸出即為 1 的為何種邏輯閘?(A) AND (B) OR (C) NAND (D) NOR
50. 下圖所示二極體電路為何種邏輯閘的功能?(A) AND 閘 (B) NOT 閘 (C) OR 閘 (D) NXOR 閘