所屬科目:北水◆基本電學、電機機械
7.有一電路如(圖 7) 所示,當電阻 RL 有最大功率的產生時,RL 為多少歐姆(Ω),且最大功率為多少瓦特(W)?(A) 8Ω;8W (B) 4Ω;8W (C) 4Ω;4W (D) 8Ω;4W
8.有一電路如(圖 8) 所示,當開關 S 閉合達穩態後,電壓值Vc為多少伏特?(A) 6V (B) 12V (C) 14V (D) 28V
9.有一電路如(圖 9) 所示,若為使電源外之阻抗的功率因數 cos θ =1,則電容值(C)應為多少法拉(F)? (A) 40 μF (B) 60 μF (C) 80 μF (D) 100 μF
10.有一電路如(圖 10) 所示,流過 6Ω 的電流為多少安培?(A) 3A (B) 4A (C) 5A (D) 6A
11.如(圖 11) 所示,其互感值 M=3H,則 ab 兩端的電感值為多少亨利(H)?(A) 18H (B) 20H (C) 24H (D) 30H
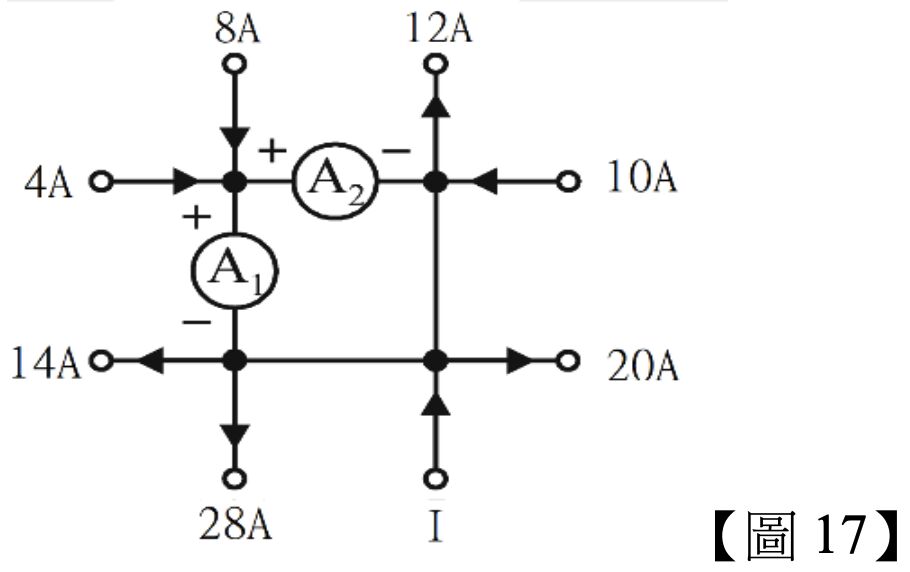
17.如(圖 17) 所示之電路,請求電流表讀值 A1+A2 為何?(A) 2A (B) 12A (C) 42A (D) 52A
23.如(圖 23) 所示之電路,若輸入的電源電壓,且每相阻抗ZL=9+j24Ω ,請求相電流IP 為多少安培?(A) 7A (B) (C) 21A (D)
24.如(圖 24) 所示之電路圖使用理想電壓表作電壓量測,當開關 S 打開時電壓表讀值為 12V,開關 S閉合時電壓表讀值為 1V,請問電阻 r 和電源 e 分別為多少數值?(A) 50Ω,11V (B) 40Ω,11V (C) 50Ω,12V (D) 55Ω,12V