所屬科目:北水◆基本電學、電機機械
1.有一導線,每秒流過 6.25✖ 1019 個電子,其電流為多少安培{A}? (A) 1 (B) 4 (C) 10 (D) 40
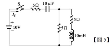
5.如【圖 5】所示電路之電感及電容均無儲能,則在開關 S 閉合瞬間,電源電流 IS應為何? (A) 1A (B) 2A (C) 1.333A (D) 0A
7.如【圖 7】所示,則此 R-L-C 串聯電路之諧振頻率 ,及諧振時之功率因數 PF 分別為何? (A) (B) (C) (D)
9.如【圖 9】所示為直流電壓表電路,表頭滿刻度電流 Ifs=200μA,內阻 Ra=5kΩ,現欲展至滿刻度為 20V 之電壓表,則 R1 值和此電壓表之電壓靈敏度 SV分別為何?(A)R1=100kΩ,SV=5kΩ/V (B) R1= 95kΩ,SV=5kΩ/V (C) R1= 100kΩ,SV=10kΩ/V (D) R1= 95kΩ,SV=10kΩ/V
11.如【圖 11】所示,其戴維寧等效電路 Rth、Vth 分別為何?(A) 40kΩ、1.5V (B) 40kΩ、13.5V (C) 36kΩ、1.5V (D) 36kΩ、13.5V
18.一個電源電壓 ,電源電流為 的交流電路,其瞬間 功率頻率為多少赫茲(Hz)? (A) 60Hz (B) 120Hz (C) 50Hz (D) 100Hz
20.將某線圈通以 4A 電流,其匝數為 80 匝,若磁通未飽和時產生的磁力線數( Φ)為 ,則此線 圈的自感量(L)為多少亨利(H)? (A) 0.4H (B) 0.8H (C) 1.6H (D) 2H
21.如【圖 21】所示之電路,在 t = 0 秒時將開關 S 閉合;若電容電壓的初值為零,則 S 閉合後電容電 壓v c 為多少伏特(V)? (A) (B) (C) (D)
24.現有兩個阻抗分別為=50∠30°Ω與 2 =50∠-30°Ω,兩者作串聯連接,則總阻抗 等於多少歐姆(Ω)? (A) (B) 50∠60°Ω (C) 100∠0°Ω (D) 100∠60°Ω
47.三相感應電動機之等效電路中,轉差率、轉子電流與電阻分別為 S、I2與 R2,則等效電路中 所 代表的為下列何者? (A)轉子輸出功率 (B)消耗於轉子之熱功率 (C)摩擦損失功率 (D)轉子輸入功率
50.一部 Y 接 381V、4 極、60Hz 的三相圓柱型同步電動機,若其同步電抗為 20Ω,當每相反電勢為 200V, 轉矩角為 30°時,此同步電動機的輸出轉矩 為多少牛頓-米(N-m)? (A) N-m(B) N-m(C)N-m(D)N-m