所屬科目:北水◆基本電學、電機機械
1.某交流正弦電壓訊號的最大值為、均方根值(有效值)為、平均值為,其波形因數(form factor)應為何? (A) (B) (C) (D)
4.將v(t) = sin(377t + 60°) V的電壓跨接於某電阻兩端時會產生500 W 功率,則該電阻的電阻值為何? (A) 80 Ω (B) 120 Ω (C) 160 Ω (D) 200 Ω
6.在20μF電容器的兩端測得80 V電壓,該電容器儲存電荷量為何? (A) 800 微庫侖 (B) 1600 微庫侖 (C) 3200 微庫侖 (D) 6400 微庫侖
9.自感量為= 60 mH與= 15 mH的兩線圈,兩者之間互感量M= 18 mH,此兩線圈的耦合係數 k 為: (A) 0.6 (B) 0.3 (C) 0.24 (D) 0.12
14.兩線圈= 150匝與 = 300匝繞置於相同鐵心以達成磁耦合,當加入 3 A 電流於線圈時產生 0.02 韋伯的磁通與線圈交鏈,其中 0.016 韋伯的磁通會與線圈交鏈,則兩線圈的互感量 M 為: (A) 3.6 H (B) 1.6 H (C) 1 H (D) 0.4 H
15.有一交流電路的電源電壓= 100∠45°V、電源電流= 5∠ − 15°A,此電路的功率因數為: (A) cos60° (B) cos30° (C) sin60° (D) sin30°
19.有一交流電流為i(t) = 20 cos(ωt − 30°) A,此交流電流的向量表示方式為: (A) (B) (C)(D)
21.有一電源的電壓為,此電源電壓的平均值與均方根值分別為: (A)= 50 V,= 175 V (B)= 100 V,= V (C) = 100 V,= 125 V (D) = 100 V,= 75 V
22.將 2 mA 電流通過顏色依序為:綠棕橙金的色碼電阻,則色碼電阻的電阻值 R 與其消耗功率分別為: (A) R = 51 K ± 10% Ω, = 0.204 W(B) R = 51 K ± 5% Ω, = 0.204 W (C) R = 5.1 K ± 10% Ω, = 20.4 mW(D) R = 5.1 K ± 5% Ω, = 20.4 mW
23.有一交流電源的電壓為= 200∠0° V、電源的內阻抗為 = 8 + j6 Ω,若要讓負載要獲得最大功率, 則負載的阻抗與最大功率分別為: (A) = 8 − j6 Ω, = 2500 W (B) = 8 − j6 Ω,Pmax = 1250 W (C) = 8 + j6 Ω,Pmax = 1600 W (D) = 8 + j6 Ω,Pmax = 800 W
24.在 RLC 並聯電路中,已知= 120 sin(100t) V,R = 16Ω、L = 250 mH,當該電路產生諧振時的 C 值為:(A) 100 μF(B) 250 μF (C) 400 μF (D) 500 μF
26.有一交流電路的,此電路的實功率(有效功率)P與虛功率(無效功率)Q分別為: (A) P = ,Q= 500 VAR (B) P = ,Q = 250 VAR (C) P = 500 W,Q = 0 VAR (D) P = 0 W,Q = 500 VAR
27.如【圖 27】所示電路,當電壓 = 12 V時,則電流I1與I分別為: (A) I1 = 1 A,I = 2 A (B) I1 = 5 A,I = 6 A (C) I1 = 6 A,I = 8 A (D) I1 = 7 A,I = 9 A
31.如【圖 31】所示電路,在 t=0 秒時將開關 S 閉合;若電容電壓初值為 10 V,則 S 閉合後的電容器瞬間電流Ic(0)與充電時間常數Tc分別為何? (A) Ic (0) = 8 mA,Tc = 0.1 秒 (B) Ic (0) = 10 mA,Tc = 0.15 秒 (C) Ic (0) = 12 mA,Tc = 0.2 秒 (D) Ic (0) = 15 mA,Tc = 0.25 秒
33.有 1000 匝線圈通過 5 A 之電流產生韋伯之磁通量,其線圈自感量為多少亨利? (A) 0.5 (B) 1 (C) 2 (D) 4
41.有一 2 極交流發電機,線圈之轉速為 3600 r.p.m,其發電機之輸出頻率為多少? (A) 30 (B) 60 (C) 90 (D) 120
42.如【圖 42】所示之電路,E=100 V,R=100 KΩ,C=50 μF,當 t=0 時將 S 閉合,該電路的時間常數為多少? (A) 2.5 秒 (B) 5 秒 (C) 25 秒 (D) 50 秒
47.如【圖 47】所示,其戴維寧等效電路阻抗為何? (A) 6-j8 Ω (B) 6+j8 Ω (C) 8+j6 Ω (D) 8-j6 Ω
48.如【圖 48】所示之電路,若每個電阻皆為 3 Ω,則之電阻值為何? (A) 1.5 Ω (B) 3 Ω (C) 4.5 Ω (D) 6 Ω
49.如【圖 49】所示,欲使電路產生諧振,則應為多少? (A) 1 Ω (B) 2 Ω (C) 3 Ω (D) 4 Ω
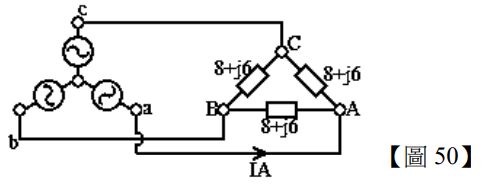
50.如【圖 50】所示,已知其相序為 abc, ,則為多少 A? (A)(B) 30∠ − 36.9° (C) (D) 30∠ − 6.9°