所屬科目:北水◆基本電學、電機機械
9. 已知【圖1】中之I1 = 2A,I2 = −2A,I3 = 3A,則I4為多少安培( A )? (A)7 (B)3 (C) -3 (D) -7
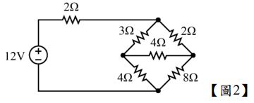
10. 如【圖2】之直流電路,電壓源供給的電流為多少安培( A )? (A)4 (B)2 (C)1 (D)0.5
11. 如【圖3】所示,若要符合圖中之電壓與電流關係,則Rx應等於多少歐姆(Ω)? (A)0.5 (B)1 (C)1.5 (D)2
12. 有1μF、2μF、4μF、8μF共4個電容器串聯,則總電容量為多少微法拉(μF)? (A)15 (B)(C)(D)
13. 某塑膠薄膜電容器上標示103J,表示此電容器之電容量為 (A)103pF ± 10% (B)103μF ± 5% (C)103μF ± 10% (D)0.01μF ± 5%
14. A、B兩電容器,以相等的電荷充電後,測得A的電壓為B電壓的4倍,則B的電容量為A 的多少倍? (A)16 (B)(C)4 (D)
17. 有兩線圈N1=60匝、N2=120匝,透過一鐵心達到磁耦合的目的。當N1通以2A電流時, 產生磁通φ1 = 韋伯,磁交鏈韋伯,則L1及L2自感量分別為多少亨利 (H)? (A)0.3及1.2 (B)0.3及0.6 (C)1.2及4.8 (D)1.2及2.4
18. 一線圈之匝數為800匝,通過之電流為4A,產生之磁通為韋伯,試求該線圈所 儲存之能量為多少焦耳(J)? (A)2 (B)4 (C)5 (D)8
19. 3只20Ω之電阻,以Y接線時其線電流為12A,如電源電壓不變下,改為△接線時,其線電流應為多少安培( A )? (A)4 (B) (C) (D)36
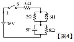
20. 如【圖4】所示,在t=0時,S閉合,此時電流I為多少安培( A )? (A)1.8 (B)2 (C)3 (D)3.6
21. 三相電動機做Y接線時,其輸出功率為P,今改為△接線,其輸出功率為 (A)3P (B) (C)P (D)
23. RLC並聯電路中,若R = 10Ω,= 5Ω,= 15Ω,電源電壓為60∠0°V,則線路總電流為多少安培( A )? (A) (B)° (C)10∠ 53° (D)10∠ − 53°
24. 有一RLC串聯電路,其諧振頻率= 500?z,R= 5Ω,= 50Ω,則頻寬為多少Hz? (A)100 (B)50 (C)10 (D)2
30. 下列有關電學中之諧振電路的敘述,何者不正確? (A)諧振時功率因數為0.8 (B)R-L-C並聯諧振時,電路總阻抗最大 (C)R-L-C串聯諧振時,電路總阻抗最小 (D)R-L-C串聯諧振時,
34. 如【圖5】所示之電路,開關S在接通瞬間,流經2Ω的電流為多少安培( A )? (A)1A (B)2A (C)3A (D)4A
36. 某一接正相序的平衡三相發電機連接至一平衡三相負載,則下列有關此三相發電機之敘述,何者正確? (A)線電流等於相電流 (B)線電壓為相電壓的2倍 (C)線電流為相電流的倍 (D)線電壓為相電壓的倍
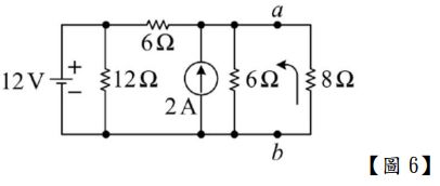
38. 如【圖6】所示之電路,則a、b兩端由箭頭方向通入之戴維寧(Thevenin)等效電壓Eth與等效電阻Rth各為何? (A)Eth=15V,Rth=3Ω (B)Eth=15V,Rth=4Ω (C)Eth=12V,Rth=3Ω (D)Eth=12V,Rth=4Ω
41. 如【圖7】所示之電路,為多少值可使負載產生最大功率? (A)5Ω (B)7Ω (C)6Ω (D)8Ω
43. 如【圖8】所示之電路,開關S閉合後,到達穩態時,其電流i為多少? (A)6A (B)4A (C)3A (D)2A
44. 如【圖9】所示之電路,其輸入對輸出最接近哪種濾波器? (A)帶拒濾波器 (B)高通濾波器 (C)帶通濾波器 (D)低通濾波器
46. 有一電路,其對稱之交流弦波電壓,以示波器量測,得知電壓峰對峰值=440V,則此電壓之有效值約為多少? (A) 110V (B) 220V (C) 310V (D) 156V
47. 如【圖10】所示之電路,b、c兩點間電位差為多少伏特(V)? (A)13 V (B)18 V (C)23 V (D)28 V
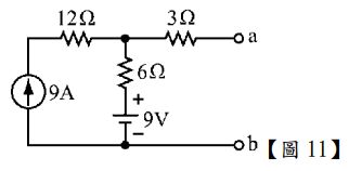
49. 如【圖11】所示之電路,試求a、b兩點之諾頓等效電阻及諾頓等效電流各為多少? (A)=9 Ω、=5A (B)=9 Ω、=7A(C)=12 Ω、=3A (D)=9 Ω、=3A