所屬科目:靜力學與材料力學
一、如圖 1 所示之二分之一圓弧形桿件,O 點為圓心,半徑R = 4 m,a 點及 c 點為鉸支承,b 點為鉸接,角度θ = 45°,載重P =10 kN、F =10 kN。 分別求 a、c 點鉸支承反力的水平與垂直分量,及桿件在e點的彎矩、剪 力與軸力。(25 分)
二、如圖 2 所示構架,桿 ab、桿 bc 及桿 cd 為剛性桿件,a點及d 點為鉸支 承,b點及c點為鉸接,彈簧係數k = 125 kN m,長度L = 2 m、h = 3 m。 求臨界挫屈負載Pcr。(25 分)
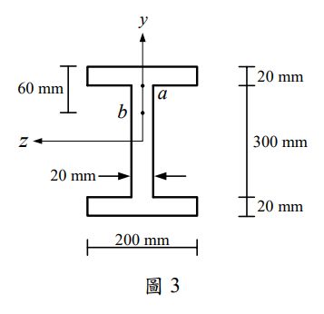
三、如圖 3 所示工型斷面之直樑,材料之彈性模數E = 240 GPa。當工型斷面 承受Mz = 24 kN m⋅ 彎矩及Vy =12.5 kN 剪力作用,求此時樑中性軸曲率 半徑、a 點正向應力σ x及 b 點剪應力 τxy 。(25 分)
四、某點平面應力狀態如圖 4 所示,求其主應力、最大剪應力,及當θ = 60° 作用在 AB 斜面的應力分量σ x'與 τx' y' 。(25 分)