所屬科目:教甄◆機械科/模具科/製圖科/生物產業機電/電腦機械製圖科
1. 若以S表剪應力,T表扭力矩,Dm表線圈平均直徑,d表線直徑,J表扭轉極慣性矩, F表彈簧軸向負載,G表剪力彈性係數,則螺旋彈簧之剪應力計算式可表示為: (A) (B) (C) (D) 。
2. 一樑受負荷,其剪力分佈如圖所示,則下列何者可能為其彎矩 分佈圖? (A) (B) (C) (D)
3. 如圖所示,一圓球錐動擺之質量 m,繩長 L,現以等速度 ω 繞垂直軸作水平面旋轉運動,試求高度 H 為?(重力加速度為 g) (A) (B) (C) (D) 。
4. 如圖所示之法蘭式聯軸器,利用 10 支相同螺栓 平均承受剪力傳遞 55πKN‧m 之扭力,螺栓分佈之節圓直徑為 50cm,若螺栓容許剪斷應力為 40N/mm2,則螺栓之最小直徑應為多少 cm? (A)2cm (B)2.8cm (C)4.7cm (D)5.5cm。
5. 有一梯子斜靠在牆壁上,其長 5m 重 100N,火柴人欲 爬到梯長的處,其體重 600N,而梯子與地面及牆壁 3 1 的摩擦係數分別為 0.4 及 ,若要協助火柴人避免梯子下滑,應在梯腳施一水平力 P 維持平衡,求 P 至少 為多少 N? (A)24 (B)26 (C)28 (D)30
6. 有 一 正 在 平 飛 的 蜜 蜂 , 拿 著 果 實 以 速 度 150mm/s在飛行,若蜜蜂有意要擊中前方火柴 人的頭頂,下列敘述何者正確?(若不計空氣 阻力,且果實距離火柴人頭頂2000.0mm) (甲)需在距離95.83mm遠處丟擲(乙)需在距離3030.46mm遠處丟擲 (丙)擊中頭頂之速度為6.26mm/s (丁)擊中頭頂之速度為6.26m/s (A)甲乙 (B)丙丁 (C)甲丁 (D)乙丙。
8. 如圖所示之一肘節機構,當滑塊C接近衝程末端時 ,速度減小,雖然力甚小,但可以產生較大的力量 F於滑塊C上,試求F力之大小? (A) 2 P cos α (B) 2 P tan α (C) 2 P / tan α (D) P / 2 tan α 。
9. 如圖所示,一塊狀制動器,接觸面的摩擦係數為 0.4,求作用於右端之力F,多少可以將順時轉矩 50kg-cm的動態輪(直徑250mm)完全停止? (A)1kg (B)2kg (C)3kg (D)4kg。
16. 車床上車削螺紋,設導桿每吋 4 牙,切削每吋 牙之螺紋時,螺紋指示器應在什麼 刻度吻合半合螺帽? (A)任何刻度皆可吻合 (B)只能在同一刻度吻合 (C)有兩個 刻度可以吻合 (D)有八個刻度可以吻合。
18. 某公司購買一種切削刀具,其刀具因子 n=0.25,主管欲得知切削速度變化與刀具壽命 之間的關係,以便評估切削速度之參數,取得最好的利益,若假設第一種情況的切削 速度為 V1,第二種情況的切削速度為 3V1,則第二種情況的刀具壽命應為第一種情 況的多少倍? (A)(B) (C) (D) 。
1.如圖所示,兩根彈簧的自由長度均為 20cm,且彈簧常數均為 2kN/m (1)試繪物體 A 與 B 的自由 體圖(2 分) (2)並求方塊 A 與 B 的物重為多少 kg?(2 分)(重力加速度 g=9.8m/s2,四捨五入 取至小數點後第 2 位)
3.如圖所示之桁架,若 AB、BC、CD、DE 構件長度皆為 1500mm,FB、GD 構件長度為 1000mm, HC 構件長度為 2000mm,求 BC、FH,及 FC 構件之受力為多少 kN?(構件重量不計,需判斷構 件受力為張力或壓力)(每個答案各 2 分,共 6 分)
(2)圓形截面之最大剪應力
5.如圖所示,為內切圓錐形摩擦輪,A 為主動輪,B 為從動輪,兩軸之夾角為 θ ,試推導出主動輪 半頂角 tanα 之公式。(4 分)
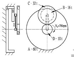
6.如圖所示之周轉輪系,A、B、C 及 D 之齒數分別為 60 齒、16 齒、32 齒及 10 齒,若主動輪 D 以 780rpm 之轉速順時針迴轉,試求搖臂 E 之轉速及迴轉方向?(4 分)
9.今有一板金欲裁切材料,設計者於 1/5 之圖面上,繪製其材料大小如圖所示,試問此材料真實 面積應為多少 m2?(4 分)
10.如下圖所示之立體圖,請繪出正確的三視圖。(比例約 1:1)(4 分)
11. 如下圖所示之三視圖,請繪出正確的俯視圖。(比例約 1:1)(4 分)