所屬科目:教甄◆機械科/模具科/製圖科/生物產業機電/電腦機械製圖科
1. 如下圖所示,圓柱重 600 N 置於斜面及垂直柱 AB 之間,柱 AB 的頂端以繩子 BC 繫牢而底端 A 係以銷釘栓於斜面,若接觸面為光滑,則繩子之張力為多少?(A) 400 N (B) 300 N (C) 600 N (D) 500 N
2. 如下圖所示之滑輪機構,A、B、C 三物體的質量分別為 10kg、20kg、30kg,A、B 物體與平面間之靜摩擦係數均為 0.25、動摩擦係數均為 0.2。若繩子不伸長亦不計滑輪重量與繩子間摩擦力影響,若重力加速度 g = 10m/s²,則對於 AB 繩、BC 繩所受的張力,下列敘述何者正確?(A) AB 繩張力為 30 N、BC 繩張力為 90 N (B) AB 繩張力為 30N、BC 繩張力為 180 N (C) AB 繩張力為 60N、BC 繩張力為 90N (D) AB 繩張力為 60N、BC 繩張力為 180 N
3. 如下圖所示之倒 T 形面積對其水平形心軸之慣性矩 (單位 mm) 為多少?(A) 47.9 (B) 136 (C) 67.9 (D) 57.9 mm²
4. 如右圖所示,有一長 3m、重 100N 的樓梯,斜靠在一光滑的直立牆上,若有一重 450N 的人由 A 端往上爬至距 A 點 1m 處時,樓梯開始下滑,試求樓梯與地面間之摩擦係數為多少?(A) 0.17 (B) 0.2 (C) 0.27 (D) 0.32
5. 如圖所示,A、B 兩物體質量分別為 2m、m,A 物體置於光滑水平面上,以繩子經過滑輪與另一物體 B 懸吊連繫,重力加速度為 g,若滑輪重量及摩擦均省略不計,則繩子的張力 T 為何?(A) (B) (C) (D)
6. 如下圖所示,有一長 500mm 的槓桿,利用一 5×5×20mm 的方鍵與半徑 30mm 的軸連結,若鍵能承受的容許剪應力為 6MPa,則作用於槓桿的力 P 不能超過少 N?(A) 18N (B) 48N (C) 24N (D) 36 N
9. 如圖所示回歸輪系,其輪系值 e =,A、B、C 三個齒輪齒數分別是 20 齒、50 齒、25 齒,若 C、D 兩個齒輪模數為 2,求 A、B 兩齒輪模數為何?(A) 2 (B) 3 (C) 4 (D) 6
10. 如下圖所示,由 A、B、C、D 四齒輪與旋臂 m 組成一周轉輪系,A 為 40 齒、B 為 60 齒、C 為 30 齒、D 為 50 齒,其中 B、C 輪同軸,A 輪軸固定,若齒輪 A 轉速為順時針 200rpm,齒輪 C 轉速為順時針 100rpm,試求齒輪 D 之轉速與轉向為何?(A) 20rpm 順時針 (B) 74rpm 順時針 (C) 164rpm 順時針 (D) 340rpm 逆時針
11. 如右圖所示,以割面 A-A 切割直立圓錐,可得下列何種圖形?(A) 拋物線 (B) 雙曲線 (C) 橢圓 (D) 等腰三角形
12. 如右圖所示,試問線段通過那幾個象限?(A) 一、二、四象限 (B) 二、三、四象限 (C) 一、三、四象限 (D) 二、四象限
13. 下列幾何公差符號中,何者屬於形狀公差? (A) 甲、乙、丙 (B) 甲、丁、戊 (C) 丙、丁、戊 (D) 甲、丙、丁
1. 如圖所示的滑車組,M 的質量為 50kg,m 的質量為 20kg,若由靜止狀態釋放,則 2 秒後 m 的位置向上移動多少公尺?__(1)__ (設 g = 10 m/s²)
2. 如下圖所示,在高為 39.2m 之塔上以 9.8m/sec 與水平夾角 45 度的初速度發射一砲彈。試問著地點距塔底之水平距離為多少公尺?__(2)__
3. 如下圖所示之桿件及其受力狀況,若桿子重量均不計,試求 E 點之反作用力為多少?__(3)__N
4. 如下圖所示,三方塊重 W₁ = 100 N、W₂ = 200 N、W₃ = 300N,W₁ 受一牆阻擋其向左運動,已知所有接觸面之靜摩擦係數均為 μ = 0.1,試求水平力 P 最少要__(4)__多少 N 才能拉動 W₂ 向左移動。
5. 一樑的支撐及受力如下圖所示,若樑本身重量不計,試問樑所受的彎矩最大值為多少__(5)__ N-m。
6. 直徑 100mm 之鋼圓軸,以齒輪使之旋轉,並以 10×8×50mm 之鍵連結,在每分鐘 600 轉之情況下,均勻傳遞 10πkW 之功率,則該鍵所受之壓應力為多少 __(6)__MPa。
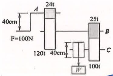
7. 如下圖所示之起重機輪系構造尺寸及齒數,現在曲柄端施力 F = 100N,若不計摩擦損失,則可吊起重物 W 為多少__(7)__ N。
8. 如圖所示鼓輪直徑為 8cm,制動力矩為 400N-cm,當緊邊張力與鬆邊張力比為 7:3 時,則停止轉動需最少制動力 P 為多少__(8)__ N。
9. 如下圖所示之斜面,P 為水平力,若不考慮摩擦阻力,其機械利益為多少 (請用分數表示)?__(9)__