阿摩線上測驗
登入
首頁
>
結構分析(包括材料力學與結構學)
>
103年 - 103年專門職業及技術人員高等建築師、技師、第二次食品技師暨普通不動產經紀人、記帳士考高等_土木工程技師#25152
> 申論題
題組內容
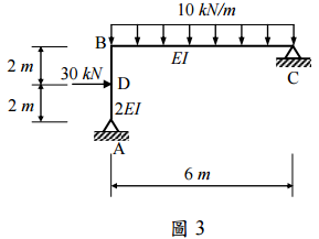
三、如圖 3 所示之一度靜不定剛架結構系統 ABC,其中 A、C 端均為鉸支承。AB 桿長 4 m,撓曲剛度為 2EI,桿中央 D 節點承受一水平向集中載重 30 kN;BC 桿長 6 m, 撓曲剛度則為 EI,承受一垂直向均佈載重 10 kN/m。
(1)試使用任意一種「力法」(force methods)求所有端點反力。(20 分)
相關申論題
(1)若溫度升高 30℃,試求甲乙兩種材料桿件之軸向應力。(15 分)
#34669
(2)若 AB 及 BC 間之連接視同剛接,材料之挫曲安全係數為 2.1,則當溫度升高多少 度時,其中有一桿件會先達到容許挫曲應力?(10 分)
#34670
(2)請繪出剪力及彎矩圖。(5 分) 附註:使用「變位法」(displacement methods)不予計分。
#34673
(二)自由端 C 之垂直位移。
#560653
(一)鉸支承 A 端之傾角。
#560652
(二)在不計自重之情況下,且已知材料之容許彎曲正向應力為10 MPa,容許剪應力為0.8 MPa,試求為確保梁之強度符合安全要求時,其矩形斷面寬度 b 應取為何值?
#560651
(一)試繪出該梁之剪力圖與彎矩圖。
#560650
二、如圖所示,一鋼梁表面上 C 點處之應力為: = − 20 MPa, = 4 MPa, = − 18 MPa 請求出圖示應力元素之主應力與面內最大剪應力之值與方位,並繪製圖形表示。 (提示: )
#560649
⑵塑性(不可回復)應變
#560648
⑴彈性(可回復)應變
#560647
相關試卷
114年 - 114 離島地區公務特種考試_三等_土木工程:材料力學與結構學#134741
114年 · #134741
114年 - 114 專技高考_土木工程技師:結構分析(包括材料力學與結構學)#133668
114年 · #133668
114年 - 114 司法特種考試_三等_檢察事務官營繕工程組:結構分析(包括材料力學與結構學)#129563
114年 · #129563
114年 - 114 調查特種考試_三等_營繕工程組:結構分析(包括材料力學與結構學)#129558
114年 · #129558
113年 - 113 離島地區公務特種考試_三等_土木工程:材料力學與結構學#124492
113年 · #124492
113年 - 113 專技高考_土木工程技師:結構分析(包括材料力學與結構學)#123926
113年 · #123926
113年 - 113 調查特種考試_三等_營繕工程組:結構分析(包括材料力學與結構學)#122120
113年 · #122120
113年 - 113 司法特種考試_三等_檢察事務官營繕工程組:結構分析(包括材料力學與結構學)#122107
113年 · #122107
112年 - 112 專技高考_土木工程技師:結構分析(包括材料力學與結構學)#117636
112年 · #117636
112年 - 112 司法特種考試_三等_檢察事務官營繕工程組:結構分析(包括材料力學與結構學)#116196
112年 · #116196