所屬科目:國營事業◆1.應用力學 2.材料力學
1. 空間中有一力=(+ 15 i+ 36 j- 39 k) N,試問其力大小 || 最接近下列何者? (A) 12 N (B) 27 N (C) 55 N (D) 500 N
3. 如右圖所示,有作用在AB梁上的4個平行力,R為 其合力,試問R之大小及其距A點之距離d分 別為何? (A) 16 kN,2.75 m (B) 12 kN,3.5 m (C) 12 kN,2.75 m (D) 16 kN,3.5m
5. 如右圖所示,A、B、C點均為鉸接,試問BC桿之內力為何? (A)壓力,1.732 kN (B)拉力,7.732 kN (C)壓力,7.732 kN (D)拉力,1.732 kN
6. 如右圖所示,長度單位為m,試求A點支承反力大小為何? (A) 33.33 kN (B) 36.67 kN (C) 41.67 kN (D) 53.33 kN
7. 如右圖所示,M1=600 N‧m,M2=300 N‧m,試 求A點支承反力大小為何?(圖中長度單位為cm) (A) 10 N (B) 30 N (C) 1,000 N (D) 3,000 N
8. 如右圖所示,M=5 kN‧m,q=4 kN/m,試求 A點支承反力大小? (A) 4.16 kN (B) 5.28 kN (C) 6.42 kN (D) 7.33 kN
9. 如右圖所示,一重物W由細繩AB和BCD懸掛,BCD又 繞過一無摩擦滑輪C,此系統於平衡條件下,試求重 物W之重量為何? (A) 66.6 kN (B) 136.6 kN (C) 196.7 kN (D) 221.3 kN
10. 如右圖所示,一圓柱體重200 N,在水平力F的 作用下欲滾上一高0.25 m的台階,求圓柱體剛 脫離與地面的接觸點A時,力F的大小? (A) 173.2 N (B) 233.6 N (C) 266.3 N (D) 333.3 N
13. 如右圖所示,三個剛性體重量分別為100 N, 200 N,300 N,各接觸面之靜摩擦係數如圖所 示,最上面的剛性體被束制無法沿水平面移動, 求物體開始運動前,水平力F的最大值為何? (A) 60 N (B) 90 N (C) 150 N (D) 210 N
15. 如右圖所示,有一桿件承受一軸力P,A點與C點均為鉸接,桿件在弱軸方向之 中點B處有側向支撐,已知該剖面之I1=8,000 cm4 ,I2=1,000 cm4 ,L=5 m,彈性 模數E=2⨉108 kN/m2 ,試求其臨界荷重Pcr為何? (A) 790 kN (B) 1,079 kN (C) 1,579 kN (D) 2,369 kN
16. 如右圖所示之桁架系統,試求AF桿之內力為何? (A) 15 kN{C} (B) 15 kN{T}(C) 30 kN{C} (D) 30 kN{T}
17. 如右圖所示,求斜線部份之形心距x軸之距離為何? (圖中尺寸均為mm) (A) 16.14 mm (B) 32.27 mm (C) 44.55 mm (D) 50.69 mm
18. 如右圖所示之中空矩形,求其面積對通過其形心之水平軸(XG) 的慣性矩約為何? (A) 620.3 m4 (B) 647.6 m4 (C) 667.8 m4 (D) 688.1 m4
20. 如右圖所示,某抛射體從100 m高的懸崖頂以斜角30°發 射,其初速度為80 m/s,試問抛射體所能到達距地面之 最大高度為何?(假設重力加速度g=9.81)(A) 121.33 m (B) 144.28 m (C) 157.66 m (D) 181.55 m
22. 如右圖所示的2 m長擺球在鉛直面上畫出一圓弧,其質量為m。 若對於圖示的位置而言,繩內的拉力為球重量的3倍,試求此 球在該位置的速度為何?(假設重力加速度g=9.81 ) (A) 6 m/s (B) 7 m/s (C) 8 m/s (D) 9 m/s
24. 如右圖所示,圓柱上下兩端被固定,其斷面積為A,材料之彈性模數為E, 求A端之反力為何? (A) (B) (C)(D)
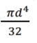
26. 有一圓形剖面其直徑為d,試求其對形心之極慣性矩J0為何? (A)(B) (C) (D)
27. 如右圖所示之懸臂梁受力情形,其剪力圖應為下列何 者之形狀? (A) (B) (C) (D)
29. 如右圖所示扭力構件由兩個光滑軸承支撐,試求D點 之扭矩? (A) 400 N-m (B) 550 N-m (C) 600 N-m (D) 800 N-m
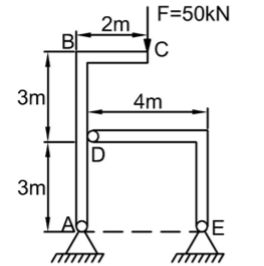
31. 如右圖所示,請問C點左端靠近C點處之彎矩為何? (A) 16 kN-m (B) 20 kN-m (C) 24 kN-m (D) 36 kN-m
33. 如右圖所示之半圓拱,其所受垂直荷重為10 kN,假設桿重不計 ,試求A點支承反力之水平分量為何? (A) 4 kN (B) 5 kN (C) 8 kN (D) 10 kN
35. 如右圖所示圓桿扭力系統,扭轉剛度GJ為常數,承受兩個 反向的扭力T作用,試求A端的反力為何? (A) (B) (C) (D)
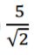
37. 如右圖所示簡支梁,長度L=5 m,假設EI為常數,試求該梁產 生最大變位的位置距A點多遠? (A) (B)m (C)m (D) m
38. 有關XY平面之平面應力與平面應變之敍述,以下何者有誤? (A)平面應力狀態下σZ為零 (B)平面應力狀態下γxz,γyz可不為零 (C)平面應變狀態下τxz, τyz為零 (D)平面應變狀態下τxy可不為零
41. 如右圖所示一中空鋼圓柱(截面積 3 in2,α = 6.5 × 10-6(°F-1),E = 30 × 106 lb/in2)圍在一實心銅圓柱(截面積 10 in2,α = 9.3 × 10-6(°F-1),E = 16 × 106 lb/in2)外,上方並承受一 30,000 ݈ܾlb之軸向荷重,假設未加載前兩個圓柱高度相同,試問約需加溫多少才能使加載之軸向荷重全由實心銅圓柱承受?(此時兩柱均與上方不變形鋼體保持接觸) (A)34°F(B) 67°F (C)92°F (D)111°F
43. 如右圖所示矩形梁,係由兩種不同金屬材料緊密接合而成 ,其中 ,今於自由端承受一集中荷重10 kN,試求該剖面 最大彎矩撓曲應力為何? (A) 1,034 kpa (B) 3,461 kpa (C) 5,769 kpa (D) 10,385 kpa
46. 如右圖所示應力單元,求其中一個主應力大小為何? (A) 8.52 MPa (B) 17.12 MPa (C) 24.62 MPa (D) 43.24 MPa
50. 承上題,其軸向應力σ2為何? (A) 1,250 N/cm2 (B) 2,500 N/cm2 (C) 3,600 N/cm2 (D) 5,000 N/cm2