所屬科目:國營事業◆1.應用力學 2.材料力學
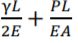
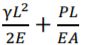
1. 如右圖所示,彈性模數為 E ,單位重為 γ ,剖面積為 A ,桿件長度為 L ,自重及 外力 P 所造成的軸向變形為何? (A) (B) (C) (D)
2. 如右圖所示,熱膨脹係數為 α ,其溫度沿桿件軸向呈線性變化,由 △ T0 變化至 3 △ T0 ,其中△ T0 為常數,此桿件的軸向變形為何? (A) (B) (C) (D)
3. 如右圖所示,AB 桿件之彈性模數 E = 2.0 × 104 kgf⁄cm2 ,剖面積A1 = 300 cm2 ,長度 L = 90 cm,於B點施加 3 ton 之軸向載重, B 點的變位最接近下列何者? (A) 0.045 cm (B) 0.090 cm 90cm (C) 0.135 cm (D) 0.180 cm
4. 如右圖所示,桿件AB為剛性棒,桿件BC彈性模數 E = 2.0 × 106kgf⁄cm2 ,剖面積 A1 = 6 cm2 ,B 點 C 的垂直變位最接近下列何者?
(A) 0.333 cm (B) 0.555 cm(C) 0.694 cm(D) 0.926 cm
6. 如右圖所示,有一個剛性板由 3 支相同材料的桿件所支承,彈性模數 P 剛性板 E = 45 GPa,各桿件之剖面積 A = 4,000mm2,其桿件之原設計長度 L = 2.0 m,但中間柱短少了 Δ1 = 1.0mm,在 P = 500 kN 作用下,剛性板的變位最接近下列何者? (A) 1.58 mm (B) 1.67 mm (C) 2.19 mm (D) 2.52 mm
7. 右圖為鋼管的橫剖面圖,剪力彈性模數 G = 76 GPa,長度 L = 2 m,承受扭矩 T = 20 kN-m,剪應力 τ 最接近下列何者? (A) 17.1 MPa (B) 34.1 MPa (C) 68.2 MPa(D) 136 MPa
8. 如右圖所示,簡支梁承受集中荷重 P = 1,000 kgf,最大剪應力 τmax最接近下列何者? (A) 0.625kgf/mm2(B) 1. 250kgf/mm2 (C) 1.875kgf/mm2(D) 2. 500 kgf/mm2
9. 如右圖所示,簡支梁承受均佈荷重 w = 200 kgf/m,最大彎曲應 梁斷面圖 力σmax, 最接近下列何者? W (A) 0. 586kgf/mm2(B) 1.76kgf/mm2 (C) 3.52kgf/mm2 (D) 7.03kgf/mm2
10. 如右圖所示,桿件在自由端承受集中荷重 P = 4 kN,斷面由兩種不同金屬材料緊密接合,材 料之彈性模數分別為,該剖面的最大剪力 流fmax, 最接近下列何者? (A) 0.0537 kN/cm(B) 0.161 kN/cm (C) 0.322 kN/cm (D) 0.644 kN/cm
11. 如右圖所示,B 點的變位為何? (A) (B) (C) (D)
12. 如右圖所示,以應變計測量表面某點的應變,得到應變讀數 ,最大剪應變值最接近下列何者? (A) 100 μ (B) 200 μ (C) 279 μ (D) 557 μ
13. 如右圖所示,最大剪應力值最接近下列何者? (A) 36.1 MPa (B) 44.7 MPa (C) 50.0 MPa (D) 56.8 MPa
14. 如右圖所示,最大主應力 σ1 值最接近下列何者? (A) σ1 = 13,211 psi (B) σ1 = 18,000 ABC (C) σ1 = 18,403psi (D) σ1= 19,211psi
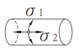
17. 封閉薄壁的圓筒壓力容器,管壁厚度 t,內半徑 r ,承受均勻內壓力 p,其環向應力σ1 為何? (A) (B) (C) (D)
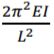
18. 均質等剖面直桿,由線彈性材料製成,彈性模數為 E ,慣性 A P 矩為 I ,桿件長度為 L ,兩端為簡支,其尤拉公式為何? (A) (B) (C) (D)
19. 下列敘述何者有誤? (A)波松比 (B)波松比 ν = 0 時,表示軸向伸縮不影響橫向變形 (C)波松比 ν 在線彈性範圍內保持不變 (D)波松比 ν 上限值為 1 7 in
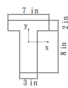
20. 如右圖所示,形心至上緣距離最接近下列何者? (A) 2.89 in (B) 3.26 in (C) 4.16 in (D) 4.53 in
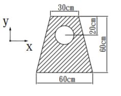
21. 如右圖所示,有一梯形斷面,內部圓形開孔直徑為 20 cm ,該斷面對 底邊之慣性矩 IL 最接近下列何者? (A) (B) ( (C)(D)
24. 如右圖所示,軸向受力之圓桿,求 P 力作用下,總應變能最接近下列何者?( 已知 E = 200 GPa、 d = 0.2 m、 L = 2 m、 P = 50 kN ) (A) 0.398 kN-mm (B) 0.498 kN-mm (C) 0.798 kN-mm (D) 0.996 kN-mm
26. 空間中有一力,試問其力大小 最接近下列何者?(A) 50(B) 63(C) 72(D) 80
27. 如右圖所示, M = 5 kN・m , q = 5 kN/m ,試求 A 點支承反力大小最接近下列何者? (A) 4.37 kN (B) 5.23 kN (C) 6.14 kN (D) 7.53 kN
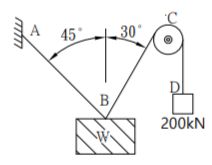
28. 如右圖所示,一重物 W 由細繩 AB 和細繩 BCD 懸掛,細繩 BCD 又繞過一無摩擦滑輪 C ,此系統於平衡條件下,試求重物 W 之重量最接近下列何者? (A) 231 kN (B) 273 kN (C) 315 kN (D) 357 kN
29. 某質量的運動是以關係式 定義,其中 x 的單位為公尺,而 t 為秒,試 求當 t = 5 秒時的速度為何? (A) 25 m/s (B) 30 m/s (C) 35 m/s (D) 40 m/s
30. 如右圖所示,某拋物體從距離地面 50 m 高的高台以斜角 30°發射,其初速度為 100 m/s ,試求拋物體所能到達距地面之最 高台 大高度最接近下列何者? ( 假設重力加速度 g = 9.81 m/s2 ) (A) 127 m (B) 177 m (C) 382 m (D) 432 m
32. 如右圖所示,系統處於靜止狀態,在某瞬間,有一力作用於B處,產生 平行地面的向左之加速度,試求AC桿的瞬間角加速度最接近下 列何者? (A) 1.25 (B) 1.5 (C) 1.875 (D) 2.5
33. 如右圖所示,半徑 4 m 之皮帶輪,拉力 T1 及 T2 對其中心點 C 所產生之力矩最接近下列何者?(A) 280 ton-m (B) 312 ton-m(C) 360 ton-m (D) 640 ton-m
34. 如右圖所示,重 800 lbf 之球體,半徑為 3 in ,藉由彈簧水平支撐靜止於傾斜光滑面上,其彈簧力 FS 最接近下列何者? (A) 400 lbf (B) 600 lbf (C) 800 lbf (D) 1,000 lbf
36. 如右圖所示之圓盤系統初始狀態為靜止,當圓盤 A 以 3 rad/s2 之等角加速度開始轉動時,將同時帶動圓盤 B 轉動,假設兩圓盤間無滑動發生,則當圓盤 A 轉動達 10 圈時,此時圓盤 B 之角速度最接近下列何者? (A) 5 rad/s (B) 19.4 rad/s (C) 32.4 rad/s (D) 50 rad/s
37. 如右圖所示,有一均質細桿,長度為 L ,質量為 m ,繞 z 軸旋轉, 其轉動慣量為何?(A) (B)(C) (D)
38. 如右圖所示,一質量為 30 kg 的拋射體,當其正以 80 m/s 的速度移動時突 5kg 然爆炸成質量分別為 5 kg 和 25 kg 的兩碎片,兩碎片之運動方向分別與爆炸前運動方向夾 45° 及 30°,則質量為 5 kg 之碎片其速度大小最接近下列何者? (A) 13 m/s (B) 70 m/s (C) 167 m/s (D) 248 m/s
39. 如右圖所示,有一個 8 kgf 的物體置於斜面上,斜面與水平面夾角 45° ,物體與斜面的摩擦係數為 0.4 ,今施加一與斜面平行之推力 P 於物體上,則 P 之大小 為下列何者時,可維持物體靜止於斜面上?( 假設重力加速度 g = 9.81 m/s2 ) (A) 15 N (B) 25 N (C) 55 N (D) 85 N P 45°
40. 如右圖所示之滑輪系統,當 A 端以 2 m/s 之速度向下時,砝碼 B 之向上速度為 下列何者? (A) 0.25 m/s (B) 0.5 m/s A (C) 0.75 m/s (D) 1 m/s
41. 如右圖所示,有一球體重量為 W = 600 N ,將其置於光滑之鉛直面及斜 面上,其接觸點 B 之反力大小最接近下列何者? (A) 625 N (B) 675 N (C) 1,250 N (D) 2,124 N
42. 如右圖所示,圓柱重 360 N ,用軟繩懸掛之,並靠於光滑斜面上,則斜面之反 力為下列何者? (A) 120 (B) 180 (C) 240 N (D) 360N
44. 如右圖所示,圓柱重 360 kgf ,則與重力垂直之最小 P 力為多少才 26cm 能拉起圓柱? (A) 120 kgf (B) 150 kgf (C) 120 kgf(D) 360 kgf
45. 如右圖所示,繩索與滑輪之摩擦不計,其餘接觸面之 300kN 摩擦係數皆為 0.3 ,則欲拉動重 800 kN 之物體 ( 其上有 F 一物體重 300 kN) , F 至少應為何? (A) 180 kN (B) 330 kN (C) 420 kN (D) 510 kN
46. 兩球之大小、質量均相同,碰撞前後的速度如右圖所示,兩球間之恢復系數 e 為何? (A) 0.5 (B) 0.625 (C) 0.75 (D) 1