所屬科目:國營事業◆1.應用力學 2.材料力學
1. 空間中有一力=(+ 15 i+ 36 j- 39 k) N,試問其力大小最接近下列何者? (A)12 N (B) 27 N (C) 55 N (D) 500 N
3. 如右圖所示,有作用在AB梁上的4個平行力,R為其合力,試問R之大小及其距A點之距離d分別為何? (A) 16 kN,2.75 m (B) 12 kN,3.5 m (C) 12 kN,2.75 m (D) 16 kN,3.5m
5. 如右圖所示,A、B、C點均為鉸接,試問BC桿之內力為何? (A)壓力,1.732 kN (B)拉力,7.732 kN (C)壓力,7.732 kN (D)拉力,1.732 kN
6. 如右圖所示,長度單位為m,試求A點支承反力大小為何? (A) 33.33 kN(B)36.67 kN (C) 41.67 kN (D) 53.33 kN
7. 如右圖所示,M1=600 N‧m,M2=300 N‧m,試 求A點支承反力大小為何?(圖中長度單位為cm) (A) 10 N (B) 30 N (C) 1,000 N (D) 3,000 N
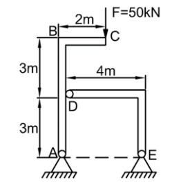
8. 如右圖所示,M=5 kN‧m,q=4 kN/m,試求 A點支承反力大小? (A) 4.16 kN (B) 5.28 kN (C) 6.42 kN (D) 7.33 kN
9. 如右圖所示,一重物W由細繩AB和BCD懸掛,BCD又繞過一無摩擦滑輪C,此系統於平衡條件下,試求重物W之重量為何? (A) 66.6 kN (B) 136.6 kN (C) 196.7 kN (D) 221.3 kN
10. 如右圖所示,一圓柱體重200 N,在水平力F的作用下欲滾上一高0.25 m的台階,求圓柱體剛脫離與地面的接觸點A時,力F的大小? (A) 173.2 N (B) 233.6 N (C) 266.3 N (D) 333.3 N
13. 如右圖所示,三個剛性體重量分別為100 N, 200 N,300 N,各接觸面之靜摩擦係數如圖所示,最上面的剛性體被束制無法沿水平面移動,求物體開始運動前,水平力F的最大值為何? (A) 60 N (B) 90 N (C) 150 N (D) 210 N
15. 如右圖所示,有一桿件承受一軸力P,A點與C點均為鉸接,桿件在弱軸方向之 中點B處有側向支撐,已知該剖面之I1=8,000 cm4,I2=1,000 cm4,L=5 m,彈性模數E=2⨉108 kN/m2,試求其臨界荷重Pcr為何? (A) 790 kN (B) 1,079 kN (C) 1,579 kN (D) 2,369 kN
16. 如右圖所示之桁架系統,試求AF桿之內力為何? (A) 15 kNC(B) 15 kNT (C) 30 kNC(D) 30 kNT
17. 如右圖所示,求斜線部份之形心距x軸之距離為何? (圖中尺寸均為mm) (A) 16.14 mm (B) 32.27 mm (C) 44.55 mm (D) 50.69 mm
18. 如右圖所示之中空矩形,求其面積對通過其形心之水平軸(XG) 的慣性矩約為何? (A) 620.3 m4 (B) 647.6 m4 (C) 667.8 m4 (D) 688.1 m4
20. 如右圖所示,某抛射體從100 m高的懸崖頂以斜角30°發射,其初速度為80 m/s,試問抛射體所能到達距地面之最大高度為何?(假設重力加速度g=9.81 ⁄ )(A)121.33 m (B) 144.28 m (C) 157.66 m (D) 181.55 m
22. 如右圖所示的2 m長擺球在鉛直面上畫出一圓弧,其質量為m。若對於圖示的位置而言,繩內的拉力為球重量的3倍,試求此球在該位置的速度為何?(假設重力加速度g=9.81 ⁄ s2) (A) 6 m/s (B) 7 m/s (C) 8 m/s (D) 9 m/s
24. 如右圖所示,圓柱上下兩端被固定,其斷面積為A,材料之彈性模數為E,求A端之反力為何? (A) (B) (C) (D)