所屬科目:國營事業◆1.應用力學 2.材料力學
6. 找出零力桿為解桁架系統重要步驟,請問下圖桁架中共有幾根零力桿? (A) 4 (B) 5 (C) 6 (D) 7
9. 自由體圖為表現剛體系統外力情形之示意圖,下列支承型式與自由體圖關係,何者有誤? (A) (B) (C) (D)
10. 鋁質中空桿受載重,請計算下圖桿件所受應力為何? (A) 1,350 psi (B) 2,750 psi (C) 5,710 psi (D) 11,420 psi
11. 一剎車踏板之機構,以 P = 10 lb 之力量踩下剎車,請問前方活塞桿所受壓應力為何? (A) 1,450 psi (B) 2,370 psi (C) 2,650 psi (D) 2,900 psi
12. 有一由5塊5 mm厚鋼板以螺栓接合組成之構件,請問螺栓所受最大剪應力為何? (A) 100 MPa (B) 80 MPa (C) 63.7 MPa (D) 47.1 MPa
13. 一彈性材料填充於二混凝土版間,受一剪力 V 作用下,二混 凝土版產生垂直位移,如下圖下,假設填充材之剪力彈性模數G = 960 MPa,請問可承受最大剪力為何? (A) 384 kN (B) 480 kN (C) 768 kN (D) 960 kN
14. 特殊設計之扭力扳手,含圓軸及方形鍵,各部位尺寸如下圖所示,請推導施加P荷重後方形鍵所受之平均剪應力公式為何? (A) 2PL/bc(d + b) (B) 4PL/bc(d + b) (C) 2PL/bc(2d + b) (D) 4PL/bc(2d + b)
15. 如下圖所示,該鉗子6 mm插銷之極限剪應力為320 MPa,安全係 數3.5,最大容許之施力P為何? (A) 1,590 N (B) 795 N (C) 640 N (D) 320 N
16. 材料受力而變形,應力-應變曲線如下圖所示,請問該材料於下列哪個時間點產生降伏? (A) A (B) B (C) C (D) D
17. 桿件與梁構件組合如下圖所示,BD及CE桿件斷面尺寸分 別為1,020 mm2 及520 mm2,桿件彈性模數E = 205 GPa,梁構件ABC為剛體,如A點極限位移量為1.0 mm,請計算最大容許P荷重為何? (A) 11.6 kN (B) 17.4 kN (C) 23.2 kN (D) 46.4 kN
18. 一鋼柱裝入另一銅管內,上面覆蓋剛性平鈑進行荷重試驗,鋼柱斷面積 As、彈性模數Es ,銅管斷面積Ac 、彈性模數Ec ,長度均為L,如進行荷 重施予P之力,請推導變形量公式為何? (A) PL/(Es As + Ec Ac ) (B) 2PL/(Es As + Ec Ac ) (C) PL/(Es + Ec ) × (As + Ac ) (D) PL/(Es Ac + EcAs )
19. 塑膠桿件分成右左二端不同斷面組合,但各斷面長度相同,左端較大斷面內側被鑽入一直徑d之孔洞,如下圖所示;材料彈性模數E = 600 psi,施予P = 25,000 lb之力,如桿件最大容許變形為0.3 in,請計算最大鑽孔直徑dmax 為何? (A) 0.73 in (B) 1.09 in (C) 1.64 in (D) 2.18 in
20. 一人員重 50 kg,自水面上 60 m 進行高空彈跳,安全繩抗拉剛度 EA = 2.1 kN,跳下後須最接近水面上方10 m之高度,選用繩索長度為何? (A) 25.6 m (B) 36.6 m (C) 38.4 m (D) 54.9 m
21. 五支直徑為0.4 in之桿件組,共同承載荷重P之物件,假設材料降伏應力σy = 36,000 psi,請計算桿件受力為何? (A) 9,500 lb (B) 14,250 lb (C) 19,000 lb (D) 28,000 lb
22. 如下圖所示,圓形桿件剪力彈性模數G = 11.5 × 106 psi,如施加扭 力T = 250 lb-ft,桿件二端扭轉角度為何? (A) 0.028° (B) 1.62° (C) 2.43° (D) 3.24°
23. 剛性之軸承如下圖所示,假設剪力彈性模數G = 80 GPa,請計算B、D兩點間之扭轉角度為何? (A) 0.0106° (B) 0.0216° (C) 0.31° (D) 0.61°
24. 如下圖所示,二端不同斷面且固定之桿件,中間C點承受一扭力, 假設二斷面之極慣性矩均為JP ,剪力彈性模數為G,試推導C點扭 轉角度之公式為何? (A)ToLAdB/GLJp (B)ToLAdALBdB/GLJp (C)ToLBdA/GLJp (D)ToLALB/GLJp
25. 正六邊形且厚度為 t 之薄管如下圖所示,各邊長度均為b,假設受扭力T作用 ,試推導薄管所受剪應力之公式為何? (A) (B) (C) (D)
30. 一鋼軸桿(Gs = 80 GPa )外套一黃銅套管(Gb = 40 GPa ), 如下圖所示,兩材料緊密接合在一起,假設端點最大極 限扭轉角為 8.0°,請問容許扭力為何? (A) 8.57 kN∙m (B) 12.95 kN∙m (C) 14.17 kN∙m (D) 17.14 kN∙m
31. 小飛機機翼在理想化巡弋狀況下,承受均布載重如下圖所示,請計算機翼內側剪力為何? (A) -5.13 kN (B) -5.59 kN (C) -6.04 kN (D) -6.95 kN
32. 下圖為含垂直臂之簡支梁構件,荷重W以纜索經無摩擦滑輪 B繫於垂直臂端點E上,下列各項C點所受之作用力,何者正確? (A)NC = 18 kN(壓) (B)NC = 18 kN(拉) (C)Vc = 12 kN (D)MC = 33.6 kN ∙ m
33. 梁斷面承受逆時鐘之彎矩作用,彎矩對梁造成之壓應力或拉應力之關係為何? (A) (B) (C) (D)
34. 一簡易擋水設施,由水平木板( A )、垂直木角材( B )組成如下圖,將其埋入地面(可視為懸臂梁行為),如材料容許彎曲應力為8.0 MPa,請計 算角材尺寸至少應為何? (A) 20 cm (B) 25 cm (C) 30 cm (D) 35 cm
35. 如下圖所示,水平外力施加於端部固定之垂直中空管,請問管件之最大剪應力為何? (A) 987 psi (B) 658 psi (C) 62.2 psi (D) 39.8 psi
36. 如下圖所示,水平外力施加於端部固定之垂直實心桿,最大剪應力為658 psi ,請問桿件之直徑d0 為何? (A) 1.31 in (B) 1.97 in (C) 3.20 in (D) 3.87 in (E)一律給分
37. 如下圖所示,ㄒ型梁受垂直剪力,請問產生最大剪應力之位置為何? (A) B (B) O (C) I (D) T
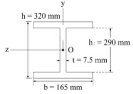
38. 工字型梁承受一垂直剪力V = 45 kN,斷面如下圖所示,請計算 最小剪應力為何? (A) 17.4 MPa (B) 21.0 MPa (C) 34.8 MPa (D) 42.0 MPa
39. 主材料由木頭組成之箱型梁,頂、底部由二塊厚木板組成,左右二側為夾板,並以木頭螺絲與梁 板拴固,如下圖所示,假設斷面受一V = 10.5 kN 之力作用,螺絲容許剪應力F = 800 N,請計算螺絲最大允許間格為何? (A) 31.1 mm (B) 35.0 mm (C) 46.6 mm (D) 69.9 mm
41. 一壓力氣槽,由金屬半球體銲接組成,內徑18 in,壁厚0.25 in,如下圖所示, 假設銲接無瑕疵,金屬容許剪應力為6,000 psi,請問最大容許壓力為何? (A) 666 psi (B) 777 psi (C) 888 psi (D) 999 psi
42. 筒狀壓力容器,組成方式由細長鋼鈑沿軸心方 螺旋銲接向以螺旋狀纏繞後沿邊緣銲接,如下圖所示,鋼 鈑 彈 性 模數E = 200 GPa, 柏松比(Poisson’s ratio) v = 0.3,容器壓力為800 kPa,請計算經線方向ε2 應變為何?(A)(B)(C)(D)
44. 柱結構偏位與受力關係曲線如下圖,下列何者為有缺陷無彈性材料形成之曲線? (A) A (B) B (C) C (D) D
46. 依尤拉(Euler)長桿件公式Pcr = π2 EI/Le2 中Le 表示壓桿件之有效長度,下列各圖桿件長度L均 相等,請問何種支承型式有最大之有效長度? (A) (B) (C) (D)
47. 簡支端之細長桿構件(柱),受一軸向力作用,桿件中點二側另有 垂直於側向平面之支承頂住,桿件長度L = 25 ft,材料彈性模數 E = 29 × 103 ksi,安全係數2.5,請計算容許軸力為何?(W8 × 28 斷面參數I1 = 98.0 in4 , I2 = 21.7 in4 , A = 8.25 in2 ) (A) 166 kips (B) 125 kips (C) 110 kips (D) 62 kips
48. 下圖為簡支梁受二相同外力作用,外力與簡支梁二端之距離相等,下列彎矩圖何者正確? (A) (B) (C) (D)
50. 共軛梁法為計算梁受力的方法之一,下列實梁與其共軛梁之組合,何者有誤? (A) (B) (C) (D)