所屬科目:專科學力鑑定◆專(一):機電整合(實習)
1. 如圖(一)所示之交流電路,若電壓,電流,則此電路的功率因數 為何? (A) 0.5,超前 (B) 0.5,落後 (C) 0.866,超前 (D) 0.866,落後
2. 如圖(二)所示之電路,為使電阻 RL 獲得最大功率,則下列敘述何者正確? (A) 電阻 RL 值為16 (B) 電阻 RL 值為12 (C) 電阻 RL 值為10 (D) 電阻 RL 值為8
3. 如圖(三)所示為一簡單的低通濾波電路,其頻寬約等於多少? (A) 5Hz(B) 50Hz (C) 500Hz (D) 5 kHz
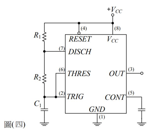
4. 如圖(四)所示之555計時器電路,在電路能正常工作下,若 ,則工作週期(duty cycle) 約為何? (A) 45% (B) 60% (C) 75% (D) 90%
5. 如圖(五)所示之週期性電壓信號 V,該信號的平均值電壓 Vav 及有效值電壓 Vrms 分別為何? (A) (B) (C) (D)
6. 如圖(六)所示之達靈頓電路特性,下列何者錯誤? (A) 電流增益大 (B) 輸出阻抗低 (C) 輸入阻抗高 (D) 頻率響應高
7. 如圖(七)所示之電路,若所有二極體為理想元件,則輸出電壓 Vo 為多少? (A) 5V (B) 8V (C) 10V (D) 12V
8. 如圖 ( 八 ) 所示之電路,稽納 ( Zener ) 二極體的最大額定功率為 400 mW, 200 RL = Ω , 輸出電壓 VL 維持 10 V,欲使稽納二極體維持正常工作,則輸入電壓 VS 最大值為何? (A) 10V (B) 13V (C) 19V (D) 24V
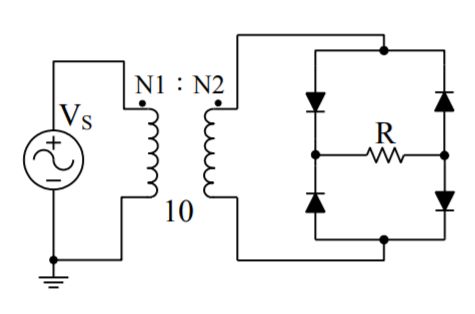
9. 如圖 ( 九 ) 所示之電路,若,則每一個 理想二極體之峰值反向電壓(PIV)約為多少? (A) 7.07V (B) 10V (C) 14.14V (D) 20V
10. 如圖(十)所示之電路,若LED導通之端電壓為2 V,當時導通電流15mA,則串聯電阻R 應為多少? (A) 20Ω (B) 20 kΩ (C) 2 kΩ (D) 200Ω
11. 如圖(十一)所示之理想放大器電路,若 V1 =10V,V2 = –5V,則輸出電壓 Vo 為多少? (A) 5V (B) 10V (C) 15V (D) 20V
12. 如圖(十二)所示之理想運算放大器電路,下列敘述何者錯誤? (A) 該電路具有高輸入阻抗 (B) 該電路具有高電壓增益 (C) 該電路可減少負載效應 (D) 該電路具有阻抗匹配功能
13. 如圖(十三)所示稽納二極體檢測用之運算放大器電路,量測獲得 Vo =10.3V ,計算 稽納二極體通過電流 I Z 及稽納二極體電壓規格 VZ 為多少? (A) I Z =10.3mA ,VZ = 5.3V (B) I Z = 5.3mA ,VZ = -5.3V (C) I Z = 5.0mA,VZ = 5.3V (D) I Z = 5.0mA,VZ =10.3V
14. 如圖(十四)所示之理想運算放大器應用設計,根據其電路架構為下列何者? (A) 反相放大器電路 (B) 非反相放大器電路 (C) 非反相比較器電路 (D) 反相比較器電路
15. 如圖(十五)所示之運算放大器電路, ,量測獲得 Vo =10V , 計算迴授電阻及放大器輸出總電流 I o 為多少? (A) (B) (C) (D)
16. 若機構中有一直線運動桿件的位移s與時間t的關係為 ,則此桿件的運動方式 為下列何者? (A) 等速運動 (B) 等加速運動 (C) 簡諧運動 (D) 擺線運動
20. 兩圓柱形摩擦輪A與B,其切線速度比,但兩輪軸的轉速比 ,則 其直徑比為: (A) 2:3 (B) 3:2 (C) 1:6 (D) 6:1
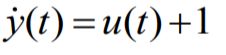
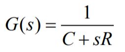
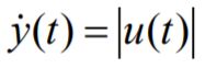
21. 下列何者為線性系統? (A) (B) (C) (D)
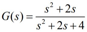
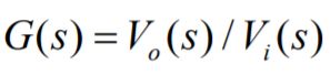
23. 如圖(十六)所示之電路中,其轉移函數: (A) (B) (C) (D)
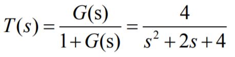
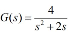
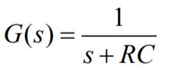
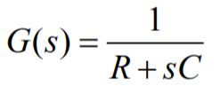
24. 某單位負迴授控制系統之閉迴路轉移函數為 ,則其開迴路轉移 函數 G (s) 為多少? (A) (B) (C) (D)
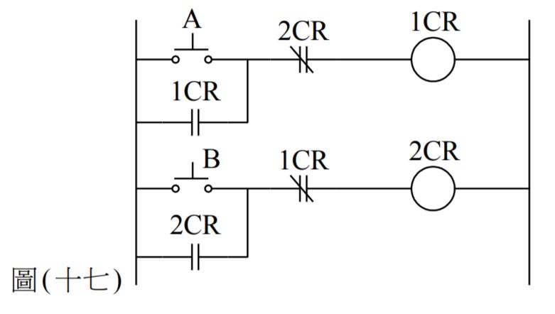
34. 如圖(十七)所示之電路圖,電路供電後,若先按A,再按B,則: (A) 1CR會激磁 (B) 1CR自保會被消除 (C) 2CR會自保 (D) 2CR會短暫激磁又斷掉
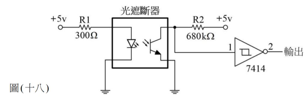
40. 如圖(十八)所示之光遮斷器電路,試問當光被遮斷時,輸出之電壓應為何? (A) 低態 (B) 中態 (C) 高態 (D) 從低態到高態連續來回變化
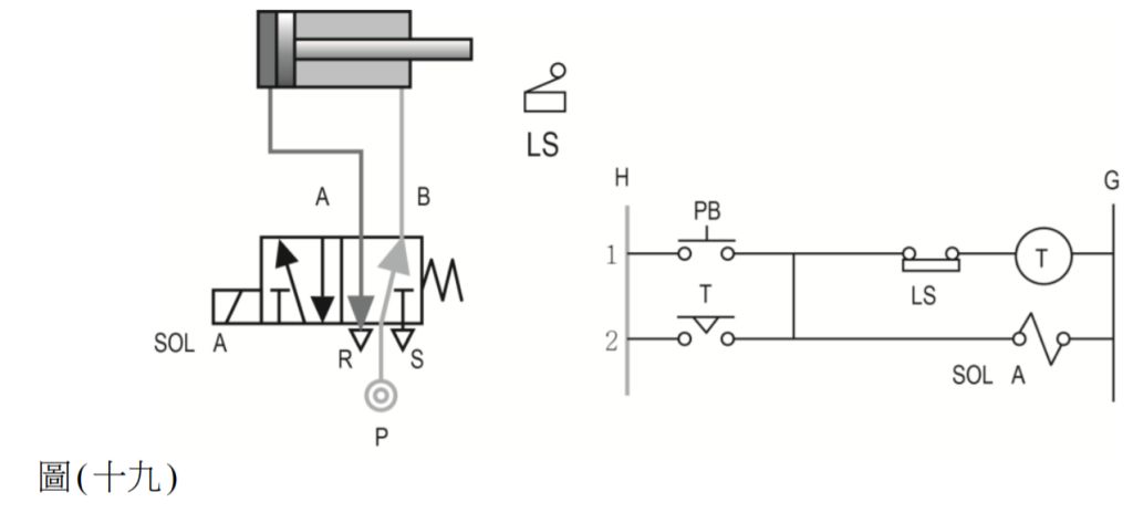
50. 如圖(十九)所示之氣壓及電氣控制迴路,若計時器在計時中系統突然斷電,試問氣壓系統 會有何反應? (A) 活塞桿及閥保持於原位置,不會動 (B) 活塞桿繼續往前進,直到最伸出位置後停止 (C) 活塞桿立刻後退,直到最縮回位置後停止 (D) 要看斷電瞬間方向控制閥所在的位置,才能判定